Chapitre 7 - Appareils de mesure pour courant continu
Mon premier cours en électronique
voir aussi :
Le Multimètre et Comment utiliser un multimètre
Les mesures de résistances, de courants et de tensions se font généralement à l'aide d'un appareil combiné volt-ohm-milliampèremètre (VOM) comme celui de la figure 7-1.
Figure 7-1


Utilisation d'un appareil combiné (voltmètre-ohmmètre-milliampèremètre) pour les mesures de tensions et de résistances:
(a) pour obtenir la tension, brancher les fils de test du voltmètre aux bornes de la différence de potentiel à mesure. Noter la polarité de la tension;

(b) pour obtenir la résistance, brancher les fils de test de l'ohmmètre aux bornes de R, l'alimentation étant coupée. La polarité des fils de l'appareil n'intervient pas dans le cas de la résistance.

Pour mesurer la tension, on doit brancher les fils de mesure du voltmètre aux bornes des points dont on veut mesurer la différence de potentiel, comme en (a).
De même, si on utilise l'ohmmètre, il faut brancher les deux connexions d'essai aux bornes de la résistance à mesurer, comme en (b), mais l'alimentation doit être débranchée.
En effet, la résistance à mesurer est alimentée directement par la propre pile interne de l'ohmmètre. Pour mesurer le courant, l'appareil de mesure est connecté comme un composant monté en série dans le circuit.
Un appareil de mesure combiné s'emploie en général comme un appareil contrôleur multiple pour vérifier V, I et R, afin de dépanner les circuits électroniques. Des détails sur ces appareils de mesure sont donnés dans les sections suivantes:
7.1 Appareil de mesure à cadre mobile
7.2 Mesure de courant
7.3 Shunts d'appareil de mesure
7.4 Shunt universel
7.5 Voltmètres
7.6 Effet de charge d'un voltmètre
7.7 Ohmmètres
7.8 Multimètres
7.9 Appareils de mesure numériques
7.10 Applications des appareils de mesure
7.11 Vérification de la continuité avec un ohmmètre
7.1 APPAREIL DE MESURE À CADRE MOBILE
Ce type d'équipage mobile, illustré à la figure 7-2, s'utilise en général dans un appareil de mesure universel (VOM).
Figure 7-2 Réalisation d'un appareil de mesure à cadre mobile. (Weston Eïectrical Instrument Corporation)

Sa construction comporte principalement une bobine (appelée cadre) de fil fin placée sur un tambour et montée entre les pôles d'un aimant permanent. Lorsque le courant continu passe dans le cadre, le champ magnétique du courant réagit au champ de l'aimant.
La force qui en résulte fait tourner le tambour avec son aiguille. L'importance de la déviation indique la valeur du courant dans la bobine. Une polarité correcte permet à l'aiguille de se déplacer vers le haut de l'échelle graduée vers la droite, une polarité inverse force l'aiguille vers la gauche, au bas de l'échelle.
La déviation de l'aiguille est directement proportionnelle à l'intensité de courant dans la bobine.
Si le courant nécessaire à une déviation complète sur l'échelle graduée est de 100 µA, 50 µA dans la bobine produiront une déviation de la moitié de l'échelle graduée.
La précision du mécanisme de l'appareil de mesure à cadre mobile est de 0,1 % à 2 %.
Le principe du cadre mobile s'applique à différents types d'appareils de mesure portant des dénominations différentes. Un galvanomètre est un instrument extrêmement sensible destiné à mesurer des valeurs de courant extrêmement faibles.
Des galvanomètres de laboratoire comprennent un cadre mobile suspendu muni d'un système optique pour amplifier une petite déviation, et sont capables de mesurer une faible fraction de microampère. Un galvanomètre balistique s'utilise pour lire la valeur d'un faible courant momentané afin de mesurer une charge électrique.
On appelle souvent équipage d'Arsonval l'arrangement du cadre suspendu dans un galvanomètre d'après son inventeur qui breveta cet équipage de mesure en 1881. L'appareil de mesure à cadre mobile pratique et courant de la figure 7-2 est un équipage Weston.
Valeur de IM Le courant
IM provoquant le déplacement de l'aiguille sur toute l'échelle représente la quantité nécessaire pour dévier l'aiguille complètement sur la droite jusqu'à la dernière marque de l'échelle graduée.
Les valeurs caractéristiques de IM pour les équipages Weston vont d'environ 10 µA à 30 mA.
Des courants plus faibles exigent plus de fil dans le cadre mobile pour que le champ magnétique du courant soit assez fort, afin de pouvoir réagir sur le champ de l'aimant permanent pour mettre l'aiguille en mouvement. Il faut utiliser du fil fin pour diminuer le poids du cadre mobile.
Dans le cas contraire, des courants plus forts exigent un fil plus épais, ce qui peut alourdir le cadre. Toutefois, il est possible d'accroître la gamme de courant de l'équipage jusqu'à presque n'importe quelle valeur en utilisant les shunts d'appareils de mesure, comme l'explique la section 7.3.
Par exemple, IM vaut 50 µA pour le microampèremètre de la figure 7-3.
Figure 7-3 Microampèremètre dont la graduation est munie d'un miroir pour minimiser l'erreur de parallaxe:
(a) photographie de l'appareil de mesure;

(b) symbole pour les schémas. (Weston Electrical Instrument Corporation)

Remarquez le miroir le long de l'échelle graduée destiné à éliminer l'erreur de parallaxe. On lit l'appareil lorsque l'aiguille et son image dans le miroir sont confondues. On élimine ainsi l'erreur optique de parallaxe si on regarde l'appareil de mesure latéralement.
Dans les schémas, le symbole de cet appareil de mesure de courant est un cercle, comme en (b).
Valeurs de rM
II s'agit de la résistance interne du fil du cadre mobile. Les valeurs caractéristiques s'étalent de 1,2 Ω pour un équipage mobile de 30 mA jusqu'à 2000 Ω pour un équipage mobile de 50 µA.
Un équipage mobile ayant un IM plus faible a une résistance rM plus élevée car il faut de nombreux tours de fil fin. La valeur moyenne de rM pour un équipage mobile de 1 mA est de 120 Ω environ.
Appareils de mesure à bande tendue
L'équipage mobile de l'appareil de mesure peut être construit en suspendant le cadre mobile et l'aiguille au moyen d'une bande métallique, remplaçant le pivot et le rubis avec un ressort de rappel.
Ces deux types d'équipages mobiles ont des caractéristiques identiques de fonctionnement.
Mais, en général, les appareils de mesure à bande tendue ont des résistances rM plus faibles car il est possible d'utiliser un cadre plus petit pour entraîner l'aiguille vers le haut de l'échelle graduée.
Problèmes pratiques 7.1 (réponses à la fin du chapitre)
(a) Comment doit-on brancher un voltmètre: en parallèle ou en série?
(b) Comment doit-on brancher un milliampèremètre: en parallèle ou en série?
7.2 MESURE DE COURANT
II ne faut jamais oublier les deux faits suivants très importants, que l'on mesure des ampères, des milliampères ou des microampères:
1. L'équipage mobile doit être branché en série dans le circuit parcouru par le courant à mesurer. La valeur de la déviation est fonction du courant traversant l'équipage.
Dans un circuit série, l'intensité de courant est la même dans tous les composants successifs. C'est pourquoi le courant à mesurer doit passer par l'appareil de mesure comme un composant en série du circuit.
2. Un ampèremètre pour courant continu doit être branché sur la bonne polarité permettant de lire l'appareil de mesure vers le haut de l'échelle.
Une polarité inversée donne une lecture vers le bas de l'échelle, coinçant l'aiguille contre la butée placée à gauche, ce qui pourrait courber l'aiguille.
Comment connecter en série un ampèremètre
Comme l'indique la figure 7-4, le circuit doit être ouvert à un certain point pour permettre de monter l'ampèremètre en série dans le circuit.
Figure 7-4 Montage d'un ampèremètre en série dans un circuit:
(a) circuit sans l'appareil de mesure;
(b) ouverture du circuit entre les points b et c pour montage de l'ampèremètre;
(c) appareil branché entre R1 et R2, en série dans le circuit.

Étant donné que les résistances R1, R2 et R3 ainsi que l'ampèremètre sont en série, le courant sera le même dans chaque élément et l'appareil de mesure indiquera quel est le courant en tous points du circuit série.
Si la tension VT est de 150 V avec une résistance en série globale de 1500 Ω, le courant sera de 0,1 A ou de 100 m A. Cette valeur représente le courant traversant R1, R2 et R3 et la batterie comme on le montre en (a).
Remarquons qu'en (b) le circuit est ouvert au point de liaison de R1 et R2 pour permettre l'insertion de l'appareil de mesure.
En (c), l'appareil de mesure complète le circuit série permettant de lire un courant de 100 mA. Un appareil de mesure inséré en série en un point quelconque du circuit indiquera un courant identique.
Comment connecter un appareil de mesure pour courant continu selon la bonne polarité
Un appareil de mesure pour courant continu possède des bornes dont la polarité est indiquée soit à l'aide d'un signe + et d'un signe -, soit à l'aide de la couleur rouge pour indiquer + et de la couleur noire pour indiquer - .
Les électrons circulent dans l'équipage mobile en entrant par le côté négatif et sortant du côté positif, ce qui permet ainsi la lecture de l'appareil de mesure dans le sens croissant de l'échelle graduée.
Pour obtenir une polarité correcte de l'appareil de mesure, il faut toujours brancher sa borne négative au point du circuit relié au côté négatif de la source de tension sans passer par l'appareil de mesure.
De même, la borne positive de l'appareil de mesure retourne à la borne positive de la source de tension (figure 7-5).
Figure 7-5 Branchement correct d'un appareil de mesure en respectant les polarités.

On voit que la borne négative de l'appareil de mesure est reliée à la résistance R2 car ce parcours, qui comprend la résistance R1, la relie à la borne négative de la batterie.
La borne positive de l'appareil de mesure est connectée à la résistance R3.
Les électrons du circuit iront vers le côté négatif de l'appareil de mesure en passant par les résistances R1 et R2, ils circuleront dans l'équipage mobile et sortiront de l'appareil de mesure en retournant par la résistance R3 vers la borne positive de la batterie.
Un ampèremètre doit présenter une très faible résistance
Reportons-nous à la figure 7-4. Le milliampèremètre de la figure c indique 100 mA, car sa résistance est négligeable par rapport à la résistance en série totale R de 1500 Ω. Dans ce cas, le courant I est le même avec ou sans appareil de mesure.
En général, la résistance d'un ampèremètre doit être très faible par rapport à la résistance R du circuit dont on mesure le courant.
Nous la prendrons arbitrairement égale au 1/100 de la résistance du circuit.
Ainsi, dans le circuit de la figure 7-4, la résistance de l'ampèremètre devra être inférieure à 1500/100 = 15 Ω. En réalité, un ampèremètre devant mesurer 100 mA aura une résistance interne R d'environ 1 Ω ou moins du fait de la résistance de son shunt interne.
Plus la gamme des courants de l'ampèremètre est élevée, plus sa résistance est petite.
La figure 7-6 illustre le cas extrême d'un ampèremètre à résistance R beaucoup trop élevée.
Figure 7-6 Exemple d'un microampèremètre à trop grande résistance:
(a) sans l'appareil de mesure, le circuit est parcouru par un courant I de 50 µA;
(b) l'insertion du microampèremètre réduit I à 25 µA.

Dans ce cas, l'insertion de l'ampèremètre dans le circuit double la valeur de la résistance série RT. Il en résultera un courant égal à la moitié de celui circulant sans l'ampèremètre.
Problèmes pratiques 7.2 (réponses à la fin du chapitre)
(a) Soit le circuit de la figure 7-4. Déterminer l'indication du milliampèremètre branché au point a.
(b) Soit le circuit de la figure 7-5. On veut que l'aiguille du milliampèremètre dévie à pleine échelle. Calculer la résistance R à brancher au côté positif de l'appareil de mesure.
(c) La résistance d'un ampèremètre doit-elle être très faible ou très élevée?
(d) La résistance d'un voltmètre doit-elle être très élevée ou très faible?
7.3 SHUNTS D'APPAREIL DE MESURE
Un shunt d'appareil de mesure est une résistance de précision reliée en parallèle à l'équipage mobile d'un appareil de mesure en vue de shunter ou de dériver une fraction donnée du courant d'un circuit au niveau de l'équipage mobile de l'appareil de mesure.
Cette combinaison fournit alors un ampèremètre de plus grand calibre. Les shunts sont généralement placés à l'intérieur du boîtier de l'appareil de mesure. En outre, le symbole utilisé pour les appareils de mesure de courant n'indique généralement pas le shunt.
Pour des mesures de courant, l'équipage mobile et son shunt restent connectés comme un ampèremètre en série dans le circuit (figure 7-6).
Figure 7-6 Exemple d'un microampèremètre à trop grande résistance:
(a) sans l'appareil de mesure, le circuit est parcouru par un courant I de 50 µA;

(b) l'insertion du microampèremètre réduit I à 25 mA.

Il faut souligner qu'un appareil de mesure à shunt interne a une échelle étalonnée qui tient compte du courant passant par le shunt. Par conséquent, cette échelle donne le courant total du circuit.
Résistance du shunt de l'appareil de mesure
Selon la figure 7-6b, l'équipage mobile 25 mA a une résistance de 1,2 Ω qui représente la résistance de la bobine rM.
Pour doubler le calibre, la résistance Rs du shunt est rendue égale à la résistance de 1,2 Ω de l'équipage mobile.
Lorsque l'appareil de mesure est relié en série dans un circuit parcouru par un courant de 50 mA, ce courant total pénétrant dans une des bornes de l'appareil de mesure se répartit également entre le shunt et l'équipage mobile de l'appareil de mesure.
À la borne opposée de l'appareil de mesure, ces deux courants de branche se combinent pour donner un courant de 50 mA égal au courant du circuit.
À l'intérieur de l'appareil de mesure, le courant passant par le shunt est de 25 mA et celui passant par le cadre mobile, de 25 mA.
Comme il s'agit d'un équipage mobile de 25 mA, ce courant entraîne une déviation complète. Toutefois, on double l'échelle qui indiquera alors 50, mA car on tient compte des 25 mA additionnels passant par le shunt.
De ce fait, la lecture de l'échelle indique le courant total au niveau des bornes de l'appareil de mesure et non pas seulement le courant de la bobine.
L'équipage mobile avec son shunt sera un appareil de mesure pour 50 mA avec une résistance intérieure de 1,2 x 0,5 = 0.6 Ω.
La figure 7-7 nous donne un nouvel exemple.
Figure 7-7 Le shunt dérive le courant traversant normalement l'appareil de mesure; ceci permet d'étendre sa gamme de mesures de 25 mA à 50 mA:
(a) schéma de câblage;

(b) schéma indiquant l'effet du shunt Rs. Lorsque Rs = Rm, la gamme de mesures du courant est doublée;

(c) circuit comportant un ampèremètre de 50 mA.

On peut généralement calculer la résistance du shunt pour un calibre quelconque par la loi d'Ohm à partir de la formule:
Rs = Vm / Is (7.1)
Rs est la résistance du shunt et Is le courant le traversant.
Vm est égal à Im x rm.
Ceci est la tension aux bornes du shunt et de l'équipage mobile de l'appareil de mesure qui sont en parallèle.
Calcul de Is Ce courant qui ne passe que par le shunt est la différence entre le courant total IT traversant l'appareil et le courant dérivé Im traversant l'équipage ou:
Is = IT - Im (7.2)
Utilisons les valeurs de courant correspondant à la déviation totale.
Selon la figure 7-8, Is = 50 - 10 = 40 mA ou 0,04 A.
Calcul de Rs
La méthode complète d'utilisation de la formule Rs = Vm / Is peut être la suivante:
1. Trouvez Vm. Calculez-le pour la déviation totale comme Im x rm.
Sur la figure 7-8 avec un courant de 10 mA (correspondant à la déviation totale) traversant l'équipage 8 Ω, Vm est
0,01 x 8 = 0,08 V.
2. Trouvez Is. Sur la figure 7-8, Is = 50 - 10 = 40 mA = 0,04 A.
3. Divisez Vm par Is pour trouver Rs. Ici, Rs = 0,08 / 0,04 = 2 0.
Ce shunt permet au courant traversant l'équipage (10 m A) d'être utilisé pour augmenter l'échelle (0 à 50 mA).
Remarquons que Rs et rm sont inversement proportionnels à leurs courants à la déviation totale.
La résistance de 2 Ω pour Rs équivaut à un quart de la résistance de 8 Cl de rm parce que le courant shunt de 40 mA est égale à quatre fois le courant de 10 mA traversant l'équipage pour une déviation maximale.
Exemple 1
Un shunt fait passer le calibre d'un équipage d'un appareil de mesure de 50 µA à 1 mA. Quel sera le courant passant par le shunt pour la déviation maximale?
Réponse
Tous les courants doivent être exprimés dans les mêmes unités pour l'équation (7-2). Pour éviter les fractions, utilisons 1000 µA pour exprimer le courant IT de 1 mA.
Donc:
Is = IT - Im = 1000 µA - 50 µA = 950 µA
Exemple 2
Un équipage d'appareil de mesure de 50 µA a une résistance de 1000 Ω.
Quelle résistance Rs sera nécessaire pour étendre son calibre à 500 µA ?
Réponse
Le courant traversant le shunt Is est de 500 - 50 ou 450 µA.
Donc:
Rs = Vm / Is = (50 x 10-6 x 103) / (450 x 10-6) = 50000 / 450 = 1000 / 9 = 111.1 Ω
En général, les shunts sont des résistances du type à spires bobinées avec précision.
Pour des valeurs très faibles, on peut utiliser un fil court d'une dimension déterminée.
Problèmes pratiques 7.3 (réponses à la fin du chapitre)
Un cadre mobile de 50 µA de résistance rm de 900 Ω a une résistance de shunt Rs telle que la gamme est de 500 µA:
(a) Calculer Is;
(b) Calculer VM.
7.4 SHUNT UNIVERSEL
À la figure 7-9, R1; R2 et R3 sont utilisés dans des combinaisons mixtes avec l'équipage de l'appareil pour différentes gammes de courant.
Figure 7-9 Shunt universel pour trois gammes de courants.
Valeurs de courant pour une déviation correspondant à toute l'échelle:
(a) circuit réel comportant le commutateur S permettant de choisir les différentes gammes; (b) circuit pour la gamme de 2 mA;
(c) circuit pour la gamme de 10 mA; (d) circuit pour la gamme de 100 mA.

Le circuit est alors un shunt universel.
Cette méthode s'utilise le plus souvent pour des multiples gammes de courant dans un VOM car le circuit mixte fournit une méthode sûre pour commuter entre les gammes de courant sans encourir le risque de provoquer de surintensité dans l'équipage de l'appareil.
Le large contact sur le bras commutateur en (a) montre que celui-ci établit la connection suivante avant d'interrompre le contact précédent.
Ce commutateur de type à court-circuit protège l'équipage de l'appareil en fournissant un shunt permanent pendant la commutation de changement de gamme.
Le shunt universel se compose des résistances R1, R2 et R3 de la figure 7-9.
On détermine leur branchement en shunt par le commutateur S qui permet de couvrir les différentes gammes de courant.
Leur résistance totale (RST) est de 40 + 9 + 1 = 50 Ω. Cette résistance est utilisée en tant que shunt en parallèle avec rM pour la gamme de 2 m A en (b).
Pour des gammes de courant plus élevé en (c) et (d), une partie de la résistance RST est connectée en série avec rM tandis que le reste de la résistance RST est en parallèle pour former une dérivation.
Les valeurs de la figure 7-9 sont calculées de la manière suivante: étant donné que la gamme de 2 mA en (b) correspond au double de l'intensité nominale de 1 m A de l'équipage de l'appareil, la résistance shunt doit égaler la résistance rM de 50 Ω de telle sorte que 1 mA puisse circuler dans chacun des deux parcours parallèle.
Par conséquent, la résistance RST est égale à la résistance rM de 50 Ω.
En ce qui concerne la gamme de 10 mA en (c), 9 mA doivent traverser le shunt et 1 mA le cadre mobile.
Or, la résistance rM comporte une résistance R1 en série avec elle dans le parcours bad. Le shunt comprend maintenant R2 en série avec R3 dans le parcours bcd.
Rappelons-nous que la tension est la même aux bornes des deux parcours parallèle bad et bcd.
Le courant est de 1 mA dans un parcours et de 9 mA dans l'autre parcours.
Pour calculer R1, nous pouvons exprimer l'égalité de la tension aux bornes des deux parcours:
1 mA x (R1 + rM) = 9 mA x (R2 + R3)
Nous savons que rM vaut 50 Ω.
Nous savons également que RST vaut 50 Ω.
Les résistances R1, R2 ou R3 sont inconnues mais (R2 + R3) doit être de 50 Ω moins R1.
Par conséquent:
1 mA x (R1 + 50) = 9 mA x (50 - R1)
Solution pour R1.
R1 + 50 = 450 - 9R1
R1 + 9R1 = 450 - 50
10R1 = 400
R1 = 40 Ω
Non seulement nous savons maintenant que R1 vaut 40 Ω, mais la résistance (R2 + R3) doit être de 10 Ω, car leur somme doit être égale à 50 Ω.
Cette valeur de 10 Ω pour (R2 + R3) est utilisée pour la deuxième étape des calculs.
Pour la gamme de 100 mA en (d), un courant de 1 mA passe par R1, R2 et rM dans le parcours cbad, et un courant de 99 m A passe par R3 dans le parcours cd.
La tension est la même aux bornes des deux parcours.
Pour calculer R2, par conséquent:
1 mA x (R1 + R2 + rM) = 99 mA x (R3)
Nous savons que R1 vaut 40 Ω.
Alors: 40 + R2 + 50 = 99 R3
Si (R2 + R3) vaut 10 Ω, R3 devra valoir (10 - R2).
En remplaçant R3 par (10 - R2), l'équation deviendra:

Finalement, R3 doit valoir 1 Ω.
La somme R1+ R2 + R3 égale 40 + 9 + 1, ce qui correspond à la valeur de 50 Ω de RST.
Pour prouver les valeurs de résistance, remarquons que en (b) un courant de 1 mA circulant dans chacune des branches de 50 Ω produit une tension de 50 mV aux bornes des deux branches parallèle.
En (c), un courant de 1 mA dans la branche de 90 Ω avec l'appareil produit une tension de 90 mV entre b et d, tandis que le courant de 9 mA traversant les 10 Cl de i?!+/?2 produit la même chute de tension de 90 mV.
En (d), le courant de 99 mA traversant la résistance R3 de 1 Ω produit une chute de tension de 99 mV, tandis que le courant de 1 mA traversant la résistance de 99 Ω dans le parcours cbad produit la même chute de tension (99 mV).
Problèmes pratiques 7.4 (réponses à la fin du chapitre)
Se reporter à la figure 7-9 et déterminer le courant I à pleine échelle à travers le cadre mobile pour:
(a) une gamme de 2 mA;
(b) une gamme de 100 mA.
7.5 VOLTMÈTRES
Voir aussi Le Multimètre Comment utiliser un multimètre Convert Ammeter to Voltmeter
Bien que l'équipage mobile de l'appareil réagisse uniquement au courant dans la bobine mobile, il est couramment utilisé pour mesurer la tension en ajoutant une résistance élevée en série avec l'équipage (figure 7-10.).
Figure 7-10 Une résistance multiplicatrice montée en série avec l'équipage de l'appareil de mesure constitue un voltmètre:
(a) la résistance multiplicatrice R1 montée en série avec l'équipage permet d'obtenir une déviation sur toute l'échelle pour une tension appliquée de 10 V;
(b) les fils du voltmètre peuvent être branchés aux bornes d'un circuit pour mesurer de 0 à 10 V;
(c) échelle de 10 V et échelle de 1 mA correspondante.

La résistance en série doit être beaucoup plus élevée que la résistance de la bobine pour limiter le courant passant par celle-ci.
Le branchement de l'équipage de l'appareil en série avec une résistance en série que l'on appelle un multiplicateur est généralement branché à l'intérieur du boîtier du voltmètre.
Comme le voltmètre a une résistance élevée, il doit être branché en parallèle pour mesurer la différence de potentiel aux bornes de deux points d'un circuit.
Dans le cas contraire, le multiplicateur de résistance élevée ajouterait une résistance en série si élevée que le courant dans le circuit serait ramené à une très faible valeur.
Mais branchée en parallèle, la résistance du voltmètre présente des avantages. Plus la résistance du voltmètre est élevée, plus faible sera l'effet de son branchement en parallèle sur le circuit examiné.
Pour brancher le voltmètre en parallèle, il n'est pas nécessaire d'ouvrir le circuit. En raison de cette facilité, on utilise en général des voltmètres lors de la recherche de pannes. La mesure de la tension s'applique de la même manière soit à une chute de tension IR, soit à une f.é.m. générée.
Lorsque l'on utilise un voltmètre pour courant continu, il faut tenir compte de la polarité. Branchez la borne négative du voltmètre sur le côté négatif de la différence de potentiel à mesurer et la connexion négative sur le côté positif.
Résistance du multiplicateur
La figure 7-10 montre comment l'équipage de l'appareil de mesure et son multiplicateur R1 constituent un voltmètre.
La batterie en (a) fournit une tension de 10 V et il faut avoir une résistance de 10 000 Ω pour réduire le courant à 1 m A pour une déviation complète de l'équipage de l'appareil.
Étant donné que l'équipage a une résistance de 50 Ω, 9950 Ω sont ajoutés en série, ce qui donne une résistance totale de 10 000 Ω. Alors I est de 10 V / 10 kΩ = 1 mA.
Si un courant de 1 m A circule dans l'équipage, la déviation complète peut être étalonnée à 10 V sur l'échelle de l'appareil, tant que le multiplicateur de 9950 Ω est branché en série avec l'équipage.
Le multiplicateur peut se brancher sur l'un ou l'autre côté de l'équipage.
Si on enlève la batterie comme en (b), l'équipage et son multiplicateur forment un voltmètre qui peut indiquer une différence de potentiel de 0 V à 10 V appliquée à ses bornes.
Si les connexions du voltmètre sont branchées aux bornes d'une source de tension de 10 V dans un circuit à courant continu, le courant de 1 mA qui en résulte circulant dans l'équipage de l'appareil produit une déviation complète et la lecture donne 10 V.
En (c), l'échelle de 10 V illustrée correspond à une gamme de 1 mA pour l'équipage.
Si le voltmètre est branché sur une différence de potentiel de 5 V, le courant dans l'équipage sera de 0,5 mA, la déviation correspondra à la moitié de toute l'échelle et l'appareil indiquera 5 V.
Une tension nulle entre les bornes signifie qu'il n'y a pas de courant dans l'équipage, et le voltmètre indiquera une valeur zéro.
En résumé, toute différence de potentiel jusqu'à 10 V, qu'elle provienne d'une chute de tension IR ou résulte d'une f.é.m., peut être appliquée aux bornes de l'appareil, qui indiquera alors une valeur inférieure à 10 V dans un rapport égal à celui reliant le courant de l'appareil à 1 m A.
La formule suivante permet de calculer la résistance d'un multiplicateur:
Rmult = (V échelle total / I échelle total) - Rm
En appliquant cette formule à l'exemple de R1 de la figure 7-10, on aura:

Pour une échelle équivalente de 10 V avec un équipage d'appareil de mesure de 50 µA d'usage courant, la résistance du multiplicateur est beaucoup plus élevée.
Si la résistance de l'équipage de 50 µA est de 2000 Ω, on obtient:

Échelles de voltmètres multiples
Les voltmètres ont souvent plusieurs multiplicateurs utilisés avec un seul équipage d'appareil où un commutateur de gammes sélectionne un multiplicateur pour l'échelle exigée, car le courant I nécessaire pour la pleine échelle est moindre.
Plus la gamme de tension sera élevée, plus élevée sera la résistance du multiplicateur, dans une proportion égale précisément à celle des gammes.
La figure 7-11 illustre deux gammes.
Figure 7-11 Voltmètre comportant une échelle de 10 V ou 25 V:
(a) le commutateur de gamme choisit l'échelle en reliant en série soit la résistance R1 soit la résistance R2, pour constituer le multiplicateur;

(b) les deux échelles de tension sur le cadran de l'appareil.

Lorsque le commutateur est sur la gamme 10 V, le multiplicateur R1 est relié en série à l'équipage de 1 mA. On utilise alors l'échelle de 10 V sur l'appareil.
Si le commutateur de gamme est sur 25 V, R2 est le multiplicateur et la tension mesurée se lit sur l'échelle de 25 V.
Le tableau 7-1 donne plusieurs exemples d'utilisation de ces deux échelles. Remarquons que les tensions inférieures à 10 V peuvent se lire sur l'une ou l'autre échelle.

Toutefois, il est préférable que l'aiguille indique une lecture sur le tiers médian de l'échelle. C'est pourquoi les échelles sont habituellement des multiples de 10 et de 2,5 ou 3.
Commutateur de gamme Dans le cas des gammes multiples, le réglage du commutateur est la tension qui donne une déviation complète (figure 7-12).
Figure 7-12 Le commutateur de gamme permet de choisir la tension qui donnera une déviation sur toute l'échelle. Sur la figure, la lecture obtenue est de 30 V sur l'échelle 0-100 V.

On utilise généralement une échelle pour des gammes multiples de 10.
Si le commutateur de gamme est réglé pour 250 V sur la figure 7-12, lisez l'échelle supérieure telle qu'elle est.
Toutefois, si le commutateur de gamme est à 25 V, divisez par 10 les lectures de l'échelle de 250 V.
De même, l'échelle de 100 V s'emploie pour la gamme de 100 V et la gamme de 10 V.
Sur la figure 7-12, l'aiguille indique 30 V alors que le commutateur est sur la gamme de 100 V; cette valeur sur la gamme de 10 V est 3 V.
Circuit du voltmètre universel courant
La figure 7-13 nous fournit un nouvel exemple de gammes de tension multiples avec une disposition de commutation courante. La résistance R1 est le multiplicateur en série pour la gamme de tension la plus faible de 2,5 V.
Figure 7-13 Circuit de voltmètre permettant d'obtenir de multiples gammes. (Appareil Simpson modèle 260)

Si une résistance plus élevée est nécessaire pour des gammes plus élevées, le commutateur ajoutera les résistances en série nécessaires.
L'appareil de mesure de la figure 7-13 exige 50 µA pour déviation totale.
Pour la gamme de 2,5 V, une résistance en série de 2,5 / (50x 106), soit 50000 Ω, est nécessaire.
Étant donné que rM vaut 2000 Ω, la valeur de R1 est de 50 000 - 2000, ce qui est égal à 48 000 Ω ou 48 MΩ.
Pour la gamme de 10 V, une résistance en série de 10/(50 x 106), soit 200 000 Ω, est nécessaire.
Étant donné que R1 + rM donne une résistance de 50 000 Ω, R2 doit avoir une valeur de 150 000 Ω pour une résistance totale en série de 200 000 Ω sur la gamme de 10 V.
De façon analogue, des résistances additionnelles sont mises en circuit pour augmenter la résistance du multiplicateur pour la gamme de tensions plus élevées.
Notez le jack séparé et le multiplicateur particulier R6 pour la gamme la plus élevée de 5000 V.
Cette méthode consistant à ajouter pour des gammes de tensions croissantes des multiplicateurs montés en série correspond au type de circuit généralement utilisé dans les multimètres du commerce.
Résistance d'un voltmètre
La résistance élevée d'un voltmètre comportant un multiplicateur est essentiellement constituée par la valeur de la résistance de ce multiplicateur. Du fait que l'on prend un autre multiplicateur pour chacune des gammes, la résistance du voltmètre varie.
Le tableau 7-2 met en évidence la manière dont croît la résistance du voltmètre aux gammes plus élevées.

Dans la colonne médiane sont énumérées les valeurs de la résistance interne totale RT comprenant Rmult et rM pour le circuit du voltmètre de la figure 7-13.
Avec un équipage de 50 µA, la résistance Rv du voltmètre croît de 50 kΩ pour la gamme de 2,5 V à 20 MΩ de celle de 1000 V.
On remarquera que la résistance Rv du voltmètre présente cette valeur pour chaque gamme, qu'il y ait ou non lecture avec déviation maximale.
Caractéristique ohms par volt Pour indiquer la résistance du voltmètre indépendamment de la gamme, on donne généralement la valeur en ohms de la résistance nécessaire pour une déviation de 1 V. Cette valeur est la caractéristique ohms par volt du voltmètre.
À titre d'exemple, regardez la colonne finale du tableau 7-2. Les valeurs figurant dans la rangée du haut montrent que cet appareil demande une résistance Rv de 50 000 Ω pour une déviation maximale de 2,5 V.
La résistance par volt de déviation est alors de 50 000/2,5, ce qui donne 20 000 Ω/V.
La valeur de la caractéristique ohms par volt est la même pour toutes les gammes. La raison en est que cette caractéristique est déterminée par le courant maximal IM de l'équipage mobile correspondant à la déviation maximale.
Pour calculer la caractéristique ohms par volt, prenez l'inverse de IM exprimé en ampères.
Par exemple, un équipage de 1 mA entraîne une caractéristique de 1 / 0,001, soit 1000 Ω/V; un équipage de 50 µA correspond à 20 000 Ω/V et un autre de 20 µA à 50 000 Ω/V.
La caractéristique ohms par volt est également appelée la sensibilité du voltmètre.
Une valeur élevée de la caractéristique ohms par volt signale une valeur Rv élevée de la résistance du voltmètre.
En fait, Rv peut être calculé comme le produit de la caractéristique ohms par volt par la tension de déviation maximale de chacune des gammes.
Par exemple, dans la seconde rangée du tableau 7-2, correspondant à la gamme de 10 V et à un taux de 20 000 Ω/V:

Ces valeurs en s'appliquent qu'aux tensions continues.
Pour les tensions alternatives, la sensibilité est généralement ramenée à une valeur plus réduite afin de prévenir une déviation fortuite de l'appareil due aux champs parasites avant que les bornes de l'appareil ne soient reliées au circuit.
Habituellement, la sensibilité ohms par volt d'un voltmètre est marquée sur la face de l'appareil.
La sensibilité de 1000 Ω/V avec un équipage de 1 mA était courante dans les voltmètres pour courants continus mais, actuellement, on utilise normalement une sensibilité de 20 000 Ω/V avec un équipage de 50 µA.
Une sensibilité plus élevée constitue un avantage, non seulement en vue de diminuer l'effet de charge du voltmètre, mais parce qu'on peut obtenir des gammes de tension plus basses et des gammes plus élevées pour le fonctionnement en ohmmètre.
Problèmes pratiques 7.5 (réponses à la fin du chapitre)
Soit le circuit de la figure 7-13.
Calculer la résistance Rv du voltmètre sur les gammes de:
(a) 2,5 V;
(b) 50 V.
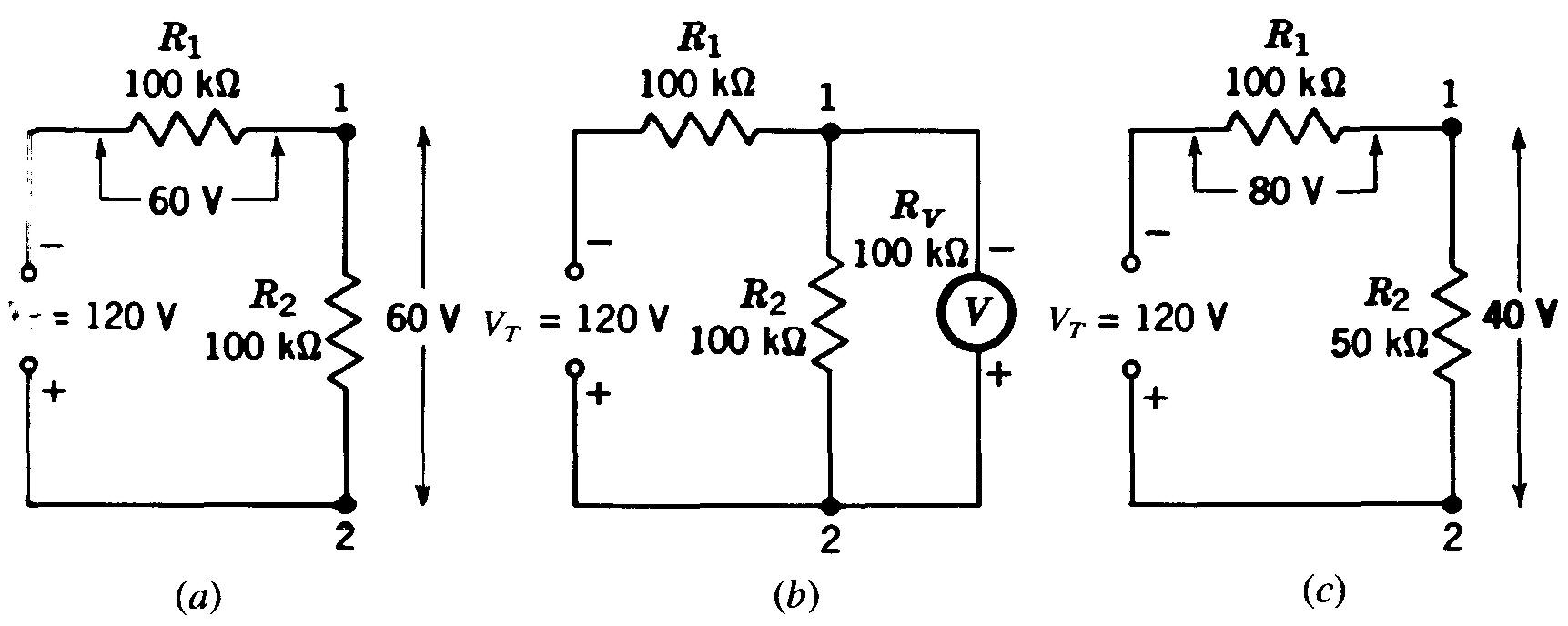
7.6 EFFET DE CHARGE D'UN VOLTMÈTRE
Lorsque la résistance d'un voltmètre n'est pas d'une valeur suffisamment élevée, le fait de le brancher aux bornes du circuit peut réduire la tension mesurée par rapport à la tension existante en l'absence du voltmètre.
Cet effet est appelé baisse de charge du circuit, du fait que la tension mesurée décroît en raison du courant de charge additionnel absorbé par l'appareil.
Effet de charge
II peut être appréciable dans les circuits à haute résistance représentés sur la figure 7-14.
Figure 7-14 Effets d'une charge sur un voltmètre:
(a) circuit série de résistance élevée;
(b) voltmètre aux bornes des résistances en série;
(c) résistance et tension réduites entre les points 1 et 2 provoquées par la résistance du voltmètre considérée comme une branche en parallèle.

En (a), en l'absence du voltmètre, R1 et R2 constituent un diviseur de tension aux bornes duquel est appliquée une tension de 120 V.
Les deux résistances égales de 100 Ω chacune divisent la tension appliquée de manière égale, chacune présentant 60 V à ses bornes.
Lorsque le voltmètre est branché aux bornes de R2 pour y mesurer la différence de potentiel, la division de tension varie. La résistance Rv du voltmètre de 100 kΩ correspond à la valeur d'un appareil de 1000 Ω par volt dans la gamme de 100 V.
La mise en parallèle du voltmètre avec R2 entraîne la circulation d'un courant additionnel et la résistance équivalente entre les points de mesure 1 et 2 est réduite de 100 000 à 50 000 Ω.
Cette résistance est le tiers de la résistance totale du circuit et la tension mesurée entre les points 1 et 2 tombe à 40 V, comme on le montre en (c).
Comme le courant additionnel soutiré par le voltmètre circule à travers l'autre résistance R1 placée en série, la tension aux bornes de cette dernière croît à 80 V.
De façon similaire, si le voltmètre était branché aux bornes de R1, la tension mesurée à ses bornes tomberait à 40 V, tandis que celle aux bornes de R2 croîtrait à 80 V.
Une fois le voltmètre débranché, le circuit se retrouve dans les conditions représentées en (a) avec 60 V aux bornes de R1 et de R2.
L'effet de charge est minimisé en utilisant un voltmètre d'une résistance notablement supérieure à celle aux bornes de laquelle est effectuée la mesure de tension.
Comme on le montre à la figure 7-15, avec une résistance de voltmètre de 11 MΩ, l'effet de charge devient négligeable.
Figure 7-15 Charge négligeable avec un voltmètre à forte résistance:
(a) circuit série à forte résistance; (b) mêmes tensions dans le circuit avec le voltmètre branché.

Du fait de la valeur élevée de Rv, la division de tension dans le circuit ne se trouve pas affectée.
En effet, la mise en parallèle de la résistance de 11 MΩ du voltmètre avec R2 d'une valeur de 100 000 Ω entraîne une résistance équivalente pratiquement égale à 100 000 a.
Avec des gammes multiples sur un multimètre, la résistance du voltmètre varie avec la gamme choisie.
Des gammes plus élevées exigent plus de multiplicateurs de résistance en vue d'accroître la résistance du voltmètre pour une charge moindre.
À titre d'exemple, un appareil de 20 000 ohms par volt utilisé dans la gamme de 250 V a une résistance interne de 20 000 x 250, ou 5 MΩ.
Cependant, dans la gamme de 2,5 V, ce même appareil présente une résistance Rv de 20 000 x 2,5 qui n'est que de 50 000 Ω.
Ainsi, dans chacune des gammes, la résistance du voltmètre est constante, que la lecture corresponde à la déviation maximale ou partielle seulement, du fait que la résistance du multiplicateur déterminée par le commutateur de gammes est la même quelle que soit l'indication sur la gamme choisie.
Correction de l'effet de charge
La relation suivante peut être appliquée:
Lecture réelle + Correction
(7.4)
La lecture corrigée qu'afficherait le voltmètre si sa résistance était infiniment élevée est V; VM est la tension réellement lue; R1 et R2 sont les résistances formant un diviseur de tension dans le circuit en l'absence la résistance Rv du voltmètre.
À titre d'exemple, à la figure 7-14:

L'effet de charge d'un voltmètre affichant une valeur trop faible du fait que Rv est trop faible en tant que résistance mise en parallèle correspond au cas d'un ampèremètre affichant une valeur trop faible du fait de la valeur trop élevée de rM en tant que résistance montée en série.
Ces deux effets illustrent le problème d'ordre général visant à essayer d'effectuer toute mesure sans modifier le circuit objet de la mesure.
Problèmes pratiques 7.6 (réponses à la fin du chapitre)
Soit le circuit illustré à la figure 7-4.
Supposer le voltmètre branché aux bornes de R2 et calculer:
(a) V1;
(b) V2.
7.7 OHMMÈTRES
Voir aussi Convert Ammeter to Ohmmeter 50 µA Multi Range Analog Ohmmeter
Un ohmmètre est essentiellement constitué d'une pile incorporée, d'un équipage mobile et d'une résistance chutrice, comme le montre la figure 7-16.
Lorsque l'on procède à une mesure de résistance, les fils de branchement de l'ohmmètre sont reliés aux bornes de la résistance extérieure à mesurer, le circuit à contrôler étant mis hors tension, de sorte que seule la pile de l'ohmmètre fournisse le courant provoquant la déviation de l'équipage mobile.
L'intensité du courant parcourant l'appareil de mesure étant fonction de la résistance extérieure, l'échelle peut être étalonnée en ohms.
La grandeur de la déviation sur l'échelle en ohms indique directement la valeur de la résistance mesurée. L'ohmmètre dévie toujours vers le haut de l'échelle indépendamment de la polarité des fils de liaison car c'est la polarité de la pile incorporée qui détermine le sens du courant parcourant l'équipage mobile.
Circuit d'ohmmètre en série
Sur la figure 7-16a, l'élément de pile de 1,5 V engendre, dans le circuit comportant une résistance de 1500 Ω composée de R1 + rM, un courant de 1 mA qui provoque une déviation maximale du cadre mobile.
Figure 7-16 Circuit d'ohmmètre:
(a) circuit fermé équivalent lorsque les fils de l'ohmmètre sont court-circuités pour obtenir une résistance extérieure nulle;
(b) circuit dans lequel les fils de l'ohmmètre sont ouverts.

Lorsque ces composants sont logés dans un boîtier, comme en (b), le circuit série constitue un ohmmètre.
Si les fils de branchement sont mis en court-circuit ou branchés aux bornes d'un court-circuit, il circule un courant de 1 mA et l'équipage dévie vers la droite jusqu'en fin d'échelle.
L'ohmmètre indique alors une résistance nulle.
Lorsque les fils de l'ohmmètre ne sont pas branchés et ne se touchent pas l'un l'autre, le courant est nul et l'ohmmètre affiche une résistance infiniment élevée ou signale un circuit ouvert à ses bornes.
C'est pourquoi le cadran de l'appareil peut comporter le repère de zéro ohm à droite pour la déviation maximale et celui d'une résistance en ohms infinie à gauche pour une déviation nulle.
Les valeurs de résistances intermédiaires résultent d'un courant parcourant l'équipage inférieur à 1 mA. La déviation correspondante sur l'échelle en ohms indique la valeur de la résistance branchée aux bornes de l'ohmmètre.
Échelle d'ohmmètre à rétrogression
Le tableau 7-3 et la figure 7-17 illustrent l'étalonnage d'une échelle d'ohmmètre compte tenu du courant dans l'équipage.

Figure 7-17 Ohmmètre à rétrogression:
(a) circuit de l'ohmmètre en série avec une résistance externe Rx;
(b) l'échelle des ohms indique des résistances de plus en plus élevées de la droite à la gauche, car une résistance Rx plus importante diminue le courant IM. (Voir le tableau 7.3.)

Ce courant est égal à V/RT; V est la tension fixe appliquée de 1,5 V fournie par la pile incorporée. RT est la résistance totale composée de Rx et de la résistance interne de l'ohmmètre.
Notez que Rx est la résistance extérieure devant être mesurée.
La résistance interne Ri de l'ohmmètre est constante à la valeur de 50 + 1450, soit 1500 Ω dans le cas considéré.
Si, par exemple, Rx est également de 1500 Ω, RT est égal à 3000 Ω.
Le courant est alors de 1,5 V / 3000 Ω, soit 0,5 mA, provoquant une déviation à mi-échelle de l'équipage 1 m A.
De ce fait, le point milieu de l'échelle en ohms est repéré à 1500 Ω.
D'une manière analogue, il est possible de calculer pour n'importe quelle valeur de la résistance extérieure Rx l'intensité du courant et la déviation de l'équipage.
Notez que l'échelle en ohms va croissant de la droite vers la gauche. Cette disposition est dite échelle à rétrogression, les valeurs en ohms croissant vers la gauche lorsque le courant régresse de valeur correspondant à la déviation maximale.
L'échelle à rétrogression est une caractéristique de tout ohmmètre dans lequel la pile incorporée est en série avec l'équipage mobile. Dans ces conditions, plus la résistance Rx est élevée, plus le courant dans l'équipage décroît.
Une échelle à rétrogression a des graduations espacées à droite au voisinage du repère zéro ohm et serrées à gauche à proximité du repère valeur en ohms infinie.
Cette échelle non linéaire résulte de la relation 1 = V/R où V est constant à 1,5 V.
Incidemment, l'échelle à rétrogression représente la graphique de l'hyperbole de la fonction ayant comme forme y = 1/x.
La résistance la plus élevée susceptible d'être affichée par un ohmmètre est d'environ 100 fois celle de sa résistance interne totale.
C'est pourquoi le repère infini sur l'échelle en ohms, ou le symbole ∞ en «huit couché», n'est que relatif et signale simplement que la résistance mesurée est infiniment plus grande que celle de l'ohmmètre.
Par exemple, si l'on mesurait avec l'ohmmètre de la figure 7-17 une résistance en bon état de 500 000 Ω, l'appareil afficherait une résistance infinie car cet ohmmètre ne peut pas mesurer des résistances atteignant 500 000 Ω.
Pour mesurer des valeurs de résistances plus élevées, la tension de la pile peut être augmentée afin d'engendrer un courant de plus forte intensité, ou il sera nécessaire de prévoir un équipage plus sensible déviant sous l'effet d'un courant plus réduit.
Gammes d'ohmmètre multiple Les multimètres du commerce permettent des mesures de résistance allant de moins d'un ohm à plusieurs mégohms, par gammes successives.
Le commutateur de gamme sur la figure 7-18 met en évidence les facteurs de multiplication afférents à l'échelle graduée en ohms.
Figure 7-18 Échelles multiples d'un ohmmètre. Multiplier la lecture par le facteur indiqué par le commutateur de gamme.

Dans la gamme R x 1, destinée aux mesures de faibles résistances, lisez directement la valeur mentionnée sur l'échelle.
Dans l'exemple donné, l'aiguille indique 12 Ω.
Lorsque le commutateur de gamme est placé sur R x 100, multipliez par 100 la valeur relevée sur l'échelle; cette lecture serait alors de 12 x 100, soit 1200 Ω.
Dans la gamme R x 10 000, cette indication de l'aiguille correspondrait à 120 000 Ω.
Pour chacune des gammes de mesure en ohms, on donne un facteur de multiplication au lieu de la résistance correspondant à la pleine déviation car la valeur la plus élevée de résistance est, pour toutes les gammes, une valeur infinie.
Cette méthode de mesure des ohms ne devrait pas être confondue avec les valeurs de déviation maximale pour les gammes de tension.
En ce qui concerne les gammes en ohms, multipliez toujours R, la valeur lue sur l'échelle, par ce facteur.
Pour les gammes de tension, il se peut que vous ayez à multiplier ou à diviser la valeur lue sur l'échelle pour mettre en accord la tension de déviation maximale avec la valeur donnée sur le commutateur de gamme.
Circuit d'ohmmètre type
Pour les gammes de mesure de résistances élevées, il convient de disposer d'un équipage sensible afin de lire les faibles valeurs de I qu'entraînent les valeurs élevées de Rx.
Cependant, pour les cas de faibles résistances, la sensibilité peut être moindre en raison des courants plus élevés.
Cette opposition de conditions peut être résolue en utilisant un shunt d'équipage disposé aux bornes de ce dernier et en variant la résistance du shunt en fonction des gammes du multimètre.
Sur la figure 7-19, Rs constitue un tel shunt.
Figure 7-19 Circuit de voltmètre caractéristique pour l'échelle de R x 1;
(a) circuit avant réglage à zéro ohm;

(b) fils d'essais court-circuités pour obtenir le réglage à zéro ohm;

(c) mesure de la résistance externe Rx. La valeur de 12 Ω pour Rx correspond à une déviation sur la moitié de l'échelle, ainsi qu'il est indiqué sur l'échelle des ohms de la figure 7-18.

Pour analyser le circuit d'ohmmètre de la figure 7-19, trois états sont mis en évidence.
Tous sont relatifs à la gamme R x 1 avec pour Rs une valeur de 12 Ω.
La figure 7-19 (a) montre le circuit interne avant que l'ohmmètre ne soit remis à zéro.
En (b), les fils de mesure sont placés en court-circuit.
Deux trajets de dérivation sont alors offerts au courant fourni par la pile V.
L'une des dérivations est constituée par Rs. L'autre comprend Rb, Ra et l'équipage mobile.
On retrouve la tension V de 1,5 V aux bornes des deux dérivations.
Pour que le courant circulant dans l'équipage atteigne la valeur de 50 µA, la résistance Ra est réglée à 5000 Ω.
La résistance totale dans cette dérivation est alors de 23 kΩ + 5 kΩ + 2 kΩ, ce qui donne un total de 30 kΩ.
Avec cette résistance de 30 kΩ placée aux bornes de la pile de 1,5 V, le courant IM est égal à 50 µA.
Ra se trouve donc ainsi réglé pour une déviation à pleine échelle permettant une lecture zéro pour un court-circuit des fils de mesure.
En (c), supposons que la résistance Rx à mesurer soit de 12 Ω, de valeur égale à celle de Rs.
Le courant dans l'équipage atteint alors pratiquement 25 µA, correspondant à une déviation à mi-échelle.
Sur l'échelle R x 1 on lit par conséquent, pour une position médiane, une valeur de 12 Ω.
Pour des valeurs de Rx plus élevées, l'intensité dans l'équipage décroît pour afficher des résistances de plus grande valeur sur l'échelle en ohms à rétrogression.
Pour les gammes en ohms supérieures, on augmente la résistance de la dérivation Rs.
La lecture en ohms à mi-échelle pour chacune des gammes est égale à la résistance de la dérivation Rs. Il est aussi possible d'utiliser une pile de tension supérieure pour les gammes en ohms les plus élevées.
Dans toute gamme, RA est réglé de sorte qu'à pleine déviation correspondant à la mise en court-circuit des fils de mesure, on lise une valeur de zéro ohm. Cette résistance variable sert au tarage ou à la remise à zéro ohm.
Réglage de remise à zéro ohm
Pour compenser une tension faible par suite du vieillissement de la pile, un ohmmètre comporte une résistance variable telle que RA sur la figure 7-19 pour étalonner l'échelle en ohms.
Un ohmmètre à rétrogression est toujours taré pour la valeur zéro ohm. Les fils de mesure étant mis en court-circuit, variez le réglage de remise à zéro ohm sur le panneau frontal de l'appareil jusqu'à ce que l'aiguille coïncide exactement avec le repère zéro au bord droit de l'échelle graduée en ohms.
Les lectures en ohms sont alors précises sur toute l'étendue de l'échelle.
Ce type d'ohmmètre demande une remise à zéro chaque fois que l'on change de gamme parce que le circuit interne a changé.
Lorsque ce réglage ne permet pas de déviation de l'aiguille suffisante pour l'amener au bord droit du point zéro, cela signale habituellement que la tension de la source est trop faible et qu'il y a lieu de remplacer la pile incorporée.
Normalement, cette panne apparaît en premier sur la gamme R x 1 qui prélève de la pile l'intensité la plus élevée.
Sur la figure 7-20, on peut voir la pile de l'ohmmètre dans une appareil classique du type VOM.
Figure 7-20 Appareil de mesure combiné volts-ohms-milliampères montré avec son capot retiré permettant de voir les shunts, les résistances multiplicatrices et les piles lui permettant d'agir comme ohmmètre. La pile séparée de 7,5 V sert aux gammes résistances élevées. {Modèle Tripplet 630)

Circuit d'ohmmètre shunt
Dans ce circuit, la pile incorporée, l'équipage mobile et la résistance extérieure Rx sont montés dans trois branches en parallèle.
Le principal avantage est de disposer d'une échelle pour faibles valeurs d'ohms se lisant de gauche à droite.
Cependant, le circuit d'ohmmètre shunt est rarement utilisé en raison du courant constant soutiré de la pile incorporée.
Caractéristiques de l'ohmmètre en série
II se distingue par les points suivants:
1. Le circuit comprend une pile incorporée et une résistance variable RA de commande du tarage montée en série avec l'équipage mobile.
2. L'échelle à rétrogression présente une graduation zéro ohm à sa limite droite correspondant au courant IM de déviation maximale et une graduation de valeur en ohms inférieure à sa limite gauche correspondant à une valeur nulle du courant IM.
3. Mettez en court-circuit les fils de mesure et réglez RA pour une lecture zéro ohm. Ce tarage doit être modifié pour chacune des gammes de l'ohmmètre du fait que la valeur de RA nécessaire pour que circule le courant lM de déviation maximale est différente.
4. On obtient les gammes de mesure de faibles valeurs en ohms en diminuant la sensibilité avec un shunt. On passe aux gammes de fortes valeurs en ohms en augmentant la sensibilité de l'équipage et en utilisant une pile de plus forte tension.
Problèmes pratiques 7.7 (réponses à la fin du chapitre)
(a) Un ohmmètre indique 40 Ω, sur la gamme R x 10. Calculer Rx.
(b) Un voltmètre indique 40 V sur l'échelle 300 V, le sélecteur de gammes étant à la position 30 V. Calculer la tension mesurée.
7.8 MULTIMÈTRES

Voir aussi : Le Multimètre et Comment utiliser un multimètre
Les deux principaux modèles sont le volt-ohm-milliampèremètre (VOM) à la figure 7-21, le voltmètre à tubes à vide (VTVM) à la figure 7-22, et le multimètre numérique illustré à la figure 7-23.
Figure 7-21 Vue de face d'un VOM courant de 180 mm de hauteur. Remarquer les positions des commutateurs de gauche pour la pince ampèremétrique et du haut pour les résistances à faible alimentation. {Simpson modèle 260)

Figure 7-22 Voltmètre à tubes caractéristique. Le commutateur de gamme se trouve sur la gauche. Le commutateur de sélection se trouve sur la droite. Le réglage du zéro de gauche est pour le voltmètre, le réglage des résistances est à droite. (RCA modèle WV 98C)

Figure 7-23 Voltmètre-ohmmètre numérique. (Hewlett Packard)

Le tableau 7-4 compare les caractéristiques du VOM à celles du VTVM, la section suivante décrit en détail le multimètre numérique.
Tableau 7-4 Comparaison des modèles VOM et VTVM

L'utilisation d'un appareil de mesure numérique est en réalité semblable à celle d'un VTVM, son affichage numérique offre toutefois une lecture plus aisée et sans erreurs.
Le VOM est probablement le multimètre le plus utilisé. Il se distingue par sa compacité, sa simplicité. On peut, de plus, l'utiliser loin de toute source, car la seule alimentation dont il a besoin comme ohmmètre lui est fournie par sa pile interne.
Le VTVM requiert une alimentation interne car son cadre mobile est dans un circuit en pont avec amplificateur. Il peut comporter des transistors au lieu de tubes, mais l'unité doit être reliée au secteur ou être munie d'une pile.
Sa résistance d'entrée élevée, habituellement de 11 MΩ sur toutes les gammes de tensions continues, constitue son principal avantage. Dans les modèles à transistors, toutefois, les résistances à mesurer sont ordinairement dans la gamme des kΩ ou moins.
Le VTVM présente également des gammes de résistances très élevées, puisque le circuit du voltmètre sert, à l'aide d'une pile interne, pour la fonction ohmmètre. Le VTVM ne peut cependant mesurer les courants, du fait de sa grande résistance d'entrée.
Le VOM mesure le courant continu, mais ne mesure pas le courant alternatif. En général, la mesure des courants alternatifs exige un cadre mobile pour courant alternatif ou une sonde à pince.
Tous les multimètres mesurent facilement les tensions alternatives, parce que la tension alternative à mesurer est redressée afin de fournir une tension continue à l'appareil de mesure.
Tant pour les VOM que pour les VTVM, il importe d'avoir une échelle pour les tensions faibles de 1 V ou moins à pleine échelle.
Cette gamme est nécessaire pour mesurer les tensions de polarisation continues variant de 0,2 à 0,6 V dans les circuits à transistors.
Résistances de faible puissance Un ohm-mètre dont la tension de pile n'est pas suffisante pour polariser la jonction d'un semi-conducteur à l'état passant est tout indiqué pour les circuits à transistors. La limite de tension est de 0,2 V ou moins.
La tension à vide du VOM illustré à la figure 7-21 est de 0,1 V sur les gammes des résistances de faible puissance qui suivent aussi les gammes des faibles résistances R x 1 et R x 10. Les gammes de résistances élevées requièrent une pile à tension plus forte.
Échelle des décibels
La plupart des multimètres présentent une échelle de tensions alternatives étalonnée en décibels (dB) destinée à la mesure des signaux alternatifs.
Le décibel est une unité de comparaison des niveaux des puissances ou des tensions. Le repère 0 dB sur cette échelle est le niveau de référence, habituellement 0,775 V pour 1 mW appliqué aux bornes d'une résistance de 600 Ω.
Les valeurs en dB positives supérieures au repère 0 indiquent des tensions alternatives plus grandes que 0,775 V, tandis que les valeurs en dB négatives sont inférieures au niveau de référence.
Sonde à pince ampèremétrique
La nécessité d'ouvrir un circuit pour mesurer I peut être éliminée en utilisant une pince qui entoure le conducteur dans lequel circule le courant à mesurer.
La pince illustrée à la figure 7-24 est une sonde accessoire s'adaptant au VOM de la figure 7-21. Cette sonde ne mesure que les courants alternatifs. On s'en sert généralement pour les secteurs à 60 Hz.
Figure 7-24 Pince ampèremétrique s'adaptant au VOM de la figure 7-21. (Simpson Electric Company)

Sonde de hautes tensions
La sonde illustrée à la figure 7-25 peut être utilisée avec un multimètre pour mesurer les tensions continues jusqu'à 30 kV.
Figure 7-25 Sonde de hautes tensions pour VOM. (Triplett Corp.)

Une de ses applications est la mesure de la tension anodique de 20 à 30 kV du tube image d'un téléviseur. Cette sonde n'est en fait qu'une simple résistance multiplicatrice externe au voltmètre.
La résistance R requise pour une sonde de 30 kV est, pour la gamme de 1000 V d'un voltmètre de sensibilité 20 kΩ/V, de 580 MΩ.
Problèmes pratiques 7.8 (réponses à la fin du chapitre)
(a) Quel type de multimètre est simple, portatif et bon marché?
(b) Quelle est la valeur habituelle de la résistance d'entrée d'un VTVM, quelle que soit la gamme de tension continue utilisée?
7.9 APPAREILS DE MESURE NUMÉRIQUES
Ces appareils sont très appréciés et répandus car leurs indications numériques, comprenant la virgule décimale, la polarité et les unités sont automatiquement affichées (figure 7-23).
L'appareil de mesure conventionnel à aiguille est un appareil analogique pour préciser que sa déviation correspond directement à la grandeur mesurée.
Les appareils numériques sont d'une utilisation beaucoup plus facile, principalement parce qu'ils diminuent l'erreur humaine survenant souvent lors de la lecture de différentes échelles d'un appareil analogique.
La figure 7-23 représente un petit modèle portable de VOM. La plupart des appareils numériques sont cependant plus volumineux que les appareils analogiques.
La figure 7-26 représente le schéma fonction d'un VOM numérique.
Figure 7-26 Fonctions de base d'un multimètre numérique pour tensions et résistances.

Tout d'abord, l'entrée doit être mise sous une forme répondant aux exigences du convertisseur analogique-numérique.
En guise d'exemple, la gamme des tensions continues de 0 à 1 V peut être requise par le circuit de conversion numérique.
Une tension alternative d'entrée est transformée en une tension continue.
Pour la mesure d'une résistance, une alimentation continue transforme la valeur de R en une valeur de tension IR.
Les tensions continues trop élevées sont abaissées à une valeur comprise entre 0 et 1 V.
Les tensions continues trop faibles sont amplifiées par un amplificateur à courant continu.
Cette tension de commande peut alors être comparée à une tension de référence fixe dans l'appareil de mesure. La résistance d'entrée pour la gamme de tensions continues est de 10 MΩ.
Voici quelques exemples de lecture numérique:
-4,92 ou+ 4,92 V continus, 250 V alternatifs et 397 Ω pour l'ohmmètre.
Le nombre de «9» pouvant être affichés caractérise le nombre de chiffres d'un appareil de mesure numérique. L'affichage se fait généralement par des diodes électroluminescentes.
Le convertisseur analogique-numérique possède un générateur de signaux d'horloge, dont le rôle est de produire les impulsions de synchronisation et un circuit compteur d'impulsions.
Le cerveau de l'appareil numérique est un module logique numérique spécifique au CI.
L'entrée du CI est constituée d'impulsions de synchronisation en provenance de l'horloge, et de la tension en provenance du circuit comparant l'entrée de l'appareil à la tension de référence. La sortie du CI attaque l'unité d'affichage numérique.
Problèmes pratiques 7.9 (réponses à la fin du chapitre)
Répondre par vrai ou faux:
(a) Dans un VOM numérique et dans un VTVM analogique, la valeur de R à mesurer est convertie en une tension IR;
(b) Un convertisseur analogique-numérique possède un circuit d'horloge dont le rôle est de générer des impulsions de synchronisation.
7.10 APPLICATIONS DES APPAREILS DE MESURE
Le tableau 7-5 résume les points essentiels dont il convient de se souvenir pour savoir quand utiliser un voltmètre, un ohmmètre ou un milliampèremètre.

Ces règles s'appliquent tant à un appareil simple ou monofonctionnel qu'à un multimètre. Les essais de tensions et de courants s'appliquent aux circuits à courant continu et aux circuits à courant alternatif.
Pour éviter qu'un courant excessif ne circule dans l'équipage mobile, il est recommandé de commencer par une gamme élevée lorsqu'on mesure la valeur inconnue d'une tension ou d'un courant.
Il est primordial de ne pas commettre l'erreur de brancher un ampèremètre en parallèle car généralement l'appareil se trouve détruit. L'erreur consistant à insérer un voltmètre en série n'endommage pas l'appareil mais la lecture est fausse.
Si l'ohmmètre est raccordé à un circuit demeuré sous tension, l'appareil peut être endommagé en plus de fournir une indication erronée.
Un ohmmètre possède sa propre pile interne, il faut donc couper l'alimentation du circuit à mesurer.
Branchement d'un ampèremètre dans un circuit
Dans un circuit mixte, l'ampèremètre doit être inséré dans une dérivation pour lire le courant qui y circule. Dans le conducteur principal, l'appareil mesure la valeur du courant total.
Ces différents branchements sont illustrés à la figure 7-27.
Figure 7-27 Montage d'un ampèremètre dans un circuit mixte.
En a, b, ou c, l'appareil de mesure indique le courant de ligne total IT; en d ou en e, l'appareil de mesure indique le courant I2 dans la branche R2; en f ou en g, l'appareil de mesure indique le courant I3 dans la branche R3.

Les appareils de mesure sont en traits pointillés pour montrer les emplacements auxquels ils pourraient être branchés afin de lire les courants correspondants.
Si le circuit est interrompu au point a pour y insérer l'appareil en série dans ce tronçon du conducteur principal, l'appareil lira la valeur du courant de ligne total à travers R1 Placé en b ou en c, un appareil lirait la même valeur du courant en ligne.
Pour mesurer le courant dérivé à travers la résistance R2, cette dernière doit être débranchée à l'une quelconque de ses extrémités de sa jonction avec le conducteur principal.
Inséré en d ou en e, un appareil lira donc le courant dérivé I2 à travers R2. De même, un appareil placé en f ou en g lira le courant I3 dans la dérivation contenant R3.
Calcul de la valeur de I à partir de la tension mesurée L'inconvénient lié à l'interruption d'un circuit pour la mesure du courant peut souvent être éliminé en appliquant la loi d'Ohm.
La tension et la résistance peuvent être mesurées sans qu'il soit besoin d'ouvrir le circuit et le courant est calculé comme égal à V/R.
Dans l'exemple de la figure 7-28, si la tension aux bornes de R2 est de 15 V et que la résistance de R2 est de 15 Ω, le courant à travers R2 doit être de 1 A.
Figure 7-28 Lorsque l'on mesure une tension de 15 V aux bornes de la résistance de 15 Ω, le courant vaut V/R = 1 A.

Lorsque l'on contrôle des valeurs au cours d'un dépannage, si la tension et la résistance sont trouvées normales, le courant l'est également.
Cette technique peut également s'avérer commode pour déterminer la valeur de I dans les circuits à faible résistance pour lesquels la résistance d'un microampèremètre pourrait être trop importante.
Au lieu de mesurer I, mesurez V et R pour calculer I en tant que V/R.
Par ailleurs, si besoin est, on peut insérer une résistance de valeur connue Rs en série dans le circuit, temporairement, simplement pour mesurer la valeur de Vs. Le courant I/ est alors égal à Vs/Rs.
Cependant, la résistance de Rs doit être assez faible pour avoir peu d'effet sur RT et la valeur de I dans le circuit série.
Cette technique est souvent utilisée avec les oscilloscopes afin de produire une forme d'onde de tension égale à IR. Cette forme d'onde a la même allure que celle du courant dans la résistance. L'oscilloscope peut être branché de la même façon qu'un voltmètre du fait de sa grande résistance d'entrée.
Vérification des fusibles
Débrancher l'alimentation ou retirer du circuit le fusible à vérifier à l'aide d'un ohmmètre. Un fusible en bon état indique 0 Ω. Un fusible fondu est ouvert, l'ohmmètre indiquera donc une résistance infinie.
Il est également possible de vérifier l'état d'un fusible d'un circuit sous tension en se servant d'un voltmètre.
Pour cela, connecter le voltmètre entre les deux bornes du fusible. Un fusible en bon état donnera une indication de 0 V parce que sa chute de tension IR est pratiquement nulle.
Par contre, si le fusible est ouvert, le voltmètre indiquera une valeur égale à la pleine valeur de la tension appliquée. Ce dernier fait ne constitue cependant pas une bonne performance pour le fusible.
Essais de tensions sur un circuit ouvert
La figure 7-29 illustre quatre résistances en série avec une source de 100 V.
Figure 7-29 Essais de tension afin de déceler une coupure de circuit. La résistance R3 est normalement de 10 Ω. La lecture de 0 V au point D indique que la résistance R3 est coupée.

Cette figure fait apparaître l'usage d'un retour par la masse car, d'ordinaire, les mesures de tension sont effectuées par rapport à la masse du châssis.
Chaque résistance aurait normalement une chute de tension IR de 25 V.
Un voltmètre branché entre B et la masse indiquerait donc 100 - 25 = 75 V.
De la même façon, la tension en C serait de 50 V et celle en D de 25 V.
Le circuit présente, dans le cas présent, une coupure en R3, vers la fin de la chaîne des tensions en série par rapport à la masse.
La lecture de la mesure de la tension en B est de 100 V, soit la valeur de la tension appliquée elle-même. Cette pleine tension en B indique que le circuit est ouvert puisqu'il n'y a aucune chute de tension IR aux bornes de R1.
Le problème est de savoir quelle résistance est ouverte.
Pour cela, il suffit de continuer à effectuer les mesures de tension par rapport à la masse jusqu'au moment où l'on aura 0 V.
Dans cet exemple, la coupure est en R3, entre les 100 V relevés en C et la valeur 0 V relevée en D.
Les points auxquels la pleine tension est appliquée ont un chemin de retour à la source de tension. Le circuit est donc ouvert entre les points C et D de la figure 7-29.
Problèmes pratiques 7.10 (réponses à la fin du chapitre)
(a) Quel type d'appareil de mesure requiert une pile incorporée?
(b) Quelle est la tension normale entre les bornes d'un fusible en bon état?
7.11 VÉRIFICATION DE LA CONTINUITÉ AVEC UN OHMMÈTRE
Un fil conducteur qui est continu sans coupure a une résistance en ohms pratiquement nulle. L'ohmmètre peut donc être utile pour vérifier la continuité.
Cet essai doit être effectué sur la gamme en ohms la plus basse. Il y a de nombreuses applications. Un fil conducteur peut présenter une coupure interne non visible par suite du revêtement isolant, ou le fil peut avoir un mauvais contact au niveau de la borne.
En vérifiant qu'entre deux points quelconques pris le long d'un conducteur la résistance mesurée est zéro ohm, on contrôle la continuité. Une coupure du trajet conducteur est mise en évidence par une lecture de résistance infinie, montrant un circuit ouvert.
Comme autre exemple de vérification de continuité, supposez qu'il y ait un câble de fils rassemblés comme le montre la figure 7-30 dont les différents fils ne sont pas visibles, mais où l'on désire trouver le fil qui est branché à la borne A.
Figure 7-30 La liaison de A à 3 indique que ce fil est relié à la borne A.

On y parvient en vérifiant la continuité de chaque conducteur par rapport au point A.
Le fil présentant une résistance de zéro ohm par rapport à A est celui relié à cette borne. Souvent les différents fils sont colorés selon un code mais il peut s'avérer nécessaire de vérifier la continuité de chacun d'eux.
Une technique additionnelle qui peut être d'utilité est illustrée à la figure 7-31.
Figure 7-31 Court-circuitage temporaire à l'extrémité d'une longue ligne à deux conducteurs pour vérifier la continuité à partir de l'extrémité opposée.

Dans ce cas, on désire vérifier la continuité de la ligne bifilaire mais ses extrémités sont trop éloignées l'une de l'autre pour que les fils de mesure de l'ohmmètre puissent les atteindre. Les deux conducteurs sont alors temporairement court-circuités à l'une des extrémités de sorte que la continuité puisse être vérifiée à l'autre.
En résumé, l'ohmmètre sert à vérifier la continuité de tout fil conducteur. Cette vérification inclut celle d'éléments chauffants à fil résistant tels que les fils d'un grille-pain ou le filament d'une lampe à incandescence. Leur résistance à froid n'est que de quelques ohms.
Une résistance infinie signale que l'élément de fil est coupé. De même, un bon fusible a une résistance pratiquement nulle; un fusible qui a grillé a une résistance infinie, ce qui montre qu'il est coupé.
De la même façon, une bobine de transformateur, de solénoïde ou de moteur, présentera une résistance infinie si son enroulement est ouvert.
Problèmes pratiques 7.11 (réponses à la fin du chapitre)
(a) Considérer l'échelle à rétrogression d'un ohmmètre. Le repère 0 Cl est-il à son extrémité droite ou gauche?
(b) Qu'indiquera un ohmmètre branché aux bornes d'une coupure?
Résumé
1. Le courant continu circulant dans un cadre mobile fait dévier la bobine de façon proportionnelle à l'intensité du courant.
2. Un ampèremètre est un appareil de mesure à faible résistance monté en série pour lire l'intensité du courant dans le circuit.
3. Un shunt Rs d'appareil de mesure branché en parallèle avec le cadre mobile élargit la gamme d'un ampèremètre [voir formule (7.1)].
4. Un voltmètre se compose d'un équipage mobile en série avec un multiplicateur à haute résistance. Le voltmètre avec son multiplicateur est branché en deux points pour mesurer leur différence de potentiel en volts. Le multiplicateur R peut être calculé à partir de la formule (7.3).
5. La caractéristique ohms par volt d'un voltmètre avec des multiplicateurs montés en série définit la sensibilité à toutes les gammes de tension. Cette sensibilité est égale à l'inverse du courant de déviation maximale de l'appareil. Une valeur classique est de 20 000 Ω/ V pour un voltmètre utilisant un cadre admettant 50 µA. Plus la caractéristique ohms par volt est élevée et mieux cela vaut.
6. La résistance Rv du voltmètre croît avec les gammes supérieures du fait de la résistance plus élevée des multiplicateurs. Pour calculer Rv, multipliez la caractéristique ohms par volt par la gamme de tension.
7. Un ohmmètre est constitué d'une pile incorporée en série avec l'équipage mobile. Le circuit à vérifier avec un ohmmètre doit être mis hors tension.
L'ohmmètre en série a une échelle à rétrogression, la valeur zéro ohm étant à la limite droite et la valeur infinie à la limite gauche de cette échelle. Tarez à zéro ohm, les fils de mesure étant mis en court-circuit, chaque fois que l'on passe à une autre gamme de mesure en ohms.
8. Le VOM (figure 7-21) est un multimètre portatif pouvant mesurer les tensions, les résistances et les milliampères.
9. L'appareil VTVM (figure 7-22) est un multimètre présentant une résistance élevée de 11 MΩ pour toutes les gammes de tensions continues de sorte qu'il ne se produit pratiquement pas d'effet de charge. De même, ses gammes de mesure de résistances élevées permettent des lectures jusqu'à 1000 MΩ.
10. Le VOM numérique (figure 7-25) présente généralement une résistance d'entrée de 10 MΩ pour toutes les gammes de tensions continues.
11. Quand on vérifie des fils conducteurs, l'ohmmètre affiche zéro ohm ou une très faible résistance pour la continuité normale et une valeur infinie pour une coupure.
Exercices de contrôle
(Réponses aux exercices de contrôle
Voici un moyen de contrôler si vous avez, bien assimilé le contenu de ce chapitre. Ces exercices sont uniquement destinés à vous évaluer vous-même.
Choisir (a), (b), (c) ou (d).
1. Pour brancher un ampèremètre en série:
(a) ouvrez le circuit en un point et utilisez l'appareil de mesure pour compléter le circuit;
(b) ouvrez le circuit aux bornes positive et négative de la source de tension;
(c) court-circuitez la résistance à vérifier et branchez l'appareil à ses bornes;
(d) ouvrez le circuit en un point et branchez l'appareil à l'une des extrémités.
2. Pour brancher un voltmètre en parallèle afin de lire une chute de tension IR:
(a) ouvrez le circuit à une extrémité et utilisez l'appareil pour compléter le circuit;
(b) ouvrez le circuit en deux points et branchez l'appareil entre ces deux points;
(c) laissez le circuit dans cet état et branchez l'appareil aux bornes de la résistance;
(d) laissez le circuit fermé mais débranchez la source de tension.
3. Un shunt pour un milliampèremètre:
(a) élargit la gamme et réduit la résistance de l'appareil;
(b) élargit la gamme et augmente la résistance de l'appareil;
(c) rétrécit la gamme et diminue la résistance de l'appareil;
(d) rétrécit la gamme mais augmente la résistance de l'appareil.
4. Pour un équipage mobile admettant 50 µA avec une valeur pour rM de 2000 Ω, la tension VM correspondant à la pleine déviation est:
(a) 0,1 V; (b) 0,2 V; (c) 0,5 V (d) 250 µV.
5. Un voltmètre mettant en oeuvre un équipage mobile admettant 20 µA a une sensibilité de:
(a) 1000 Ω/V; (b) 20 000 Ω/V; (c)50 000 Ω/V; (d) 11 Ω/V.
6. Lorsqu'on utilise un ohmmètre, on débranche la tension du circuit à vérifier parce que:
(a) la source de tension augmentera la résistance;
(b) le courant diminuera la résistance;
(c) l'ohmmètre dispose de sa propre pile incorporée;
(d) il n'y a pas besoin de courant pour l'équipage mobile.
7. Un multiplicateur pour voltmètre est:
(a) une résistance élevée en série avec l'équipage mobile;
(b) une résistance élevée en parallèle avec l'équipage mobile;
(c) généralement une résistance de moins de un ohm en série avec l'équipage mobile;
(d) généralement une résistance de moins de un ohm en parallèle avec l'équipage mobile.
8. Pour doubler la gamme de mesure de courant d'un équipage mobile admettant 50 µA et de 2000 Ω, la résistance shunt a une valeur de:
(a) 40 Ω; (b) 50 Ω; (c) 2000 Ω; (d) 18 000 Ω.
9. Un appareil VOM avec un équipage admettant 50 µA a une résistance d'entrée de 6 MΩ dans une gamme de tension continue de:
(a) 3; (b) 12; (c) 60; (d) 300.
10. Pour une gamme de 1 V, un équipage admettant 50 µA et d'une résistance interne de 2000 Ω demande une résistance multiplicatrice de:
(a) 1 kΩ; (b) 3 kΩ; (c) 18 kΩ; (d) 50 kΩ
Questions
1. (a) Pourquoi un milliampèremètre est-il branché en série dans un circuit? (
b) Pourquoi le milliampèremètre doit-il avoir une faible résistance?
2. (a) Pourquoi un voltmètre est-il branché en parallèle dans un circuit?
(b) Pourquoi le voltmètre doit-il avoir une résistance élevée?
3. Un circuit comporte une pile aux bornes de deux résistances en série,
(a) Dessinez un schéma montrant comment brancher un milliampèremètre avec la polarité correcte pour lire le courant passant par la jonction des deux résistances,
(b) Dessinez un schéma montrant comment brancher un voltmètre en respectant la polarité pour lire la tension aux bornes de l'une des résistances.
4. Expliquez succinctement pourquoi un shunt d'appareil égal à la résistance du cadre mobile double la gamme de lecture d'intensité du courant.
5. Décrivez comment régler le tarage à zéro d'un ohmmètre à rétrogression.
6. Décrivez comment régler la remise à zéro volt et comment tarer à zéro ohm sur un appareil VTVM.
7. Donner deux avantages du VOM numérique illustré à la figure 7-23 sur le VOM conventionnel de la figure 7-21.
8. Décrire le rôle du réglage tarage à zéro d'un ohmmètre à rétrogression.
9. Énoncez deux précautions à observer quand on utilise un milliampèremètre.
10. Énoncez deux précautions à observer quand on utilise un ohmmètre.
11. La résistance Rv d'un voltmètre est de 300 kΩ à la gamme de 300 V lorsqu'on mesure 300 V.
Pourquoi Rv est-il toujours égal à 300 kΩ quand on mesure 250 V sur la même gamme?
12. Dessinez de nouveau le schéma synoptique de la figure 5-1b du chapitre 5, montrant un milliampèremètre destiné à lire le courant en ligne à travers R1 et R2, un appareil pour le courant dérivé R3 et un appareil pour le courant dérivé R4.
Marquez les polarités sur chacun des appareils.
Problèmes
(Réponses aux problèmes de numéro impair )
1. Calculez la résistance shunt nécessaire pour élargir la gamme d'un équipage de 50 Ω admettant 1 mA à:
(a) 2 mA; (b) 10 mA; (c) 100 mA;
(d) dans chacun des cas, quelle est la valeur du courant affiché par la déviation à mi-échelle?
2. Avec un équipage 50 Ω et 1 mA, calculez les résistances multiplicatrices nécessaires pour les gammes de :
(a) 10 V; (b) 30 V; (c) 100 V; (d) 300 V.
Quelle est, pour chaque gamme, la valeur de la tension affichée par une déviation à mi-échelle?
3. Un voltmètre lit 30 V aux bornes d'une résistance de 100 Ω.
Quelle est la valeur du courant dans la résistance?
Si la valeur du courant à travers la même résistance était doublée, quelle serait la valeur de sa tension IR?
4. Un voltmètre a une sensibilité de 10 000 Ω/V à toutes les gammes,
(a) Quelle est la valeur de la résistance totale du voltmètre dans la gamme de 5 V?
(b) dans celle de 50 V?
(c) dans celle de 500 V?
(d) Quelle est la valeur de la résistance du voltmètre pour une lecture de 225 V sur la gamme de 500 V?
5. Un équipage mobile admettant 50 µA a une résistance interne de 1000 Ω.
(a) Calculez la résistance multiplicatrice nécessaire pour des gammes de voltmètre de 10 V, 30 V et 500 V.
(b) Quelle est la sensibilité en ohms par volt sur toutes les gammes?
(c) Quelle est la valeur de la résistance du voltmètre dans la gamme de 500 V?
6. Pour le même équipage que celui du problème 5, calculez la résistance shunt nécessaire pour des gammes d'intensité de courant de 10 m A, 30 m A et 500 m A.
Quelle est la valeur de la résistance de l'appareil avec son shunt dans chacune des gammes? (Notez que 1 mA = 1000µA.)
7. En vous reportant au shunt universel de la figure 7-9,
calculez les valeurs requises de R1; R2 et R3 pour un équipage de 2000 Ω admettant 50 µA afin qu'il fournisse des gammes de mesure de courant de 1,2 mA, 12 mÀ et 120 mA.
8. En vous référant au problème de l'effet de charge d'un voltmètre à la figure 7-14, quelle serait la valeur exacte de la tension affichée par un appareil de 20 000 ohms par volt placé sur sa gamme de 100 V?
9. Reportez-vous à l'ohmmètre de la figure 7-17.
Supposez que l'équipage est shunté pour devenir un appareil susceptible de mesurer 10 mA.
(a) Calculez la valeur de Rx qui serait nécessaire pour la déviation à pleine échelle, les fils de mesure de l'ohmmètre étant court-circuités.
(b) Quelle serait la lecture à mi-échelle sur l'échelle en ohms?
10. Reportez-vous à la figure 7-13.
(a) Quelle est la valeur de la résistance totale du voltmètre si on utilise la prise 5000 V, le commutateur de gammes étant sur la position 1000 V?
(b) Quelle est la valeur de la sensibilité en ohms par volt?
(c) Pourquoi le commutateur de gammes doit-il être placé sur 1000 V?
11. Soit le circuit de la figure 7-14.
Si le voltmètre était branché aux bornes de R1 au lieu d'être à celles de R2, quelles seraient les valeurs de V1 et de V2?
