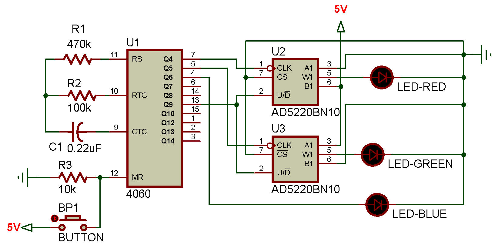
RGB controller 4060

Circuits Divers / Various Circuits

CD4060 - A Binary Counter With a Built-In Oscillator

4060 - AD5220BN10