CD4060 - A Binary Counter With a Built-In Oscillator
Circuits Divers / Various Circuits
4060 32.768 KHz Crystal Effect

|
Le CD4060 est une puce CMOS avec un compteur binaire et un oscillateur
inclus. Il peut être utilisé pour produire des retards sélectionnables ou pour créer des signaux de différentes fréquences. En effet, il possède un module oscillateur intégré qui ne nécessite que quelques composants électroniques passifs. À partir de seulement deux résistances et un condensateur, il peut créer 10 fréquences différentes. Cela en fait une puce très intéressante, notamment pour ceux qui s'intéressent à l'audio et aux synthétiseurs. |
The CD4060 is a CMOS chip with a binary counter and oscillator included.
It can be used to produce selectable time delays or to create signals of different frequencies. This is because it has a built-in oscillator module that only requires a few passive electronic components. From only two resistors and one capacitor it can create 10 different frequencies. That makes it a very interesting chip, especially for those interested in audio and synthesizers. |
|
Qu'est-ce qu'un compteur binaire avec oscillateur ? Un compteur d'ondulations binaire est un circuit composé de bascules D en série. La sortie de l’un est connectée à l’entrée CLK du suivant. L'entrée CLK de la bascule de gauche est l'entrée du compteur. |
What is a Binary Counter with Oscillator? A binary ripple counter is a circuit made up of D flip-flops in series. The output of one is connected to the CLK input of the next. The CLK input of the flip-flop on the left is the counter input. |
|
Au lieu de seulement quatre bascules comme dans l'exemple ci-dessus, le
CD4060 dispose de 14 bascules en série. Cela signifie qu'il peut compter jusqu'à 16 383 (la valeur maximale de 14 bits). Il dispose également d'un oscillateur intégré qui permet de créer une impulsion d'horloge pour augmenter automatiquement le compteur. Cela fait du CD4060 un circuit de minuterie qui peut être utilisé pour choisir entre différents délais (ou fréquences), en fonction de la sortie Q que vous utilisez. Par exemple, si vous choisissez des valeurs pour la résistance et le condensateur de manière à ce que l'oscillateur crée une impulsion d'horloge de 1 Hz, cela signifie qu'il augmentera le compteur toutes les secondes. Ainsi, pour un délai de 8 secondes, vous pouvez utiliser la sortie Q4. Ou pour un délai de 2 heures et 16 minutes (8192 secondes), vous pouvez utiliser la sortie Q14. |
Instead of just four flip-flops like in the example above, the CD4060
has 14 flip-flops in series. This means it can count up to 16383 (the maximum value of 14 bits). It also has a built-in oscillator that makes it possible to create a clock pulse to automatically increase the counter. This makes the CD4060 a timer circuit that can be used to select between different time delays (or frequencies), depending on which Q-output you use. For example, if you choose values for the resistor and capacitor so that the oscillator creates a clock pulse of 1 Hz, it means it will increase the counter every second. So for an 8-second delay, you can use output Q4. Or for a delay of 2 hours and 16 minutes (8192 seconds), you can use output Q14. |
4060 Pinout![]() |
|
|
Les sorties manquantes Q0, Q1, Q2, Q3, Q11 Pour une raison quelconque, le CD4060 ne dispose pas des sorties Q0 à Q3 et Q11. L'impulsion d'entrée est comptée comme Q0. Mais qu’en est-il des Q1, Q3 et Q11 ? Je n'ai trouvé aucune information officielle sur la raison pour laquelle ces sorties sont omises, mais la théorie la plus probable que j'ai lue est que le 4060 est une mise à niveau du 4040. Le 4040 avait 16 broches, ils auraient donc peut-être supprimé certains bits pour pouvoir ajouter un oscillateur et un nombre de bits plus élevé avec le même nombre de broches. |
The Missing Outputs Q0, Q1, Q2, Q3, Q11 For some reason, the CD4060 lacks the outputs Q0 to Q3 and Q11. The input pulse is counted as Q0. But what about Q1 to Q3 and Q11? I haven’t found any official info on why those outputs are omitted, but the most probable theory I’ve read is that the 4060 is an upgrade of the 4040. The 4040 had 16 pins, so they might have removed some of the bits to be able to add an oscillator and a higher bit count with the same amount of pins. |
|
Comment utiliser le CD4060 Tout d'abord, connectez la broche VDD (VSS) (16) à votre borne d'alimentation positive et la broche GND (8) et Reset (12) à votre borne d'alimentation négative. Vous pouvez utiliser une tension d'alimentation comprise entre 3 V et 15 V. Certaines versions de la puce 4060 supportent jusqu'à 20 V. Consultez la fiche technique (datasheet) pour connaître les valeurs exactes. Pour activer l'oscillateur, connectez une résistance à la broche R (10), un condensateur à la broche C (9) et une résistance à la broche CLK (11), puis reliez ces trois composants à l'autre extrémité. |
How To Use The CD4060 First of all, you need to connect the VDD (VSS) pin (16) to your positive supply terminal and the GND pin (8) and Reset (12)to your negative supply terminal. You can use a power supply voltage between 3V and 15V. Although, some versions of the 4060 chip support up to 20V. Check your datasheet for exact values. To activate the oscillator, connect a resistor from the R pin (10), a capacitor from the C pin (9), and a resistor from the CLK pin (11), and connect all three of them at the other end: |
![]() |
|
|
La fréquence est donnée par la formule suivante : Fréquence f (Hz) = 1 / (2,3 * C * R) Notez que R2 doit être nettement inférieur à R1 pour que la formule soit correcte. Pour remettre le compteur à zéro, mettez la broche 12 RST (MR Reset) à l'état haut en la connectant à VDD (VSS). Normalement, cette broche doit être à l'état bas en la connectant à GND pour que la puce fonctionne. Vous pouvez ajouter un bouton poussoir et une résistance de 10K pour remettre le compteur à zéro. |
The frequency is given by this formula: Frequency f (Hz) = 1 / ( 2.3 * C * R ) Note that R2 needs to be much lower than R1 for the formula to be correct. If you want to reset the counter back to zero, use pull the RST (MR Reset) pin 12 HIGH by connecting it to VDD (VSS). Normally, you need to pull this LOW by connecting it to GND for the chip to work. You can add a push button and a 10K resistor to reset the counter to zero. |
![]() |
|
|
Utilisez n'importe quelle broche Q comme sortie pour contrôler le
dispositif souhaité. Elles passent à l'état HAUT après : Q4 passe à l'état HAUT après 2³ = 8 impulsions d'horloge Q5 passe à l'état HAUT après 24 = 16 impulsions d'horloge Q6 passe à l'état HAUT après 25 = 32 impulsions d'horloge Q7 passe à l'état HAUT après 26 = 64 impulsions d'horloge Q8 passe à l'état HAUT après 27 = 128 impulsions d'horloge Q9 passe à l'état HAUT après 28 = 256 impulsions d'horloge Q10 passe à l'état HAUT après 29 = 512 impulsions Q12 passe à l'état HAUT après 211 = 2048 impulsions Q13 passe à l'état HAUT après 212 = 4096 impulsions Q14 passe à l'état HAUT après 213 = 8192 impulsions |
Use any of the Q pins as your output to control whatever you want to
control. They become HIGH after: Q4 goes HIGH after 2³ = 8 clock pulses Q5 goes HIGH after 24 = 16 clock pulses Q6 goes HIGH after 25 = 32 clock pulses Q7 goes HIGH after 26 = 64 clock pulses Q8 goes HIGH after 27 = 128 clock pulses Q9 goes HIGH after 28 = 256 clock pulses Q10 goes HIGH after 29 = 512 clock pulses Q12 goes HIGH after 211 = 2048 clock pulses Q13 goes HIGH after 212 = 4096 clock pulses Q14 goes HIGH after 213 = 8192 clock pulses |
|
Utilisation d'un cristal avec le CD4060 Vous souhaitez utiliser un cristal pour une meilleure précision ? C'est possible. Ce type d'oscillateur est appelé oscillateur Pierce. |
Using a Crystal with the CD4060 Want to use a crystal for better precision? That’s possible. This type of oscillator is called a Pierce Oscillator. |
4060 32.768 KHz
Crystal Effect![]() |
|
|
Quel cristal choisir ? Le schéma d'un oscillateur à cristal typique est présenté sur la figure. R1 est la résistance de limitation de puissance ; sa valeur dépend de la fréquence et de la stabilité requise face aux variations de VCC ou de ICC moyen. Pour amorcer et maintenir l'oscillation, une transconductance minimale est nécessaire. Supposons que vous souhaitiez utiliser le circuit intégré 4060 comme diviseur de fréquence pour obtenir 500 Hz. Quel cristal vous faut-il ? Q4 nécessite 8 impulsions d'horloge pour passer de l'état bas à l'état haut, et 8 autres pour revenir à l'état bas. Il lui faut donc 16 impulsions pour un cycle complet (période de fréquence). C'est la même chose pour chaque sortie. On peut donc l'utiliser pour trouver la fréquence théorique du cristal nécessaire pour obtenir 500 Hz à partir d'une sortie donnée : Pour Q4, il faudrait un cristal de 500 × 16 = 8 kHz. Pour Q5, il faudrait un cristal de 500 × 32 = 16 kHz. Pour Q6, il faudrait un cristal de 500 × 64 = 32 kHz. Pour Q7, il faudrait un cristal de 500 × 128 = 64 kHz. Pour Q8, il faudrait un cristal de 500 × 256 = 128 kHz. Pour Q9, il faudrait un cristal de 500 × 512 = 256 kHz. Pour Q10, il faudrait un cristal de 500 × 1024 = 512 kHz. Pour Q12, il faudrait un cristal de 500 × 4096 = 2,048 MHz. Pour Q13, il faudrait un cristal de 500 × 8192 = 4,096 MHz. Pour Q14, il faudrait un cristal de 500 × 16384 = 8,192 MHz. Ces valeurs de fréquence ne sont pas toutes disponibles pour les cristaux ; il s'agit simplement d'un exemple illustrant comment trouver des fréquences de cristal adaptées à une sortie donnée. Cependant, les fréquences de 2,048 MHz et 4,096 MHz sont assez courantes et permettent d'obtenir 500 Hz. |
What Crystal To Choose? A typical crystal oscillator schematic is shown in Figure. R1 is the power limiting resistor, its value depends on the frequency and required stability against changes in VCC or average ICC. For starting and maintaining oscillation a minimum transconductance is necessary. Let’s say you want to use the 4060 IC as a frequency divider to get 500 Hz. What crystal do you need? Q4 needs 8 clock pulses to go from low to high. And another 8 to go from high back to low again. So it needs 16 pulses for one complete cycle (frequency period). It’s the same for every output. So we can use this to find the theoretical crystal frequency you’d need to get 500 Hz from a given output: For Q4 you’d need a crystal of 500 * 16 = 8 kHz For Q5 you’d need a crystal of 500 * 32 = 16 kHz For Q6 you’d need a crystal of 500 * 64 = 32 kHz For Q7 you’d need a crystal of 500 * 128 = 64 kHz For Q8 you’d need a crystal of 500 * 256 = 128 kHz For Q9 you’d need a crystal of 500 * 512 = 256 kHz For Q10 you’d need a crystal of 500 * 1024 = 512 kHz For Q12 you’d need a crystal of 500 * 4096 = 2.048 MHz For Q13 you’d need a crystal of 500 * 8192 = 4.096 MHz For Q14 you’d need a crystal of 500 * 16384 = 8.192 MHz Not all these exist as crystal values, it’s just an example of how you can find viable crystal frequencies for a given output. But the 2.048MHz or 4.096MHz are both pretty common and will give you 500 Hz. |
|
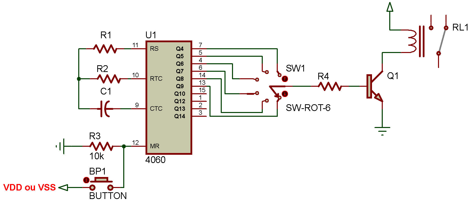
CD4060 – Minuterie réglable Voici un exemple pratique que vous pouvez réaliser avec la puce 4060 : |
CD4060 – Adjustable Timer Here’s a practical example that you can build with the 4060 chip: |
![]() |
|
|
Pour réaliser ce circuit, vous aurez besoin de : Une puce 4060, comme la CD4060BE Un commutateur rotatif à plusieurs positions (autant que souhaité) Une résistance de 100 kΩ (R2) Un condensateur de 0,22 µF (C1) Une résistance de 1 MΩ (R1) Un transistor NPN (Q1) Une résistance de 1 kΩ (R4) pour limiter le courant traversant le transistor Un relais |
To build this circuit you’ll need: A 4060 chip, such as the CD4060BE A rotary switch with as many positions as you’d like timer options A 100 kΩ resistor (R2) 0.22 µF (C1) A 1 MΩ resistor (R1) An NPN transistor (Q1) A 1kΩ resistor (R4) to limit the current through the transistor A relay |
|
Avec les valeurs choisies pour C1 et R2, on obtient une fréquence de : Fréquence f (Hz) = 1 / (2,3 * 0,00000022 F * 100 000 Ω) = 19,8 Hz On a donc environ 20 impulsions d'horloge par seconde. On peut ainsi calculer le délai avant que chaque sortie ne passe à l'état haut : |
With the chosen values for C1 and R2, you get a frequency of: Frequency f (Hz) = 1 / ( 2.3 * 0.00000022 F * 100000 Ω) = 19.8 Hz So we have about 20 clock pulses per second. And we can thereby find the time delay before each output goes high: |
|
Qn passe à l'état HAUT après : Q4 8 impulsions d'horloge = 0,4 seconde Q5 16 impulsions d'horloge = 0,8 seconde Q6 32 impulsions d'horloge = 1,6 seconde Q7 64 impulsions d'horloge = 3,2 secondes Q8 128 impulsions d'horloge = 6,4 secondes Q9 256 impulsions d'horloge = 12,8 secondes Q10 512 impulsions d'horloge = 25,6 secondes Q12 2048 impulsions d'horloge = 1 minute et 42 secondes Q13 4096 impulsions d'horloge = 3 minutes et 25 secondes Q14 8192 impulsions d'horloge = 6 minutes et 50 secondes |
Qn
goes HIGH after: Q4 8 clock pulses = 0.4 seconds Q5 16 clock pulses = 0.8 seconds Q6 32 clock pulses = 1.6 seconds Q7 64 clock pulses = 3.2 seconds Q8 128 clock pulses = 6.4 seconds Q9 256 clock pulses = 12.8 seconds Q10 512 clock pulses = 25.6 seconds Q12 2048 clock pulses = 1 minutes and 42 seconds Q13 4096 clock pulses = 3 minutes and 25 seconds Q14 8192 clock pulses = 6 minutes and 50 seconds |
|
Alternatives et équivalents pour le 4060 Vous trouverez probablement le circuit intégré 4060 sous les références suivantes : CD4060, NTE4060, MC14060, HCF4060, TC4060 ou HEF4060. Généralement avec quelques caractères supplémentaires à la fin. (Ex. : CD4060BE). Cela dépend du fabricant et de la technologie utilisée. Cependant, les fonctionnalités et le brochage restent identiques. |
Alternatives and Equivalents for 4060 You likely find the 4060 IC marked as CD4060, NTE4060, MC14060, HCF4060, TC4060, or HEF4060. Usually with a few extra characters at the end (Ex: CD4060BE). This has to do with the manufacturer of the chip and the technology used. But the functionality and the pins are the same. |
|
Si vous ne trouvez pas la puce 4060, vous pouvez essayer l'un des
circuits intégrés suivants, qui sont des alternatives avec compteur
binaire à propagation. Notez cependant que vous devrez concevoir l'oscillateur vous-même (Avec un 555): 4020 : Compteur binaire à propagation à 14 étages (sans oscillateur) 4024 : Compteur binaire à propagation à 7 étages (sans oscillateur) 4040 : Compteur binaire à propagation à 12 étages (sans oscillateur) |
If you can’t find the 4060, you could try one of the following IC
alternatives with binary ripple counter. But note that you’d have to create the oscillator yourself: (With a 555) 4020: 14-stage binary ripple counter (No oscillator) 4024: 7-stage binary ripple counter (No oscillator) 4040: 12-stage binary ripple counter (No oscillator) |
|
Ex. 555 Calcule de la Fréquence Astable du Timer 555 Métronome 01 ![]() |
|