Transformateurs triphasés
Tout comme sur les lignes monophasées, on utilise des transformateurs pour élever ou abaisser la tension des lignes triphasées.
Cette transformation peut être effectuée avec des transformateurs triphasés comportant trois enroulements primaires et trois enroulements secondaires, ou avec des montages spéciaux de transformateurs monophasés.
Avant d'interconnecter les enroulements dans un montage triphasé, il est bien important d'en connaître la polarité car une erreur de connexion peut provoquer un court-circuit ou un déséquilibre des tensions.
Lorsqu'on utilise trois transformateurs monophasés pour transformer une tension triphasée, on peut raccorder les enroulements de diverses façons.
Par exemple, les primaires peuvent être raccordés en triangle et les secondaires en étoile, ou vice versa. Il s'ensuit que le rapport de transformation entre la tension triphasée d'entrée et la tension de sortie dépend non seulement du rapport du nombre de spires, mais aussi de la manière dont les trois transformateurs sont raccordés.
Un groupe de transformateurs peut aussi produire un déphasage entre la tension triphasée d'entrée et la tension de sortie.
La valeur du déphasage dépend du rapport de transformation et de la manière dont les primaires et secondaires sont interconnectés. La possibilité de créer un déphasage avec un système triphasé permet aussi de changer le nombre de phases. Par exemple, un système triphasé peut être converti en système diphasé.
On pourrait même, au besoin, le convertir en un système à 5 phases. Pour comprendre le comportement de base d'un groupe de transformateurs triphasés, nous ferons les hypothèses suivantes:
1. Les courants d'excitation sont négligeables ;
2. Les résistances et réactances de fuite sont négligeables;
3. La puissance apparente à l'entrée du groupe est égale à la puissance apparente à la sortie.
Notons aussi que lorsqu'ils sont utilisés dans un groupe triphasé, les transformateurs monophasés conservent leurs propriétés monophasées.
C'est dire que le rapport de transformation du courant et de tension, le flux dans le noyau et la valeur de l'impédance demeurent strictement inchangés. De plus, les tensions primaire et secondaire sont en phase, en tenant compte des marques de polarité.
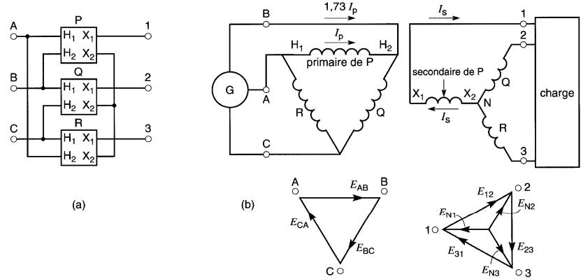
Montage triangle-triangle
Les trois transformateurs P, Q et R de la Fig. 32-1 sont montés en triangle-triangle :
Figure 32-1 Montage triangle-triangle de trois transformateurs monophasés

la borne H1 de chaque transformateur est reliée à la borne H2 du transformateur précédent; il en est ainsi des bornes X1 et X2.
Les connexions sont effectuées conformément à la disposition physique à la Fig. 32-1.
Le diagramme schématique correspondant est donné à la Fig. 32-2.
Figure 32-2 Diagramme schématique du montage triangle-triangle

Dans ce diagramme, on dispose les enroulements de façon à montrer à la fois les raccordements et le déphasage des tensions à leurs bornes.
Ainsi, les enroulements secondaires sont dessinés de façon à être parallèles aux enroulements primaires avec lesquels ils sont couplés.
De plus, si la source G produit des tensions triphasées EAB, EBC, ECA représentées sur le diagramme vectoriel, les enroulements primaires sont alors orientés de la même manière, phase par phase.
Ainsi l'enroulement entre la borne A et la borne B se dirige dans le même sens que le vecteur EAB (Fig. 32-2).
Puisque les tensions primaire et secondaire d'un même transformateur sont en phase, la tension de ligne E12 (au secondaire du transformateur P) est en phase avec la tension EAB (au primaire du même transformateur). Il en est ainsi des tensions E23 et EBC, E31 et ECA.
On constate que, dans ce montage, les tensions de ligne secondaires sont en phase avec les tensions de ligne primaires.
Si on raccorde une charge équilibrée aux fils 1-2-3, les courants secondaires sont égaux, de même que les courants primaires.
Comme pour tout montage en triangle, les courants de ligne primaires et secondaires valent respectivement 1,73 Ip et 1,73 Is, où Ip et Is sont les courants dans les enroulements primaires et secondaires (Fig. 32-2). La capacité du groupe, en kVA, vaut trois fois la capacité d'un seul transformateur.
Remarquons toutefois que, même si l'ensemble de trois transformateurs constitue un système triphasé, chaque transformateur, considéré séparément, se comporte comme s'il était placé dans un circuit monophasé.
Montage triangle-étoile
Dans un montage triangle-étoile, le groupement des enroulements primaires des trois transformateurs est identique à celui de la Fig. 32-1.
Par contre, les bornes X2 des trois secondaires sont reliées ensemble pour créer un point neutre N (Fig. 32-3).
Figure 32-3
a. Montage triangle-étoile de trois transformateurs monophasés.
b. Diagramme schématique du montage triangle-étoile.
Noter que les tensions ligne-ligne au secondaire sont déphasées de 30° en avance sur les tensions ligne-ligne au primaire

La tension primaire des transformateurs est évidemment égale à la tension entre les fils A, B et C, tandis que la tension entre les fils de ligne 1, 2 et 3 est égale à la tension secondaire de chaque transformateur, multipliée par 1,73.
Les valeurs relatives des courants sont indiquées à la Fig. 32-3b.
Le montage triangle-étoile produit un déphasage de 30° entre les tensions de ligne primaires et secondaires.
Ainsi, la tension secondaire E12 est déphasée de 30° en avance sur la tension EAB du primaire.
Si la charge n'est pas alimentée par une autre source, cela ne crée pas de problème, mais si le secondaire fait partie d'un autre réseau, ce déphasage peut ne pas être acceptable, même si le réseau impose les mêmes tensions.
Exemple 32-1
Trois transformateurs monophasés de 40 MVA, 13.2 kV/80 kV sont raccordés en triangle-étoile sur une ligne triphasée à 13,2 kV.
Une charge équilibrée de 90 MVA est appliquée au groupe.
Calculer:
a) la tension de ligne du côté secondaire
b) les courants de lime et les courants dans les enroulements
Solution
Pour résoudre ce problème, nous allons encore considérer chaque phase séparément.
La manière d'effectuer les connexions est montrée à la Fig. 32-4.
Figure 32-4 Voir exemple 32-1

a) La tension appliquée au primaire de chaque transi formateur est évidemment 13,2 kV.
La tension induite dans les secondaires est donc 80 kV Les secondaires étant en étoile, la tension entre les fils. de ligne 1, 2 et 3 vaut:
E= 1,73 x 80 kV = 138 kV
b) Puisque la charge totale est de 90 MVA, chaque transformateur doit fournir 30 MVA.
Courant Ip dans chaque enroulement primaire:
Ip = S/E = 30 MVA / 13,2 kV = 2273A
Courant IS dans chaque enroulement secondaire:
IS = 30 MVA / 80 kV = 375A
Courant de ligne au primaire:
I = 1,73 x 2273 = 3932A
Courant de ligne au secondaire :
I = 375A
Montage étoile-triangle Le calcul des tensions et des courants ainsi que le mode de connexion pour un montage étoile-triangle sont les mêmes que ceux du montage triangle-étoile; il suffit d'intervertir les côtés primaire et secondaire.
Montage étoile-étoile
La connexion étoile-étoile n'est jamais utilisée à moins que le neutre du primaire soit relié au neutre de la source.
En effet, lorsque les neutres ne sont pas reliés, les tensions entre les lignes et le neutre contiennent une forte troisième harmonique due à la non-linéarité de la courbe de saturation des noyaux.
La distorsion qui en résulte produit des surtensions entre les lignes et le neutre car ces tensions possèdent une valeur crête plus élevée que celle correspondant à une tension sinusoïdale.
Toutefois, cette connexion peut être utilisée sans raccorder les neutres si les transformateurs possèdent un troisième enroulement appelé enroulement tertiaire.
Les enroulements tertiaires sont raccordés en triangle.
Ils suppriment les tensions distorsionnées et, de plus, ils servent souvent à alimenter des charges auxiliaires dans le poste de transformation (Fig. 32-5).
Figure 32-5 Connexion étoile-étoile avec enroulement tertiaire raccordé en triangle, afin d'éviter la distorsion de tension. Les tensions de ligne au secondaire sont en phase avec celles au primaire

Montage en triangle ouvert
On peut transformer les tensions d'un système triphasé en employant seulement deux transformateurs.
Cette connexion est appelée montage en triangle ouvert. Les connexions se font comme dans le montage triangle-triangle, mais en enlevant un transformateur (Fig. 32-6).
Figure 32-6
a. Montage en triangle ouvert de deux transformateurs monophasés.
b. Diagramme schématique d'un montage en triangle ouvert. Les tensions de ligne au secondaire sont en phase avec les tensions de ligne au primaire

Un des avantages du montage triangle-triangle provient justement du fait que si l'un des trois transformateurs devient défectueux, les deux autres peuvent continuer à alimenter une partie de la charge.
Dans les installations de moyenne et de grande puissance, la connexion en triangle ouvert est toujours provisoire, car la capacité totale du groupe est égale à seulement 86,6 % de la somme des capacités des deux transformateurs.
Exemple 32-2
Deux transformateurs de 150 kVA, 7200 V /600 V sont montés en triangle ouvert.
Calculer la capacité maximale du groupe en kVA.
Solution
Même si la capacité de chaque transformateur est de 150 kVA, la capacité du groupe ne sera pas 300 kVA.
En effet, le courant nominal au secondaire d'un transformateur est:
I = S / E = 150 000 VA / 600V = 250A
Il s'ensuit que le courant maximal dans les lignes 1, 2 et 3 (Fig. 32-6) ne devra pas dépasser cette valeur. La puissance triphasée que le groupe peut débiter ne doit donc pas dépasser:
S=1,73 EI = 1,73 x 600 x 250 = 259 500 VA = 260 kVA
Cette puissance de 260 kVA correspond précisément à 86,6 % de la capacité totale des deux transformateurs (300 kVA). Ces derniers ne sont donc pas employés de façon optimale.
Transformateurs triphasés
Un montage de trois transformateurs monophasés peut être remplacé par un seul transformateur triphasé (Fig. 32-7). Le circuit magnétique d'un tel transformateur comporte ordinairement trois colonnes disposées dans un même plan.
Figure 32-7 Noyau d'un transformateur triphasé de 110 MVA, 222,5 kV/ 34,5 kV, 60 Hz. L'emploi de tôles de largeurs différentes permet la construction de colonnes de section presque cylindrique, ce qui permet de réduire la quantité de cuivre utilisée pour les bobines. Les colonnes sont ceinturées solidement par des bandes horizontales afin de réduire les vibrations. Masse du noyau: 53 560 kg.

Chaque colonne porte un enroulement primaire et un enroulement secondaire et peut être considérée comme un transformateur monophasé. Les trois enroulements, primaires et secondaires, sont connectés en étoile ou en triangle de sorte que le transformateur comporte trois bornes primaires et trois bornes secondaires seulement.
Pour une puissance donnée, le transformateur triphasé est toujours plus petit et moins coûteux que trois transformateurs monophasés ayant la même capacité totale.
Même si le prix d'achat et les frais d'installation d'un transformateur triphasé sont moindres que ceux d'un groupe de même capacité formé de trois transformateurs monophasés, ces derniers demeurent toutefois plus avantageux quand on doit prévoir une unité de réserve pour remplacer un transformateur défectueux.
Ainsi, pour alimenter une usine absorbant 5000 kVA, on peut installer deux transformateurs triphasés de 5000 kVA chacun dont l'un restera en réserve.
Par contre, on pourrait installer quatre transformateurs monophasés de 1667 kVA chacun dont un seul sera gardé en réserve. Le coût de la première installation serait plus grand (capacité totale de 10 000 kVA) que celui de la seconde (capacité totale de 6667 kVA).
La Fig. 32-7 illustre les différents stades de fabrication d'un transformateur triphasé de 110 MVA, 222,5 kV/34,5 kV. Il est muni d'un changeur de prise sous charge à 9 positions.
En plus des trois colonnes de fer habituelles, le noyau possède deux colonnes latérales (Fig. 32-7a). Ces dernières permettent de réduire la hauteur du transformateur et d'éliminer les courants de Foucault qui seraient induits dans la cuve pour une charge non équilibrée.
La Fig. 32-8 montre la construction d'un transformateur triphasé utilisé pour l'alimentation d'un four à arc. Huit enroulements secondaires sont raccordés en parallèle sur chaque colonne pour fournir le courant nominal de 65 000 A par phase.
Figure 32-8 Transformateur triphasé pour four à arc de 36 MVA, 13,8 kV/ 160 V à 320 V, 60 Hz. La tension secondaire est ajustable de 160 V à 320 V à l'aide de 32 prises situées sur l'enroulement primaire. Le refroidissement est à circulation forcée d'huile traversant un échangeur de chaleur huile/eau. Autres caractéristiques: impédance: 3,14 %; diamètre de chaque colonne du noyau: 711 mm; hauteur du noyau : 3500 mm ; distance entre les colonnes: 1220 mm
Autotransformateur survolteur.dévolteur et puissance intrinsèque
Lorsqu'on doit augmenter ou diminuer la tension sur un réseau triphasé dans une gamme comprise entre 200 % et 50 % de sa valeur nominale, il est avantageux d'utiliser un autotransformateur.
Comme on l'a mentionné à la section Transformateurs spéciaux, pour une même puissance transformée, l'autotransformateur est beaucoup plus petit et coûte moins cher qu'un transformateur conventionnel.
Afin de pouvoir comparer la grosseur physique d'un autotransformateur avec celui d'un transformateur conventionnel, il est utile de définir ce que nous appellerons la puissance intrinsèque d'un autotransformateur.
Soit un autotransformateur ayant deux enroulements ou plus. Chaque enroulement est construit pour fonctionner à une tension E nominale et un courant I nominal quelconques.
Par conséquent, une puissance apparente S = EI est associée à chaque enroulement. La puissance intrinsèque de l'autotransformateur est égale à la somme des puissances apparentes de tous les enroulements, divisée par deux.
On effectue cette division par deux dans le but de comparer la grosseur du transformateur à deux ou plusieurs enroulements avec celle d'un transformateur conventionnel à deux enroulements.
Avec cette définition, si la puissance intrinsèque d'un autotransformateur est égale, disons, à 50 kVA, il aura à peu près la même grosseur qu'un transformateur conventionnel de 50 kVA.
Sur les réseaux triphasés, on utilise de préférence des autotransformateurs raccordés en étoile. Le neutre est ordinairement connecté au neutre du réseau, sinon on toit prévoir un enroulement tertiaire pour éviter les surtensions mentionnées dans le montage étoile-étoile.
Les raccordements pour un autotransformateur survolteur sont montrés à la Fig. 32-9.
Figure 32-9
a. Montage d'un autotransformateur triphasé survolteur.

b. Diagramme schématique des connexions.

Les tensions de ligne au secondaire sont en phase avec les tensions de ligne au primaire
Les tensions ligne-à-neutre du primaire et du secondaire sont évidemment cm phase.
Par conséquent, les tensions entre les lignes secondaires 1, 2 et 3 sont en phase avec les tensions entre les lignes primaires A, B et C.
La Fig. 32-10 montre l'application d'un groupe d'autotransformateurs triphasés sur un grand réseau.
Figure 32-10 Autotransformateur monophasé faisant partie d'un groupe triphasé installé au poste de Boucherville, Québec, pour transformer la tension du réseau de 700 kV en 300 kV.
Caractéristiques de chaque autotransformateur:
puissance: 200/267/333 MVA; refroidissement: ONAN/ONAF/OFAF; tension: 404 kV/173 kV;
enroulement tertiaire : 11,9 kV, 35 MVA; masse du noyau et des enroulements: 132 t;
masse de la cuve et des accessoires : 46 t; masse de l'huile: 87 t; masse totale: 265 t;
tension de tenue aux ondes de choc H.T. : 1950 kV, B.T. 1050 kV; échauffement: 55 °C

Exemple 32-3
On doit
augmenter la tension d'une ligne triphasée de 230 kV à 345 kV afin d'alimenter
une charge de ?00 MVA. On se propose d'utiliser trois autotransformateurs
monophasés raccordés en étoile, selon le schéma de la Fig. 32-9.
Calculer:
a) le rapport de transformation H1H2:X1X2
b) La puissance intrinsèque de chaque autotransformateur
Solution
a) Afin de simplifier les calculs nous considérons une seule phase (disons la phase A).
Tension ligne-à-neutre entre les bornes X1 et H2:
EIN = 345 / √3 = 199 kV
Tension ligne-à-neutre entre H1 et H2:
EAN = 230 / √3 = 133 kV
Tension de l'enroulement X1X2 entre les lignes 1 et A:
EIA= 199.133 = 66 kV
Rapport H1H2 :X1X2 = 133 kV / 66 kV = 2
b) Courant dans la ligne 1 :
IS = S/E√3 éq. 26-3
= (200 x 106 ) / (√3 x 345 000) = 335 A
Puissance apparente associée à l'enroulement X1X2:
Sa = 66 kV X 335A = 22,2 MVA
Courant dans la ligne A:
IA = 200 MVA /( 230 kV x √3) = 502A
Courant dans l'enroulement H1H2:
Ip = IA.Is = 502.335 = 167A
Puissance apparente associée à l'enroulement H1H2:
Sb = 133kV x 167A = 22,2MVA
La puissance intrinsèque de chaque autotransformateur est donc de
(22,2 + 22,2) / 2 = 22,2 KVA.
Par conséquent, la capacité intrinsèque du groupe est de
22,2 x 3 = 66,6 MVA.
On constate que la capacité intrinsèque du groupe est seulement le tiers de la puissance transformée de 200 MVA.
Cet exemple nous fait réaliser qu'un autotransformateur est beaucoup plus petit qu'un transformateur de même puissance ayant deux enroulements isolés.
Déphasage des tensions des transformateurs
Le système triphasé permet de faire varier le déphasage d'une tension de manière très simple. Ce déphasage permet de créer des systèmes diphasés, hexaphasés et même dodécaphasés, à partir d'une simple ligne triphasée.
Les systèmes hexaphasés sont utilisés dans les puissants convertisseurs qui transforment le courant alternatif en courant continu.
Ce déphasage permet aussi de contrôler le transport de la puissance dans un grand réseau maillé. Nous étudierons cette technique à la section Transport de l'énergie électrique.
Pour comprendre le principe du déphasage dans les transformateurs triphasés, considérons un potentiomètre raccordé entre deux phases B et C d'une ligne triphasée (Fig. 32-11a).
Figure 32-11
a. Un potentiomètre permet de faire varier la phase de EAP par rapport à la tension EAB.

b. Diagramme vectoriel montrant l'amplitude et le déphasage de EAP par rapport à EAB

À mesure que le curseur P se déplace de la phase B vers la phase C, la tension EAP change en amplitude et en phase. La phase change de 60° lorsque le curseur passe d'une extrémité à l'autre du potentiomètre.
Pendant cette variation, la tension diminue d'une valeur E (égale à la tension entre les phases) jusqu'à un minimum de 0,866 E lorsque le curseur est au point milieu.
Passé ce point, la tension augmente pour atteindre à nouveau une valeur E lorsque le curseur est en contact avec la phase C.
Noter que le déplacement de B vers C produit une avance de phase progressive de la tension EAP par rapport à la tension EAB, car la tension EAC est 60° en avance sur la tension EAB (Fig. 32-11b). Un potentiomètre branché sur une source triphasée constitue donc un déphaseur simple.
Toutefois, on n'utilise cette méthode que dans les montages électroniques où la puissance requise est très faible. En effet, l'amplitude et le déphasage de EAP changent radicalement si l'on applique une charge importante entre les bornes A et P.
Cependant, il est possible de déphaser la tension d'une charge importante en utilisant un autotransformateur à prises multiples, comme l'indique le montage de la Fig. 32-12.
Figure 32-12 Un autotransformateur à prises multiples permet d'obtenir un déphasage progressif de EAP par rapport à EAB. Le déphasage n'est pas affecté par la présence d'une charge entre les bornes A et P

En déplaçant la prise P on obtient le même déphasage qu'auparavant, mais la valeur de la tension et son déphasage ne changent pas lorsqu'on applique une charge entre les bornes A et P.
Comment expliquer cette constance de la phase et de la tension? La raison est que le flux dans l'autotransformateur demeure constant tant que la tension EBC est constante.
Par conséquent, la tension induite par spire demeure constante, tant en valeur qu'en phase, quelle que soit la charge.
Si l'on utilise trois autotransformateurs dont les prises P1, P2 et P3 se déplacent ensemble, on obtient une source triphasée P1, P2, P3 dont le déphasage varie progressivement par rapport au réseau A-B-C (Fig. 32-13).
Figure 32-13 Autotransformateur triphasé à déphasage progressif

Transformation triphasé-hexaphasée
Pour transformer un système à 3 phases en 6 phases, il suffit d'utiliser trois transformateurs monophasés dont les secondaires possèdent une prise médiane.
En reliant les prises médianes à un point commun N, on obtient six tensions secondaires égales et déphasées de 60° (Fig. 32-14).
Figure 32-14
a. Montage d'un groupe de trois transformateurs permettant de transformer un système triphasé en un système hexaphasé.

b. Diagramme schématique du montage

Transformation triphasé-diphasé Dans un système diphasé, les deux tensions sont égales et déphasées de 90°.
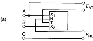
Il existe plusieurs façons de réaliser ce déphasage; une des plus simples consiste à utiliser un autotransformateur monophasé ayant des prises à 50 % et à 86,6 %. Il est branché entre deux phases d'une ligne triphasée.
En se référant aux Fig. 32-15a et 32-15b, si la tension entre les phases A, B, C est de 100V, les tensions EAT et ENC auront une valeur de 86,6V et seront déphasées de 90°.
Figure 32-15
a. Montage d'un autotransformateur utilisé pour transformer un système triphasé en un système diphasé.

b. Diagramme schématique du montage. La tension diphasée vaut 86,6 % de la tension triphasée.

c. Diagramme vectoriel des tensions

On peut comprendre cette relation en regardant le diagramme vectoriel (Fig. 32-15c):
1) Les vecteurs EAB, EBC, ECA sont fixés par la source ;
2) Le vecteur EAN est en phase avec le vecteur EAB parce que ces tensions sont induites par le même flux;
3) Pour les mêmes raisons, le vecteur EAT est en phase avec le vecteur EAB;
4) D'après la loi de Kirchhoff, EAN + ENC + ECA = 0;
par conséquent, le vecteur ENC doit avoir la valeur et le sens indiqués dans la figure. Les charges alimentées par EAT et ENC doivent être isolées l'une de l'autre, comme par exemple les deux enroulements d'un moteur diphasé.
Aujourd'hui, les systèmes diphasés sont rares. Ils sont utilisés presque exclusivement pour l'alimentation des servomoteurs dans les systèmes de commande.
Exemple 32-4
L'autotransformateur de la Fig. 32-15 est connecté sur un réseau triphasé de 600 V pour alimenter deux charges diphasées de 600V pour alimenter deux charges diphasées de 26Ω.
Calculer la valeur des courants dans les sections AN, NT et TB du transformateur, ainsi que les courants dans la ligne triphasée.
Déterminer la capacité intrinsèque du transformateur.
Solution
Le montage est reproduit à la Fig. 32-16.
Figure 32-16 Voir exemple 32-4

On a choisi des sens arbitraires pour les courants I1 , I2 et I3. Ils circulent respectivement dans les charges et la section AN du transformateur.
De ces directions arbitraires, en appliquant la deuxième loi de Kirchhoff, on a déduit la direction et la valeur des courants dans les autres éléments du circuit. Par exemple, le courant dans la section NT est évidemment (I1 + I3) et il doit circuler de gauche à droite.
Ensuite, on écrit les données pour les tensions:

D'après la première loi de Kirchhoff on peut écrire :
EAT.26I2 = 0 (32-1)
ENC + 26I1 = 0 (32-2)
Enfin, la somme algébrique des FMM des trois sections du transformateur doit égaler zéro.
En désignant le nombre total de spires par le symbole N, on obtient :
I3 x 0,5 N + (I1+ I3) x (0,866 N.0,5 N) + (I1 + I2 + I3) x (N.0,866 N) = 0
d'où
I3 + 0,5I1 + 0,134I2 = 0 (32-3)
La solution de ces trois équations donne les résultats suivants:

Les courants dans les sections AN, NT et TB sont respectivement 10,35A, 10,35A et 20A.
Le diagramme vectoriel des courants est montré à la Fig. 32-17.
Figure 32-17 Voir exemple 32-4

Les courants I1 , (I2 + I3) et.(I1 + I2 + I3) dans les lignes triphasées sont tous de 20A et ils sont déphasés de 120° l'un de l'autre.
Donc, la charge totale diphasée de 20A x 520V x 2 = 20,8 kW se transforme en un système triphasé équilibré dont la puissance est aussi de 20A x 600V x √3 = 20,8 kW.
La somme des puissances apparentes des trois enroulements de l'autotransformateur est:
(10,35A x 300V) + (10,35A x (520V-300V)) + (20A x (600V.520V)) = 7 kVA.
La capacité intrinsèque de l'autotransformateur est égale à la moitié de cette somme, soit 3,5 kVA.
On constate que sa puissance intrinsèque est bien inférieure à la puissance de 20,8 kVA qui est transformée.
Transformateur à déphasage variable
Un autotransformateur à déphasage variable est un transformateur triphasé spécial qui change l'angle entre la ligne d'entrée et la ligne de sortie, sans en changer le rapport de transformation.
Ainsi, dans le transformateur de la Fig. 32-18, les tensions entre les lignes 1-2-3 sont déphasées, en avance ou en arrière, de celles entre les lignes A-B-C.
Figure 32-18
a. Autotransformateur à déphasage variable (voir exemple 32-5).

b. Diagramme vectoriel montrant les positions extrêmes des tensions ligne-ligne à la sortie par rapport aux tensions d'entrée.

On fait habituellement varier l'angle de déphasage au moyen d'un changeur de prise motorisé.
La grosseur d'un autotransformateur déphaseur dépend de la puissance apparente transmise par les lignes triphasées et du déphasage maximal désiré.
Lorsque le déphasage est inférieur à 20° et lorsque le transformateur est conçu de sorte que la tension d'entrée reste égale à la tension de sortie, la puissance intrinsèque est donnée par la formule approximative:
ST = 0,025 SLαmax (32-4)
où
ST = puissance intrinsèque de l'autotransformateur triphasé [VA]
SL = puissance apparente transportée par la ligne triphasée [VA]
αmax = angle de déphasage maximal [°]
0,025 = coefficient approximatif
Exemple 32-5
Un autotransformateur déphaseur doit commander l'angle de phase d'une ligne triphasée transportant une puissance de 150 MVA sous une tension de 230 kV, ligne à ligne (Fig. 32-18).
Pour un déphasage de ± 20°,
calculer:
a) la puissance intrinsèque du transformateur
b) la valeur du courant dans les lignes d'entrée et de sortie
Solution
a) La puissance intrinsèque de l'autotransformateur est :
ST = 0,025 SLαmax = 0,025 x 150 x 106 x 20 = 75 MVA
Noter que la puissance intrinsèque de l'autotransformateur (puissance qui détermine sa grosseur) est seulement la moitié de la puissance transportée.
b) Le courant est le même dans les lignes d'entrée et de sortie, car l'amplitude de la tension reste la même.
Le courant est:
I = SL / EL√3 = 150 x 106 / 230 x 103 x 1,73 = 377 A
Les Fig. 32-19 et 32-20 permettent de mieux comprendre le principe de fonctionnement du transformateur déphaseur.
Figure 32-19 Composants d'un transformateur déphaseur

Figure 32-20 Raccordement des enroulements pour obtenir un déphasage

La Fig. 32-19 montre un transformateur triphasé où les trois enroulements primaires sont connectés en étoile. Chaque primaire est couplé à deux enroulements secondaires identiques, mais de tension moindre.
Ainsi, la phase A comprend le primaire A et les secondaires a1 et a2. Les enroulements respectifs sont interconnectés de la façon montrée à la Fig. 32-20. Les bornes 1-2-3 sont connectées à la ligne d'entrée.
Suivant le déphasage désiré, les bornes 1-2-3, ou les bornes 4-5-6, ou les bornes 7-8-9 sont connectées à la ligne de sortie, au moyen d'un changeur de prise.
La Fig. 32-21 montre les tensions entre les bornes 7, 1, 4, et le neutre N. Il est évident que la tension EN7 est en avance sur la tension EN4.
De la même façon, la tension EN4 est en retard sur la tension EN1.
Donc, en changeant simultanément les prises sur les trois phases, on obtient le déphasage triphasé désiré.
En pratique, pour des raisons économiques, on utilise seulement un enroulement secondaire par phase, au lieu de deux. Dans ce cas, on obtient un déphasage en avance ou en retard, en modifiant les connexions.
De plus, cet enroulement secondaire comporte plusieurs prises afin d'obtenir des déphasages intermédiaires. La Fig. 32-21 indique clairement que le déphasage dépend de la tension secondaire. Le raisonnement suivant indique comment choisir le rapport de transformation pour réaliser un déphasage donné.
Supposons que l'on désire un déphasage de 15° en retard, et que la tension entre les lignes d'entrée soit de 230 kV. La tension ligne à neutre EN, est donc 230/'J3 = 133 kV.
La tension E14 est 120° en retard sur la tension EN1. L'angle a opposé au vecteur EN4 a donc une valeur fixe de 60°.
Le diagramme vectoriel (Fig. 32-21) montre les angles entre les divers vecteurs. L'angle β opposé au vecteur EN, a pour valeur (180.60.15) = 105°.
La règle des sinus permet de résoudre le triangle.
Cette règle s'écrit :
E14 / sin 15° = EN1 / sin 105° = EN4 / sin 60°
d'où
E14 = EN1 sin 15 / sin 105 = 133 x 0,259 / 0,966 = 35,6 kV
La règle des sinus nous fournit aussi la tension ligne-à-neutre EN4 entre les lignes de sortie:
EN4 = EN1 sin 60 / sin 105 = 133 x 0,866 / 0,966 = 119 kV
La tension entre les lignes de sortie est 119 √3 = 206 kV. Cette tension est environ 10 % plus basse que la tension à l'entrée (230 kV). On peut corriger cet écart en utilisant des prises supplémentaires sur les enroulements primaires.
Cependant, on se fie généralement sur les transformateurs régulateurs de tension situés en aval du transformateur déphaseur pour réajuster la tension à sa valeur nominale. En ajoutant des prises sur les enroulements secondaires, on peut obtenir différents déphasages.
Régulation de tension
On peut calculer la régulation de tension d'un groupe de transformateurs triphasés de la même manière que pour un transformateur monophasé.
La méthode à suivre est expliquée ci-après:
1. On suppose que les enroulements primaires et secondaires sont raccordés en étoile, même s'ils ne le sont pas (voir section Circuits triphasés). Cette su position simplifie la manipulation des tensions et courants associés aux connexions triangle-étoile et triangle-triangle.
2. Comme la charge est équilibrée, on ne considère qu'un seul transformateur de ce groupe étoile-étoile.
3. La tension primaire du transformateur est égale à la tension ligne à neutre de la ligne d'entrée, soit celle venant de la source.
4. La tension secondaire du transformateur est égale à la tension ligne à neutre de la ligne de sortie (celle connectée à la charge).
5. La puissance nominale du transformateur est le tiers de la puissance du groupe triphasé.
6. La charge portée par le transformateur est le tiers de la charge portée par le groupe triphasé.
Exemple 32-6
Le transformateur triphasé montré à la Fig. 30-44 (section Transformateurs) a une puissance nominale de 1300 MVA, 24,5 KV/345 kV, 60 Hz et son impédance est de 11,5%.
a) Déterminer le circuit équivalent du transformateur.
b) Calculer la tension aux bornes de la source, sachant que la charge est de 1200 MVA sous une tension de 340 kV à un facteur de puissance de 90%, en retard.
c) Déterminer la régulation de tension avec cette charge.
Solution
Tout d'abord, on remarque que les connexions du primaire et du secondaire ne sont pas données.
On n'a pas besoin de cette information.
Nous supposerons simplement que les enroulements primaires et secondaires sont connectés en étoile. Comme il s'agit d'un gros transformateur, l'impédance est presque entièrement réactive.
Le circuit unifilaire composé de la source, du transformateur et de la charge est donné à la Fig. 32-22a.
Figure 32-22
a. Schéma unifilaire (voir exemple 32-6).
b. Circuit représentant une phase du système

a) En ce qui concerne le transformateur, on a:
Puissance nominale par phase :
SL = 1300 MVA.3 = 433 MVA
Tension nominale au primaire:
E1n = 24,5 kV / √3 = 14,1 kV
Tension nominale au secondaire :
E2n = 345 kV / √3 = 199 kV
Rapport de transformation:
a = E2n / E1n = 199 kV / 14,1 kV = 14,08
Impédance de base rapportée au secondaire:
ZB = E2n2
/ SL = 199 000² /
433 x 106 = 91,5Ω
L'impédance du transformateur
rapportée au secondaire est donc:
ZΓ = ZB x Zp.u. = 91,5 x 0,115 = 10,5Ω
b) En ce qui concerne la charge, on a :
Puissance apparente par phase:
S = 1200 MVA.3 = 400 MVA
Tension par phase:
Es = 340 kV / √3 = 196 kV
Courant I2 par phase:
I2 = S / Es = 400 x 106 / 196 000 = 2041 A
Le courant I2 est en retard sur Es d'un angle:
θ = arccos 0,9 = 25,8°
Choisissons la tension Es comme référence, et calculons les autres grandeurs (voir Fig. 32-22b):


Tension de la source:

Courant débité par la source:

Le diagramme vectoriel pour une phase est donné à la Fig. 32-22c.
Figure 32-22c Diagramme vectoriel des grandeurs (voir exemple 32-6)

Étant donné que l'angle entre E1 et ES est de 5,4°, il s'ensuit que la tension ligne à ligne du côté charge est déphasée de 5,4° en arrière de la tension de source.
c) À vide la tension ES serait:
Es à vide = a Eg = 14,08 x 14 650 V = 206 200 V
La régulation de tension est donc:
régulation = (Es à vide x Es sous charge) / Es sous charge = (206 200.196 000) / 196 000 = 0,0520 = 5,2 %
Transformation d'une charge monophasée en triphasée
Il arrive parfois qu'on doive alimenter une charge monophasée à partir d'une ligne triphasée.
Cependant, une charge monophasée importante branchée entre deux lignes d'une ligne triphasée peut produire un déséquilibre inacceptable des courants dans les trois lignes.
Nous présentons ci-après une méthode ingénieuse permettant de rééquilibrer les courants de lignes sans consommation de puissance additionnelle. Il suffit d'ajouter une réactance inductive et une réactance capacitive entre les deux lignes raccordées à la charge et la troisième ligne.
L'impédance des deux réactances doit être 3 fois celle de la résistance (Fig. 32-23).
Figure 32-23 Transformation d'une charge monophasée en charge triphasée équilibrée

De plus, le raccordement des réactances doit tenir compte de la séquence des phases.
Par exemple, pour une séquence directe des tensions E12, E23, E31 , il est essentiel d'effectuer les connexions comme indiqué sur la figure.
Si l'on permute les éléments capacitif et inductif, le système triphasé devient complètement déséquilibré. L'exemple suivant permet de comprendre l'astuce utilisée par cette méthode qui transforme une charge monophasée en une charge triphasée équilibrée.
Exemple 32-7
Une charge monophasée de 800 kW est branchée entre les phases 1 et 2 au secondaire d'un transformateur triphasé de
25 kV/440 V
Les trois tensions de ligne sont données par les expressions suivantes :


Calculer les courants dans les trois lignes secondaires :
a) avec seulement la charge monophasée
b) lorsque les réactances appropriées sont ajoutées selon la Fig. 32-24
Figure 32-24 Voir exemple 32-7

Solution
a) Résistance de la charge monophasée:
R = E² / P = 440² / 800 000 = 0,242Ω
Courant dans la charge et dans deux des lignes :
I = E / R = 440 / 0,242 = 1818 A
Le courant dans la troisième ligne est nul. La ligne est donc fortement déséquilibrée (Fig. 32-23).
b) En ajoutant les réactances inductive et capacitive ayant chacune une impédance de 0,2423 = 0,419Ω, on obtient une ligne équilibrée, comme le démontrent les calculs suivants.
Appliquons la première loi de Kirchhoff aux boucles de la Fig. 32-24a.
On obtient les résultats suivants :
E12.0,242I1 = 0
E23 + j 0,419I2 = 0
E31.j 0,419I3 = 0
par conséquent:

En appliquant la deuxième loi de Kirchhoff aux noeuds 1, 2, et 3 on obtient:



On constate que les courants IA, IB, IC dans les trois lignes secondaires sont parfaitement équilibrés car ils sont égaux et déphasés de 120° (Fig. 32-24b).
Noter aussi que leur valeur de 1050A est sensiblement inférieure au courant monophasé de 1818A.
Par conséquent, les pertes Joule dans les lignes sont moindres et les tensions demeureront équilibrées.
Pour évaluer cette diminution des pertes, supposons que la résistance effective de chaque conducteur de la ligne triphasée soit de RL ohms.
Lorsque la charge monophasée est seule sur la ligne, les pertes totales dans les deux conducteurs sont:
PT2 = 2RLI² = 2RL X 1818² = 6,610 x 106 RL watts
Par contre, lorsque les éléments capacitifs et inductifs sont ajoutés, les pertes Joule dans les trois conducteurs sont:
PT3 = 3RLI² = 3RL X 1050² = 3,308 x 106 RL watts
Les pertes triphasées sont donc la moitié des pertes monophasées.
Courant dans les trois lignes primaires :
1050A x 440V / 25000V = 18,48A
Puissance apparente du transformateur:
440V x 1050A x √3 = 800 kVA
Celle-ci est exactement égale à la puissance active consommée par la charge. Il s'ensuit que le transformateur fonctionne à un facteur de puissance de 100 %.
Marques de polarité des transformateurs triphasés
Les bornes d'un transformateur triphasé sont identifiées respectivement H1, H2, H3 pour la haute tension, et X1, X2, X3 pour la basse tension. Les normes suivantes s'appliquent à ces marques de polarité:
1. Lorsque les enroulements primaires et secondaires sont raccordés en étoile-étoile ou en triangle-triangle, les tensions entre les bornes similaires sont en phase.
Ainsi:
EH1,H2 est en phase avec EX1,X2
EH2,H1 est en phase avec EX2,X1
EH1,H3 est en phase avec EX1,X3
et ainsi de suite
2. Lorsque les enroulements primaires et secondaires sont raccordés en étoile-triangle ou en triangle-étoile (Fig. 32-25), il se produit un décalage de 30° entre les tensions ligne à ligne.
Figure 32-25 Relation entre les tensions primaires et secondaires d'un transformateur triphasé raccordé
(a) en étoile-triangle

et (b) en triangle-étoile.

Dans ces circonstances,
EH1,H2 est en avance de 30° sur EX1,X2
EH2,H3 est en avance de 30° sur Ex2,X3
EH3,H2 est en avance de 30° sur EX1,x2
et ainsi de suite
3. Ces normes ne sont pas affectées par la séquence de phase des tensions appliquées au primaire.
Résumé
Dans cette section, nous avons étudié les transformateurs utilisés dans les montages et les réseaux triphasés.
Les transformateurs triphasés peuvent comporter trois enroulements primaires et trois enroulements secondaires montés sur un même noyau ou ils peuvent être réalisés à partir de trois transformateurs monophasés.
Pour les transformateurs utilisés pour élever ou abaisser la tension, il existe deux façons de monter les trois enroulements primaires et les trois enroulements secondaires: la connexion en triangle et la connexion en étoile.
On peut donc réaliser n'importe quelle combinaison de ces connexions.
La connexion étoile-triangle ou triangle-étoile introduit un déphasage de +30 ou -30 degrés entre les tensions primaires et secondaires.
Le montage triangle-triangle a l'avantage qu'il permet de fonctionner à puissance réduite avec un des trois transformateurs hors service (montage en triangle ouvert).
Certains transformateurs comportent un troisième enroulement généralement monté en triangle et appelé enroulement tertiaire.
Afin d'éviter les problèmes de distorsion dus à la troisième harmonique, la connexion étoile-étoile n'est jamais utilisée sans relier les neutres de la source et du primaire, à moins d'utiliser un enroulement tertiaire.
Pour des rapports de transformation voisins de l'unité (généralement entre 0,5 et 2), on utilise souvent les autotransformateurs triphasés montés en étoile.
Pour une puissance donnée à transformer, les autotransformateurs sont moins coûteux que les transformateurs à enroulements isolés. Les transformateurs déphaseurs sont utilisés pour commander la circulation de puissance active dans les réseaux de transport en changeant le déphasage entre les tensions d'entrée et de sortie.
Ces déphasages variables sont obtenus en combinant dans les bonnes proportions (à l'aide d'un changeur de prise) les tensions de deux phases différentes.
Enfin, mentionnons les montages spéciaux permettant d'effectuer les transformations triphasé-diphasé, triphasé-hexaphasé et triphasé-monophasé.
PROBLÈMES
Niveau pratique
32-1 Montrer, au moyen d'un schéma, comment raccorder trois transformateurs monophasés :
a) en triangle-étoile b) en triangle ouvert (indiquer clairement les marques de polarité)
32-2 Trois transformateurs monophasés de 250 kVA, 7200 V/600 V sont montés en étoile-triangle sur une ligne à 12 470 V Ils alimentent une charge de 450 kVA.
Calculer les courants:
a) dans les fils de ligne b) dans les enroulements
32-3 Le rapport de transformation du transformateur de 36 MVA de la Fig. 32-8 est de 13,8 kV à 320 V.
Sachant que le transformateur est chargé à pleine capacité, calculer les courants :
a) dans les lignes primaires b) dans les lignes secondaires
32-4 Calculer les valeurs nominales des courants au primaire et au secondaire du transformateur de 1300 MVA, illustré à la Fig. 30-44 (section Transformateurs).
32-5 Le transformateur triphasé montré à la Fig. 30-45 est refroidi en mode ONAF.
a) Calculer la valeur du courant dans les lignes secondaires lorsque le courant dans les lignes à 225 kV est de 150 A.
b) Le transformateur est-il surchargé?
Niveau intermédiaire
32-6 Trois transformateurs monophasés de 250 kVA. 7200 V/600 V sont employés pour élever la tension d'un réseau de 600 V à 7,2 kV.
a) Comment faut-il les raccorder?
b) Quels sont les courants dans les fils de ligne et dans les enroulements pour une charge de 600 kVA?
32-7 Trois transformateurs monophasés de 100 kVA. 13200/2400 V sont connectés en étoile-triangle sur une ligne à 18 kV.
Calculer:
a) la tension entre les lignes du côté secondaire
b) la plus grande charge, exprimée en kVA, que l'on peut appliquer à ce groupement
32-8 Deux transformateurs de 250 kVA, 2,4 kV/ 600 V sont connectés en triangle ouvert pour alimenter une charge de 400 kVA.
a) Est-ce que les transformateurs sont surchargés?
b) Quelle est la plus grande charge que l'on peut alimenter sans dépasser la capacité des transformateurs?
32-9 Une ligne A-B-C à 6,9 kV alimente les transformateurs de la Fig. 32-3 et l'on mesure trois tensions équilibrées de 600 V entre les lignes 1, 2, 3. On intervertit, par mégarde, les bornes X1 , X2 du secondaire du transformateur P.
a) Quelles sont les tensions mesurées entre les bornes 1-2, 2-3 et 3-1 ?
b) Tracer le diagramme vectoriel des tensions secondaires et primaires.
32-10 Soit l'autotransformateur dévolteur illustré à la Fig. 32-10. Le courant dans la ligne à 700 kV est de 800 A. La charge de l'enroulement tertiaire est négligeable.
Calculer:
a) le courant dans la ligne à 300 kV
b) le courant dans les enroulements du transformateur
32-11 Les prises sur l'enroulement BC de la Fig. 32-12 sont espacées uniformément.
Le contact P se trouve sur la prise 3 et la tension entre les lignes A, B, C est de 600 V.
Déterminer, en traçant les vecteurs à l'échelle, la valeur de la tension EAP et son angle de déphasage par rapport à la tension EAn.
32-12 Dans les Fig. 32-13 et 32-26, les 7 prises sont espacées uniformément et la tension entre les phases A, B, C est de 600 V.
Figure 32-26 Voir problème 32-12

On sait que

Déterminer, en traçant les vecteurs à l'échelle, la valeur des tensions entre P1, P2, P3 lorsque les trois contacts sont sur les prises no 2 (Fig. 32-26).
Quel est le déphasage par rapport à la position de départ lorsque les contacts P1, P2, P3 étaient sur les prise no 1?
32-13 Dans la Fig. 32-12, le contact mobile est sur la prise no 4 et une charge monophasée est branchée entre les bornes AR La tension entre les phases A, B, C est de 600 V et le courant dans la phase A est de 100 A.
Calculer:
a) la valeur du courant dans les lignes B et C
b) la puissance apparente fournie à la charge
32-14 Dans le problème 32-13, le contact mobile est sur la prise no 6 et le courant dans la phase A est toujours de 100 A.
Calculer la valeur du courant dans les phases B et C.
32-15 En se référant à la Fig. 32-15, la tension entre les bornes A, B, C est de 208 V, et la charge diphasée absorbe une puissance apparente de 1800 VA.
Calculer:
a) la valeur des tensions EAT et ENc
b) le courant dans les quatre lignes qui alimentent la charge
c) le courant dans les lignes A, B, C
32-16 En se référant à la Fig. 32-22, la tension de ligne de la source est maintenue constante à 24,5 kV.
Calculer la valeur de la tension de ligne au secondaire :
a) lorsque le transformateur fonctionne à vide
b) lorsque le transformateur alimente une charge capacitive de 1200 Mvar
32-17 Un autotransformateur déphaseur produit un déphasage maximal de 15°. Sachant qu'il doit transporter une puissance de 50 MVA, calculer sa puissance intrinsèque.
Réponses
2a) 21 A; 433 A; 2b) 21 A; 250
A; 3a) 1506 A; 3b) 65 kA;
4) 30,6 kA; 2,18 kA; 5a) 1278 A; 5b) oui, le
courant ne devrait
pas excéder 1050 A; 6a) triangle-triangle;
6b) lignes:
577 A; 48 A; enroulements : 333 A; 27,8 A; 7a) 1890 V;
7b) 236 kVA; 8a) non;
8b) 433 kVA; 9a) E12 = 346 V; E23 = 600 V;
E31 = 346 V; 10e) 1867 A; 10b)
800 A; 1067 A;
11) 529 V; 19° en avance; 12) 346 V; 30°; 13a) 50A; 50 A;
13b) 52 kVA; 14) IS = 16,7 A; IC = 83,3 A; 15a) 180 V; 15b) 5 A;
15c) 5 A;
16a) 345 kV; 16b) 378 kV; 17) 18,8 MVA