Projet 12 : Roulette (roue devinez le numéro)
Mes seconds pas en Électronique
Voir Projet 1 pour les composantes nécessaires pour Mes seconds pas en Électronique.


Avez-vous déjà entendu parler de la roulette ?
On fait tourner la roue et une bille se déplace d'une case numérotée à l'autre jusqu'à ce que la roue s'arrête et que la bille se stabilise dans une case.
La roulette est utilisée dans les jeux de hasard.
Si vous devinez le numéro de la
case où la bille s'arrêtera, vous gagnez un prix.
Dans ce projet, vous
allez construire un circuit qui imite le fonctionnement d'une roulette.
La « roue » de votre circuit est en réalité composée de dix LED alignées.
Les LED s'allument
successivement et de manière répétée, à un rythme qui diminue avec le temps,
jusqu'à ce qu'une seule LED reste allumée.
Votre circuit de roulette
utilise deux circuits intégrés (CI) :
le timer 555 (utilisée dans les projets 8 à 11) et un nouveau CI (pour vous) : le compteur décimal 4017.
Ajoutez dix LED, quelques résistances et condensateurs, une quantité impressionnante de fils de connexion, un interrupteur à bouton-poussoir et un haut-parleur pour les effets sonores, et vous avez tous les ingrédients nécessaires pour créer un jeu de hasard électronique amusant.
Le circuit intégré compteur
décimal 4017
Vous souvenez-vous d'avoir appris à compter sur vos
doigts ?
On commence avec les doigts fermés, comme pour former un poing.
Puis, un à un, on lève un doigt (ou le pouce) en comptant : « 1, 2, 3, 4, 5, 6, 7, 8, 9, 10 ».
Dans ce projet, vous utiliserez un circuit intégré spécial appelé compteur décimal pour compter de 1 à 10.
En termes électroniques, le
compteur décimal 4017 compte de 0 à 9, mais je parle de comptage de 1 à 10 pour
plus de simplicité.
Le circuit intégré compteur décimal 4017, illustré
sur la figure 12-1, est une puce CMOS.

CMOS signifie semi-conducteur métal-oxyde complémentaire, mais ce n'est pas indispensable pour vous.
Ce qu'il est important de savoir avant de manipuler votre puce 4017, c'est que toutes les puces CMOS sont très sensibles à l'électricité statique.
C'est l'électricité statique qui vous électrocute lorsque vous marchez sur un tapis ou touchez une poignée de porte.
Il suffit de très peu d'électricité statique pour endommager une puce CMOS et la transformer en un morceau de plastique inutilisable.
Les puces CMOS sont
généralement montées sur un support en mousse antistatique, comme illustré sur
la figure 12-1 (à droite).
Protégez votre puce CMOS.
Il est essentiel de vous débarrasser au maximum de l'électricité statique avant de manipuler votre circuit intégré compteur décimal 4017, ou toute autre puce CMOS.
Croyez-moi, votre corps transporte de l'électricité statique, que vous marchiez sur un tapis ou non.
Pour réduire l'électricité statique, portez des vêtements en coton ou en laine à faible électricité statique (en évitant le polyester et l'acétate, que vous évitez probablement déjà) .
Explorez le compteur décimal
4017
Le circuit intégré compteur décimal 4017 possède 16 broches
(voir le brochage sur la figure 12-4).

Parmi celles-ci, 10 broches de sortie assurent le comptage.
Imaginez ces 10 broches comme vos 10 doigts lorsque vous comptez — enfin, comme lorsque vous comptiez sur vos doigts.
À chaque incrémentation du compteur 4017, l'une de ses 10 broches de comptage passe à l'état haut (c'est-à-dire qu'elle reçoit la tension de la batterie), tandis que toutes les autres passent à l'état bas (c'est-à-dire qu'elles ne reçoivent aucune tension).
Ainsi, à tout instant, une seule des 10 broches de comptage du circuit intégré 4017 est à l'état haut, les 9 autres étant à l'état bas.
La broche à l'état haut indique
la valeur du compteur à cet instant.
Une autre broche du compteur décimal
4017 sert à déclencher le processus de comptage.
Le comptage n'avance que lorsque la broche de déclenchement passe de l'état bas à l'état haut.
Imaginez un enseignant guidant
un enfant qui compte sur ses doigts.
Lorsque l'enseignant demande :
« Quel est le nombre suivant ?», l'enfant répond.
De même, lorsque la broche de
déclenchement du circuit intégré 4017 passe d'un niveau bas à un niveau haut, le
circuit intégré applique un niveau haut sur la broche de comptage suivante et un
niveau bas sur toutes les autres.
Le circuit intégré 4017, un compteur
décimal, intègre un circuit ingénieux qui rend possibles le déclenchement et le
comptage.
À l'extérieur de la puce,
seules 16 broches permettent de contrôler et d'utiliser le 4017 :
Les
broches 8 et 16 servent à l'alimentation.
Connectez la borne positive
d'une pile à la broche 16 et la borne négative à la broche 8.
La broche 14 est la
broche de déclenchement (également appelée broche d'horloge, Clock),
essentielle et constitue une entrée.
Lorsque la broche 14 passe de l'état
bas à l'état haut, la puce incrémente son compteur.
Cette broche est une entrée car la tension qui lui est appliquée influence le fonctionnement interne de la puce.
La section suivante vous
indiquera la tension à appliquer à la broche 14 pour votre circuit.
Les broches 1 à 7 et 9 à 11 sont les broches de comptage, qui sont des sorties.
Le comptage ne suit pas nécessairement l'ordre des numéros de broches.
Lorsque la puce incrémente de 1 à 10, les broches passent à l'état haut dans l'ordre suivant :
3, 2, 4, 7, 10, 1, 5, 6, 9, 11
Ce cycle de comptage se répète tant que la puce fonctionne et que la broche de déclenchement est activée.
Dans ce projet, vous utilisez
les dix broches de comptage pour contrôler la tension de dix LED, afin que
celles-ci s'allument séquentiellement (une par une) et que le cycle d'éclairage
se répète jusqu'à la mise hors tension du circuit.
Les broches 12, 13
et 15 servent à d'autres fonctions.
Elles permettent d'activer ou de
désactiver le comptage, de réinitialiser le compteur et de connecter plusieurs
compteurs décimaux 4017 pour compter jusqu'à 100, 1 000, voire plus.
Pour ce projet, la broche 12
n'est pas utilisée et les broches 13 et 15 sont simplement connectées à la borne
négative de la batterie pour éviter de désactiver ou de réinitialiser le
comptage.
Ne vous inquiétez pas si ces informations vous semblent
étranges ou confuses.
Je vous montre précisément
comment connecter le compteur décimal 4017 à votre circuit.
Utilisez
la minuterie 555 comme déclencheur.
Dans les projets 8 à 11, vous utilisez une puce 555 pour contrôler le clignotement d'une LED ou le son d'un haut-parleur.
Dans ce projet, vous utilisez
la sortie (broche 3) de la puce 555 comme entrée de déclenchement du compteur
décimal 4017.
Comme vous l'avez découvert dans le
projet 8, la puce 555 est conçue pour fournir une
tension oscillante (haut et bas) sur sa broche 3.
La figure 12-5 illustre le graphique de cette tension de sortie oscillante.

La durée exacte des états haut et bas de la tension pendant chaque cycle (la partie qui se répète) dépend des valeurs de deux résistances et d'une capacité connectées aux broches 2, 6 et 7 de la puce 555.
Le projet 8 explique comment calculer la durée de la tension de sortie sur la broche 3 à partir de ces valeurs de résistance et de capacité.
Notez que durant chaque cycle, la tension de sortie passe de l'état bas à l'état haut (puis de l'état haut à l'état bas).
Cette transition de tension est
précisément ce dont le compteur décimal 4017 a besoin pour déclencher
l'incrémentation.
En connectant la broche 3 (sortie) de la puce 555 à la
broche 14 (entrée de déclenchement) du circuit intégré du compteur décimal 4017,
vous pouvez utiliser l'oscillation de la sortie de la puce 555 pour déclencher
le comptage.
Ingénieux, n'est-ce pas ?
Avec cette connexion, chaque
fois que la sortie de la puce 555 passe de l'état bas à l'état haut (ce qui se
produit une fois par cycle), le compteur décimal 4017 incrémente son compteur.
Prêt à vous lancer dans la construction de votre circuit de roulette ?
Rassemblez les pièces dont vous avez besoin
Ce projet nécessite de nombreux fils de connexion.
La liste des composants ci-dessous indique les longueurs minimales de fils nécessaires pour un circuit aussi propre que possible.
Inutile de passer trop de temps à mesurer et couper les fils de connexion au millimètre près !
Ils n’ont pas besoin d’être parfaits (les miens ne le sont pas !) et ce n’est pas grave s’ils sont légèrement trop longs et se courbent entre les trous de contact de votre breadboard.
Utilisez donc les longueurs
indiquées comme repères pour la préparation de vos fils.
Vous pouvez
toujours raccourcir un fil s’il est trop long et gêne le fonctionnement de votre
circuit, ou en fabriquer un nouveau si vous avez coupé un fil de connexion trop
court.
Rassemblez tous les composants de cette liste (voir figure 12-6) :


Plaque d'essai sans soudure, préparée avec :
• Une pile 9 V avec clip
de connexion
• Un interrupteur et un fil de connexion
• Des fils de connexion pour
l'alimentation
Un haut-parleur de 8 Ω, avec les éléments suivants :
• Deux fils rigides de calibre 22 (environ 5 cm) avec extrémités dénudées
• Deux mini-pinces crocodiles
isolées
Un circuit intégré 555
Un circuit intégré de compteur
décimal CMOS 4017
Un bouton-poussoir à 4 broches (momentané, normalement
ouvert)
Dix LED (transparentes ou diffuses, de 3 ou 5 mm, de couleur
indifférente)
Condensateurs :
• Un
condensateur à film de 0,01 µF (non polarisé)
• Un condensateur à film de
0,1 µF (non polarisé)
• Un condensateur électrolytique de 4,7 µF
(polarisé)
• Un condensateur électrolytique de 10 µF (polarisé)
•
Un condensateur électrolytique de 22 µF (polarisé)
Résistances :
•
Une résistance de 100 Ω
• Une résistance de 330 Ω
• Une
résistance de 47 kΩ
• Une résistance de 470 kΩ
Fils de
connexion :
• Dix fils de connexion de 4,76 mm (minimum)
• Huit
fils de connexion de 7,94 mm (minimum) Fils de connexion
• Trois fils de
connexion de 3/8 pouce (minimum)
• Un fil de connexion de 9/16 pouce
(minimum)
• Trois fils de connexion de 3/4 pouce (minimum)
• Un
fil de connexion de 1 pouce (minimum)
• Deux fils de connexion de 1 1/4
pouce (minimum)
• Un fil de connexion de 1 3/8 pouce (minimum)
•
Un fil de connexion de 1 1/2 pouce (minimum)
• Un fil de connexion de 5 cm (minimum)
• Trois fils de connexion
de 5,7 cm (minimum)
• Un fil de connexion de 6,4 cm (minimum)
Optionnel :
Un potentiomètre de 100 kΩ (de préférence à variation linéaire) avec fils conducteurs ou un potentiomètre DIP
Vous aurez également besoin d'une pince coupante pour couper les fils et d'une pince à becs fins pour les plier et insérer les composants sur votre plaque d'essai (et, éventuellement, redresser les broches tordues du circuit intégré).
Si vous devez réaliser des cavaliers (ce qui est fort probable), gardez une pince à dénuder à portée de main.
Projet en deux parties
Vous construisez le circuit de roulette en deux parties :
Dans la
première partie, vous construisez et testez un circuit de chenillard lumineux.
Ce circuit allume chacune de vos dix LED une à une et répète le motif à une fréquence constante (donnant l’impression que les LED se poursuivent).
Le circuit continue d’allumer
les dix LED en séquence tant qu’il est alimenté.
Une fois ce circuit de
chenillard lumineux terminé, vous le testez avant de passer à la deuxième
partie.
Dans la deuxième partie, vous apportez quelques modifications au
circuit de chenillard lumineux pour altérer sa durée et créer l’effet d’une
roulette.
Le motif lumineux des LED ralentit progressivement, jusqu’à ce qu’une seule LED reste allumée.
Vous ajoutez également un
haut-parleur pour imiter le son d’une roulette.
Le circuit du
projet 13 (feu tricolore) est similaire au
circuit de roulette de ce projet.
Si vous comptez aborder le Projet 13 après avoir construit votre circuit de roulette, je vous recommande de le conserver en place.
Vous gagnerez beaucoup de temps
en ne retirant que quelques composants et en réutilisant le reste du circuit.
Partie 1 : Circuit de chenillard lumineux
Le circuit de
chenillard lumineux implique un câblage assez complexe.
Il est très facile d’inverser les fils lors de sa construction ; prenez donc votre temps et soyez prudent lorsque vous branchez les fils de connexion et les composants sur votre plaque d’essai.
Le dépannage de ce circuit est
fastidieux ; il est donc préférable de prendre le temps et le soin nécessaires
pour un montage correct dès le départ.
La partie 1 est assez longue (la
partie 2 est beaucoup plus courte) ; si vous avez besoin d’aller aux toilettes,
c’est le moment.
Construction du chenillard
lumineux
Suivez ces étapes pour construire votre circuit de
chenillard lumineux :
1. Vérifiez votre plaque d'essai sans soudure
(voir figure 12-7).

a. Assurez-vous que les deux rails d'alimentation positifs et les deux rails
d'alimentation négatifs sont connectés.
b. Vérifiez que l'interrupteur et
les connexions des fils de connexion sont correctement installés et que
l'interrupteur est en position arrêt.
c. Vérifiez que les fils de la
pince de la batterie sont bien insérés dans les trous de contact correspondants
de votre plaque d'essai.
2. Insérez la puce 555 dans
le breadboard.
a. Orientez la puce 555 de façon à ce que le repère
d'horloge soit dans le coin supérieur gauche (voir figure 12-8, à gauche). Les
broches d'angle sont indiquées sur la figure.

b. Placez la puce sur les trous
45–48e (côté gauche) et 45–48f (côté droit), en alignant les
broches d'angle comme suit : broche 1 dans le trou 45e, broche 4 dans le
trou 48e, broche 5 dans le trou 48f et broche 8 dans le trou 45f.
c. Appuyez doucement sur le corps de la puce jusqu'à ce que les broches
soient bien insérées dans les trous de contact. (Voir figure 12-8, à droite.)
Assurez-vous que la face inférieure de la puce repose à plat sur la plaque
d'essai.
3. Insérez un fil de connexion d'au moins 8 mm (5/16 pouce)
dans le breadboard.
Branchez une extrémité du fil de connexion dans le trou 45a (broche 1) et l'autre extrémité sur le rail d'alimentation négatif situé à gauche de la rangée 45. (Voir le fil de connexion orange sur la figure 12-9.)

4. Insérez le condensateur de 0,1 µF sur le
breadboard.
a. Assurez-vous d'utiliser le bon condensateur. Le
condensateur de 0,1 µF inséré à cette étape est un condensateur à film non
polarisé, et sa capacité est supérieure à celle du condensateur à film non
polarisé de 0,01 µF inséré ultérieurement.
b. Pliez et coupez les pattes
du condensateur de manière à ce que chaque patte mesure environ 9,5 mm (3/8
pouce) sous le pli.
c. Branchez une patte (au choix) dans le trou 46a
(broche 2) et l'autre sur le rail d'alimentation négatif situé à
gauche de la rangée 46. (Voir figure 12-10.) Ce condensateur étant non polarisé,
vous pouvez l'orienter dans les deux sens dans le circuit.

5. Insérez un fil de
connexion d'au moins 2,5 cm (1 pouce) dans le breadboard.
Ce fil relie les broches 2 et 6 du circuit intégré 555.
Branchez une extrémité du fil dans le trou 46d et l'autre extrémité dans le trou 47g. (Voir figure 12-11.)

6. Insérez un fil de connexion d'au moins 1 cm (3/8 de pouce) dans le
breadboard.
Branchez une extrémité du fil dans le trou 48a
(broche 4) et l'autre extrémité sur le rail d'alimentation positif
situé à gauche de la rangée 48. (Voir le fil de connexion jaune à gauche du
circuit intégré sur la figure 12-12.)

7. Insérez le condensateur
de 0,01 μF dans le breadboard.
a. Pliez
et coupez les pattes du condensateur de façon à ce que chaque patte mesure
environ 9,5 mm (3/8 pouce) sous le pli.
b. Branchez une patte de ce condensateur non polarisé dans l'orifice 48j (broche 5) et l'autre patte sur le rail d'alimentation négatif situé à droite de la rangée 48. (Voir figure 12-13.)

8. Insérez une résistance de 470 kΩ sur le
breadboard.
a. Pliez et coupez les pattes de la résistance de
manière à ce que chaque patte mesure environ 6 mm (1/4 de pouce) sous le pli.
b. Branchez une patte dans l'orifice 46i
(broche 7) et l'autre patte sur le rail d'alimentation positif
situé à droite de la rangée 46, comme illustré sur la figure 12-14.

9. Insérez une résistance de
47 kΩ dans le breadboard.
a. Pliez l'une
des pattes de la résistance de manière à ce qu'elle soit parallèle à l'autre,
comme illustré sur la figure 12-15 (à gauche).
b. Coupez les deux pattes
de façon à ce qu'elles dépassent d'environ 6 mm (1/4 de pouce) du corps de la
résistance (voir figure 12-15, au centre).
c. Branchez une patte dans le
trou 46h
(broche 7) et l'autre dans le trou 47h
(broche 6) ,
comme illustré sur la figure 12-15 (à droite).

10. Insérez un fil de
connexion de 8 mm (5/16 pouce) minimum dans le breadboard.
Branchez une extrémité du fil dans le trou 45j
(broche 8) et l'autre extrémité sur le rail d'alimentation positif
situé à droite de la rangée 45. (Voir le fil de connexion orange à droite de la
puce sur la figure 12-16.)

11. Insérez cinq fils de connexion de 8 mm (5/16 pouce) minimum dans le
breadboard,
comme indiqué sur la figure 12-17.

a. Branchez le premier fil de
connexion dans les trous 27e et 27f.
b. Branchez le deuxième fil
de connexion dans les trous 28e et 28f.
c. Branchez le troisième
fil de connexion dans les trous 29e et 29f.
d. Branchez le
quatrième fil de connexion dans le trou 30j et sur le rail d'alimentation
positif situé à droite de la rangée 30.
e. Branchez le cinquième fil cavalier dans le trou 37a et le rail d'alimentation négatif à gauche de la rangée 37.
12. Insérez deux fils de
connexion de 9,5 mm (3/8 pouce) minimum dans le breadboard.
(Voir les fils de connexion jaunes sur la figure 12-18.)

a. Branchez le premier fil de connexion dans le trou 31j et sur le
rail d'alimentation négatif situé à droite de la rangée 31.
b. Branchez
le deuxième fil de connexion dans le trou 33j et sur le rail
d'alimentation négatif situé à droite de la rangée 33.
13. Insérez
trois fils de connexion de 19 mm (3/4 pouce) minimum dans le
breadboard.
(Voir les fils de connexion marrons sur la figure
12-19.)

a. Branchez le premier fil de connexion dans les trous 27i et 35i.
b. Branchez le deuxième fil de connexion dans les trous 28h et 36h.
c. Branchez le troisième fil de connexion dans les trous 29g et 37g.
14. Insérez neuf fils de
connexion de 4,76 mm (3/16 pouce) minimum dans le
breadboard.
(Voir les fils de connexion rouges sur la
figure 12-20.)

a. Branchez le premier fil de connexion dans les trous 7i et 9i.
b. Branchez le deuxième fil de connexion dans les trous 9j et 11j.
c. Branchez le troisième fil de connexion dans les trous 11i et 13i.
d. Branchez le quatrième fil de connexion dans les trous 13j et 15j.
e. Branchez le cinquième fil de connexion dans les trous 15i et 17i.
f. Insérez le sixième fil de
connexion dans les trous 17j et 19j.
g. Insérez le septième fil de
connexion dans les trous 19i et 21i.
h. Insérez le huitième fil de
connexion dans les trous 21j et 23j.
i. Insérez le neuvième fil de
connexion dans les trous 23i et 25i.
15. Insérez la résistance
de 330 Ω dans le breadboard.
Pliez et
coupez les pattes de la résistance. Insérez ensuite une patte dans le trou
25j et l'autre dans le rail d'alimentation négatif à droite de la rangée 25,
comme illustré sur la figure 12-21.

16. Insérez un fil de connexion d'au moins 4,76 mm (3/16 pouce) dans le
breadboard.
Insérez le fil de connexion dans les trous 25d
et 27d. (Voir le fil rouge sur la figure 12-22.)

17. Insérez un fil de
connexion d'au moins 3,2 cm (1 1/4 pouce) dans le
breadboard.
Branchez le fil de connexion dans les trous 15c
et 28c. (Voir le fil jaune sur la figure 12-23.)

18. Insérez un fil de
connexion d'au moins 14 mm (9/16 pouce) dans le breadboard.
Branchez le fil de connexion dans les trous 23b et 29b. (Voir le
fil bleu sur la figure 12-24.)

19. Insérez un fil de
connexion d'au moins 3,5 cm (1 3/8 pouce) dans le
breadboard.
Branchez le fil de connexion dans les trous 21a
et 35a. (Voir le fil blanc sur la figure 12-25.)

20. Insérez un fil de
connexion d'au moins 3,8 cm (1 1/2 pouce) dans le
breadboard.
Branchez le fil de connexion dans les trous 19b
et 34b. (Voir le fil rouge indiqué par les flèches sur la figure 12-26.)

21. Insérez un fil de
connexion de 32 mm (1 1/4 pouce) dans le breadboard.
Branchez le fil de connexion dans les trous 17d et 30d. (Voir le
fil rouge indiqué par les flèches sur la figure 12-27.)

22. Insérez un fil de
connexion de 57 mm (2 1/4 pouces) dans le breadboard.
Branchez le fil de connexion dans les trous 11c et 33c. (Voir le
fil rouge indiqué par les flèches sur la figure 12-28.)

23. Insérez un fil de
connexion de 57 mm (2 1/4 pouces) dans le breadboard.
Branchez le fil de connexion dans les trous 13a et 36a. (Voir le
fil orange indiqué par les flèches sur la figure 12-29.)

24. Insérez un fil de connexion de 5,7 cm (2 1/4 pouces) dans le breadboard. (Ça se complique un peu, n'est-ce pas ?)
Branchez le fil de connexion dans les trous 9b et 31b. (Voir le fil orange indiqué par les flèches sur la figure 12-30.)

25. Insérez un fil de connexion de 6,35 cm (2 1/2 pouces) minimum dans le breadboard. (Dernier !)
Branchez le fil de connexion dans les trous 7b et 32b. (Voir le fil orange indiqué par les flèches sur la figure 12-31.)

26. Insérez les dix LED dans
le breadboard.
Je vous recommande de ne
pas couper les pattes des LED pour ce projet.
Il est plus facile de réaliser le circuit avec les LED qui dépassent de la plaque d'essai.
De plus, le chenillard lumineux
est plus esthétique ainsi !
Assurez-vous de bien identifier l'anode et la
cathode de chaque LED. (Voir figure 12-32.)

Lors des étapes suivantes d'insertion des LED, notez que chacune des dix LED est orientée de la même manière :
de part et d'autre de la rainure centrale de la plaque d'essai, l'anode (pôle positif, patte la plus longue, petite pièce métallique à l'intérieur du boîtier) insérée dans un trou de la colonne e,
et la cathode (pôle négatif,
patte la plus courte, grande pièce métallique à l'intérieur du boîtier) insérée
dans un trou de la colonne f.
Voici les détails concernant l'emplacement
d'insertion des LED (voir figure 12-33) :

a. Branchez l'anode de la
première LED (appelons-la LED1) dans le trou 7e et sa cathode dans le
trou 7f.
(Vous pouvez choisir n'importe laquelle de vos dix LED.)
b. Branchez l'anode de la LED2 dans le trou 9e et sa cathode dans le
trou 9f.
c. Branchez l'anode de la LED3 dans le trou 11e et
sa cathode dans le trou 11f.
d. Branchez l'anode de la LED4 dans
le trou 13e et sa cathode dans le trou 13f.
e. Insérez l'anode de la LED5
dans le trou 15e et la cathode dans le trou 15f.
f. Insérez
l'anode de la LED6 dans le trou 17e et la cathode dans le trou 17f.
g. Insérez l'anode de la LED7 dans le trou 19e et la cathode dans le
trou 19f.
h. Insérez l'anode de la LED8 dans le trou 21e et
la cathode dans le trou 21f.
i. Insérez l'anode de la LED9 dans le
trou 23e et la cathode dans le trou 23f.
j. Insérez l'anode
de la LED10 dans le trou 25e et la cathode dans le trou 25f.
27. Insérez le condensateur électrolytique de 10 μF dans le
breadboard.
a. Coupez les pattes du condensateur pour qu'elles
aient la même longueur (environ 1,25 cm).
b. Insérez le côté négatif
(indiqué par une bande noire ou un signe moins) dans le rail d'alimentation
négatif situé à gauche de la rangée 3.
Insérez le côté positif dans le rail d'alimentation positif situé à gauche de la rangée 3. (Voir figure 12-34.)

28. Insérez un fil de connexion d'au moins 5 cm (2 pouces) dans le
breadboard.
Branchez une extrémité du fil dans le trou 32j
et l'autre extrémité dans le trou 47c (broche 3).
Pour un circuit plus propre, appuyez sur le fil avec vos doigts contre la surface de la plaque d'essai et déplacez-le vers la droite, comme indiqué sur la figure. (Voir le fil orange indiqué par les flèches sur la figure 12-35.)

29. Insérez le circuit
intégré compteur décimal 4017 dans le breadboard.
Ce circuit intégré CMOS étant sensible aux décharges électrostatiques,
insérez-le en dernier afin de réduire le risque de l'endommager lors du montage
de votre circuit.
Note: De nos jours les circuits intégrés CMOS sont moins sensible aux décharges électrostatiques.
Tous les circuits intégrés numériques CMOS modernes intègrent un vaste circuit interne de serrage de diode conçu pour protéger leurs IGFET internes contre les dommages causés par des quantités raisonnables de ce type de décharge statique lorsque le circuit intégré est manipulé.
Donc si vous le voulez vous pouvez insérer le 4017 en premier et faire le câblage ensuite.
a. Si les broches sont inclinées vers l'extérieur, redressez-les autant que possible. (Voir figure 12-36.)

b. Orientez le circuit intégré compteur décimal 4017 de sorte que l'encoche
(repère d'horloge) soit sur le bord supérieur,
comme illustré pour les
deux compteurs décimaux 4017 (de fabricants différents) sur la figure 12-37.
(J'ai ajouté des étiquettes aux coins des broches sur la figure.)

Certains circuits intégrés présentent également une petite encoche dans le coin supérieur gauche (voir figure 12-37, à gauche).
Attention !
Certains circuits intégrés présentent une encoche sur le bord inférieur (voir figure 12-37, à droite).
L'encoche dans le boîtier en plastique est ce qu'il faut rechercher pour déterminer quelle broche est la broche 1.
c. Placez la puce sur les trous
30-37e (côté gauche) et 30-37f (côté droit), en alignant les
broches d'angle comme suit :
broche 1 dans le trou 30e, broche 8
dans le trou 37e, broche 9 dans le trou 37f et broche 16 dans le
trou 30f.
d. Appuyez lentement sur le corps de la puce, en
appliquant une pression uniforme sur toute sa surface, pour insérer les broches
dans les trous de contact.
Pendant que vous appuyez, vérifiez que toutes
les broches sont bien insérées.
Si une broche ne s'insère pas, arrêtez d'appuyer, guidez-la délicatement dans son trou, puis appuyez à nouveau sur la puce jusqu'à ce qu'elle soit bien en place. (Voir figure 12-38.)

La figure 12-39 montre le circuit de chenillard lumineux terminé (à
l'exception de la batterie et des connexions d'alimentation), placé sur le côté
de sorte que les LED s'allument de gauche à droite.

Vérifiez attentivement toutes vos connexions.
Assurez-vous que les deux circuits intégrés sont correctement orientés :
l’encoche du circuit intégré 4017 doit se trouver dans le coin supérieur gauche, et le creux du circuit intégré 555 dans le coin supérieur gauche.
Vérifiez que le condensateur électrolytique de 10 µF est correctement inséré :
la borne négative doit être connectée à la borne négative de l’alimentation, et la borne positive à la borne positive.
Vérifiez que chaque LED est correctement insérée :
l’anode (broche la plus longue) doit être dans la colonne e, et la cathode (broche la plus courte) dans la colonne f.
Vérifiez soigneusement tous les branchements des fils de connexion.
Une fois votre circuit vérifié,
il est temps de tester le chenillard lumineux !
Faites fonctionner
votre chenillard lumineux :
Mettez l’interrupteur sous tension.
Les LED s’allument-elles une à une, comme si elles se poursuivaient ?
Vous devriez voir les LED
s’allumer successivement, de la LED 1 (rangée 7) à la LED 10 (rangée 25), et ce
motif devrait se répéter.
Si votre chenillard lumineux fonctionne
correctement, félicitations !
Sinon, poursuivez votre
lecture !
Dépannage du circuit du chenillard lumineux
Si aucune LED ne s'allume, coupez l'alimentation et vérifiez à nouveau toutes vos connexions.
Voici quelques points à
vérifier :
Votre pile est-elle neuve ?
Ses bornes sont-elles correctement connectées à la carte ?
L'interrupteur est-il bien
inséré dans les trous correspondants de la plaque d'essai ?
Le fil
reliant les rails d'alimentation positifs gauche et droit, situés en bas de la
plaque d'essai, est-il bien inséré ?
Qu'en est-il du fil reliant les
rails d'alimentation négatifs gauche et droit ?
Les deux circuits
intégrés (la minuterie 555 et le compteur décimal 4017) sont-ils correctement
orientés ?
Les broches sont-elles tordues ou mal insérées dans les trous de contact ?
Les puces sont-elles bien insérées dans les trous de contact correspondants ?
Le condensateur de 10 μF est-il
bien inséré dans les rails d'alimentation positif et négatif situés en haut à
gauche de votre plaque d'essai ?
La borne négative du condensateur
est-elle insérée dans le rail d'alimentation négatif ?
La broche 16 du
circuit intégré 4017 est-elle connectée (par un cavalier) au rail d'alimentation
positif ?
Les broches 8, 13 et 15
sont-elles connectées (par des cavaliers) au rail d'alimentation négatif ?
La broche 8 du circuit intégré 555 est-elle connectée (par un cavalier) au
rail d'alimentation positif ?
La broche 1 est-elle connectée
au rail d'alimentation négatif ?
La résistance de 47 kΩ est-elle
connectée entre les broches 6 et 7 du circuit intégré 555 ?
La résistance de 470 kΩ
est-elle connectée entre la broche 7 du circuit intégré 555 et le rail
d'alimentation positif ?
La cathode (borne négative) de chaque LED
est-elle connectée à un court cavalier rouge ?
La LED10 (la plus proche du circuit intégré 4017) est-elle connectée à la fois à un court fil de connexion rouge et à la résistance de 330 Ω ?
L'autre extrémité de la
résistance de 330 Ω est-elle connectée à la masse ?
Un fil de connexion
relie-t-il la broche 3 du circuit intégré 555 à la broche 14 du circuit intégré
4017 ?
Tous les fils de connexion sont-ils bien insérés dans leurs
contacts ?
Si certaines LED s'allument seulement, ou si elles s'allument
dans un ordre incorrect, concentrez votre dépannage sur les LED et les fils de
connexion qui les relient.
Voici quelques points à
vérifier :
Les LED voisines sont-elles espacées de deux rangées ?
Les LED sont-elles insérées
dans les colonnes e et f des rangées impaires, de la rangée 7 à la rangée 25 ?
Les pattes des LED sont-elles bien insérées dans leurs contacts ?
Chaque LED est-elle
correctement orientée, son anode insérée dans un trou de la colonne e et sa
cathode dans un trou de la colonne f ?
Observez les petits fils de
connexion rouges à droite des LED.
Une extrémité de chaque fil de
connexion est-elle reliée à l'autre extrémité du fil voisin, sur la même
rangée ?
Le dernier fil de connexion (le plus bas) est-il relié à la résistance de 330 Ω, sur la rangée 25 ?
L'autre extrémité de la
résistance de 330 Ω est-elle reliée à la masse ?
Observez les fils de
connexion à gauche des LED.
Sont-ils tous bien insérés dans
les trous de contact correspondants ? (Je sais, ce n'est pas toujours facile à
voir !)
Si vous ne parvenez toujours pas à identifier la source du
problème, demandez de l'aide à un ami ou à un membre de votre famille.
Un regard extérieur et une vérification des connexions sont parfois la clé du bon fonctionnement de votre circuit.
Partie 2 : La roulette
Dans cette partie, vous déplacez une résistance et ajoutez trois
composants pour modifier la temporisation du chenillard lumineux afin que le
circuit se comporte comme une roulette.
Vous pouvez ensuite ajouter un potentiomètre pour améliorer l'aléatoire du résultat.
Enfin, ajoutez un condensateur
et un haut-parleur pour les effets sonores.
Modifier la temporisation
Laissez votre circuit de chenillard lumineux en place, mais coupez
l'alimentation.
Suivez ensuite ces étapes pour
modifier la temporisation de la sortie du circuit intégré 555 et transformer
votre circuit de chenillard lumineux en un jeu de roulette (devinez le numéro).
1. Déplacez la résistance de 470 kΩ sur votre breadboard.
Si
le condensateur de 0,01 µF (dans l'emplacement 48j et sur le rail
d'alimentation négatif) vous gêne lors du déplacement de la résistance de
470 kΩ, retirez-le temporairement, puis remettez-le en place.
a. Retirez la résistance de 470 kΩ du trou 46i et du rail d'alimentation positif.
Une pince à bec fin peut faciliter cette opération. (Voir figure 12-40, à gauche.)
b. Insérez la résistance de 470 kΩ dans les trous 46i et 50i. (Voir figure 12-40, à droite.)

2. Insérez un fil de
connexion d'au moins 8 mm (5/16 pouce) dans le
breadboard.
Branchez une extrémité du fil dans le trou 50j
et l'autre dans le trou 53j.
(Voir le fil de connexion orange
inférieur sur la figure 12-41.)

3. Insérez le bouton-poussoir dans le breadboard.
a. Orientez le bouton-poussoir de manière à ce qu'il chevauche la
rainure centrale de la plaque d'essai, entre les rangées 53 et 55, et que ses
broches reposent sur les trous 53e, 53f, 55e et 55f, comme illustré sur
la figure 12-42.

Notez que les broches du bouton-poussoir sont courbées vers l'extérieur et
vers la gauche ou la droite lorsque le bouton est correctement orienté.
Si les broches sont incurvées vers le haut et le bas de la plaque d'essai, vous ne pourrez pas insérer l'interrupteur au niveau de la rainure centrale de la plaque d'essai.
Vous pouvez toujours orienter l'interrupteur à l'endroit ou à l'envers ; cela n'a pas d'importance.
b. Insérez fermement les quatre broches de l’interrupteur dans les trous 53e, 53f, 55e et 55f.
La meilleure façon d’insérer l’interrupteur est de placer vos ongles de chaque côté et d’appuyer uniformément sur son corps. (Voir figure 12-43.)

c. Si l'interrupteur ne
s'insère pas facilement, retirez-le et examinez ses broches. Si certaines
broches sont tordues, redressez-les à l'aide d'une pince à bec fin. Réinsérez
ensuite l'interrupteur dans la plaque d'essai.
4. Insérez la
résistance de 100 Ω (marron-noir-marron) dans le breadboard.
Pliez et
coupez les pattes de la résistance. Branchez ensuite une patte dans le trou
55a et l'autre sur le rail d'alimentation positif à gauche de la rangée 55,
comme illustré sur la figure 12-44.

Exemple 29-6
5. Insérez le condensateur
électrolytique de 22 μF dans le breadboard.
a. Pliez l'une des pattes du condensateur de manière à ce qu'elle soit
parallèle à l'autre,
comme illustré sur la figure 12-45 (à gauche).
b. Coupez les deux pattes de façon à ce que chacune dépasse d'environ 1,25
cm du corps du condensateur
(voir figure 12-45, au centre).

c. Insérez le côté négatif
(indiqué par une bande noire ou un signe moins) dans le rail d'alimentation
négatif à gauche de la rangée 53.
Insérez le côté positif dans l'orifice
53a. (Voir figure 12-45, à droite.)
La figure 12-46 montre la
section modifiée de votre circuit.

Vérifiez ces nouvelles connexions. Lorsque vous pensez être prêt, il est
temps de tester votre circuit roulette !
Jouez au jeu des devinettes
Mettez l'interrupteur sous tension. Une seule LED devrait s'allumer.
Appuyez ensuite sur le bouton-poussoir et relâchez-le.
Les LED clignotent-elles l'une après l'autre comme précédemment ?
Le rythme de ce clignotement
ralentit-il avec le temps ?
(Il devrait.) Après environ 15 secondes, une
seule LED est-elle allumée ?
Si oui, appuyez à nouveau sur
le bouton-poussoir et essayez de deviner laquelle restera allumée.
Si le
circuit ne fonctionne pas (mais que le dispositif de clignotement de la partie 1
fonctionnait), reprenez les étapes de la partie 2 et vérifiez vos connexions à
trois reprises.
Ajoutez un potentiomètre (facultatif)
Le
jeu est plus amusant si le résultat de la roulette est imprévisible.
Avec votre circuit de roulette, vous constaterez peut-être qu'une LED reste allumée selon un schéma précis à chaque tour.
Par exemple, si la LED 2 est restée allumée après un tour, les deux tours suivants pourraient voir la LED 4 puis la LED 6 rester allumées.
Les joueurs pourraient ainsi repérer ce schéma. Pour augmenter l'aléatoire du résultat, il suffit d'effectuer une simple modification : remplacez le fil de connexion des trous 50j et 53j par un potentiomètre de 100 kΩ (voir figure 12-47).

Ensuite, interrupteur allumé, avant de lancer une nouvelle partie, tournez légèrement le bouton du potentiomètre.
Cette action modifie légèrement le délai d'activation du circuit intégré 555 et garantit un résultat plus aléatoire.
Ajout d'effets sonores
Voici maintenant la partie la plus amusante de ce projet : les effets sonores.
Vous aurez besoin d'un condensateur électrolytique de 4,7 µF et d'un haut-parleur avec des fils et des pinces crocodiles.
Reportez-vous au
projet 10 pour plus de détails sur le branchement
des fils et des pinces crocodiles à votre haut-parleur.
Mettez l'appareil
hors tension et suivez ces étapes pour ajouter des effets sonores :
1.
Insérez le condensateur électrolytique de 4,7 µF dans la plaque d'essai, comme
indiqué sur la figure 12-48.

Branchez la borne négative (identifiée par un signe moins ou une bande
noire) dans le trou 42b et la borne positive (non étiquetée) dans le
trou 47b.
2. Insérez le haut-parleur dans la plaque d'essai,
comme indiqué sur la figure 12-49.

Branchez l'une des bornes (n'importe
laquelle) dans le trou 42a et l'autre dans n'importe quel trou de la
borne négative d'alimentation à gauche (j'ai utilisé le trou à gauche de la
rangée 39).
Allumez l'interrupteur et
appuyez sur le bouton-poussoir.
Entendez-vous un cliquetis au même rythme
que l'allumage des LED ?
Cela ressemble-t-il au bruit d'une vraie
roulette ? Plutôt sympa, non ?
Schémas et explication du circuit
Dans cette section, je vous présente le schéma du chenillard lumineux et
un schéma partiel de la roulette (uniquement la partie du chenillard modifiée
pour créer la roulette).
J'explique ensuite le
fonctionnement de ces circuits. Il n'y aura pas d'interrogation sur ce sujet ;
vous pouvez donc passer cette section et aborder un autre projet si vous le
souhaitez.
Chenillard lumineux
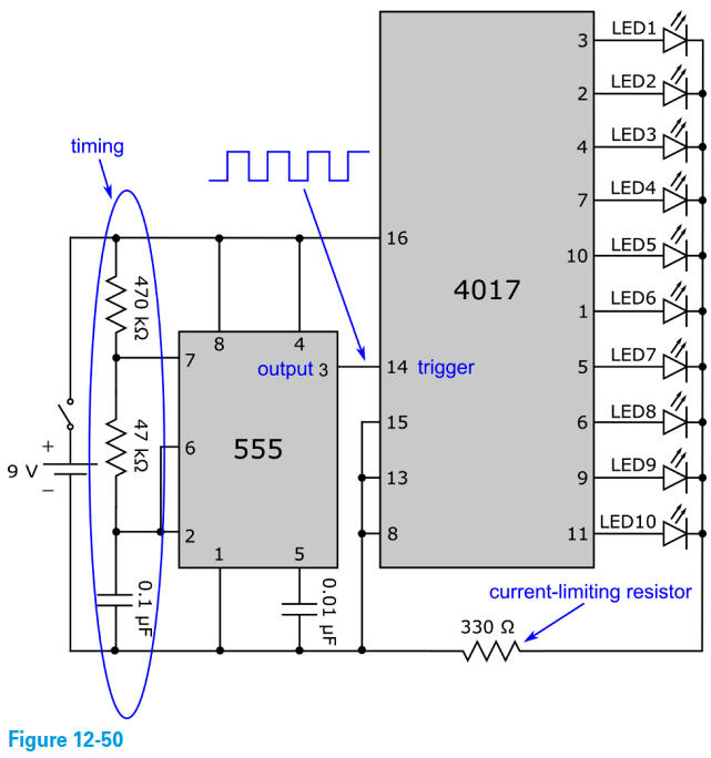
La figure 12-50 présente le
schéma de la partie 1 de ce projet, le circuit du chenillard lumineux, avec des
légendes (j'espère) utiles.

À gauche du schéma se trouve la minuterie 555.
La résistance de 470 kΩ, la résistance de 47 kΩ et le condensateur de 0,1 μF, situés à gauche de la minuterie 555, contrôlent la temporisation de la tension de sortie sur la broche 3.
Cette tension de sortie sert à
déclencher le compteur décimal 4017 ; la broche 3 de la minuterie 555 est donc
connectée à la broche 14 (entrée de déclenchement) du circuit intégré 4017.
À droite du schéma se trouve le compteur décimal 4017.
Ses dix sorties de comptage sont toutes connectées à des LED.
Les cathodes des LED sont reliées entre elles et à l'une des bornes de la résistance de 330 Ω.
Cette résistance limite le courant traversant chaque LED.
Notez qu'une seule résistance de limitation de courant est nécessaire pour les LED, car une seule LED est allumée à la fois.
Les quatre autres broches (8, 13, 15 et 16) sont connectées soit à la borne positive, soit à la borne négative de la batterie.
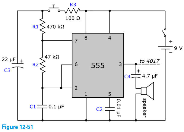
La roue de roulette
Le circuit de la roue de roulette est quasiment identique à celui du
chenillard lumineux.
Seules la partie gauche du
circuit diffère, avec la minuterie 555 et les composants qui contrôlent la
temporisation.
La figure 12-51 illustre la partie gauche du schéma du
circuit de la roue de roulette avec effets sonores, incluant les modifications
de la partie 2, à l'exception du potentiomètre optionnel.

La pile de 9 V est représentée sur la partie droite du schéma.
Notez que la résistance de 470 kΩ n'est pas connectée directement à la borne positive de la batterie, contrairement au circuit du chenillard.
Elle est connectée à l'interrupteur à bouton-poussoir et au condensateur de 22 μF.
L'autre borne de l'interrupteur
à bouton-poussoir est reliée à la borne positive de la batterie via la
résistance de 100 Ω.
Lorsque l'interrupteur d'alimentation est activé,
mais avant que l'interrupteur à bouton-poussoir ne soit enfoncé, la puce 555 est
alimentée (par les broches 1 et 4).
Cependant, les composants de
temporisation — la résistance de 470 kΩ (R1), la résistance de 47 kΩ (R2) et le
condensateur de 0,1 μF (C1) — ne fonctionnent pas car ils ne sont pas alimentés.
Par conséquent, une seule LED est allumée et reste allumée car le signal de
déclenchement du 4017 (provenant de la sortie de la puce 555) reste constant.
Notez que le condensateur de 22 μF (C3) est connecté aux trois composants de temporisation. Ce condensateur est essentiel au nouveau fonctionnement de la roulette.
Lorsque vous appuyez sur le bouton-poussoir, ce condensateur de 22 μF se charge rapidement à la tension de la batterie à travers la résistance de 100 Ω (R3).
La charge complète du condensateur prend environ un centième de seconde (car 5 R3 C3 = 0,011 Ω).
Ensuite, lorsque vous relâchez le bouton-poussoir (pratiquement immédiatement après l'avoir enfoncé), le condensateur de 22 μF n'est plus connecté à la batterie et se décharge à travers les résistances de 47 kΩ et 470 kΩ.
La tension aux bornes du condensateur de 22 μF est appliquée aux composants de temporisation du circuit intégré 555 (R1, R2 et C1).
Ce condensateur alimente ces composants, leur permettant ainsi de fonctionner.
La sortie du circuit intégré
555 oscille entre un état haut et un état bas, ce qui déclenche le compteur
décimal 4017 et provoque le clignotement simultané des LED.
Cependant, la
tension aux bornes du condensateur de 22 μF diminue à mesure que celui-ci se
décharge.
Cette diminution de la tension alimentant les composants de temporisation (R1, R2 et C1) entraîne un ralentissement de la temporisation.
Par conséquent, la fréquence d'oscillation de la tension de sortie sur la broche 3 du circuit intégré 555 diminue également.
Pour comprendre pourquoi la fréquence diminue, il faut s'appuyer sur une explication plus technique du fonctionnement du circuit intégré 555. voir la section 555.
La sortie du circuit intégré 555 (broche 3) étant connectée à l'entrée de déclenchement du compteur décimal 4017 (broche 14), la fréquence de comptage du 4017 diminue à mesure que la fréquence d'oscillation du circuit intégré 555 diminue.
Un comptage plus lent se
traduit par un clignotement plus lent de la LED ; vous observez donc un
ralentissement du motif lumineux de la LED.
Finalement, le condensateur
de 22 µF se décharge tellement que la tension aux bornes des composants du
circuit intégré 555 est trop faible pour produire une tension de sortie
oscillante sur la broche 3.
À ce moment-là, le 4017 n'est
plus déclenché, et la LED allumée à ce moment-là (la LED gagnante) reste
allumée.
Bravo !
Si vous avez suivi le schéma et l'explication du fonctionnement de la roulette, allez le raconter à un adulte.
Ensuite, demande à cet adulte de t'emmener manger une glace, faire de la tyrolienne ou toute autre activité que tu aimes vraiment.
Tu mérites bien une récompense !