Projet 11 : Clavier à une octave
Mes seconds pas en Électronique
Voir Projet 1 pour les composantes nécessaires pour Mes seconds pas en Électronique.


C'est l'heure du quiz !
Quel est le point commun entre les
chansons « Twinkle, Twinkle, Little Star », « Amazing Grace » et « Another One
Bites the Dust » ?
La réponse est…
Chacune de ces chansons (et
plusieurs autres) peut être jouée avec seulement huit notes de la gamme de do
majeur.
Ces huit notes forment une octave.
Dans ce projet, vous allez construire un clavier simple composé des huit
notes d'une octave de la gamme de do majeur.
Votre circuit utilise seulement 22 composants, dont 8 boutons-poussoirs (qui font office de touches) et une pile.
Test d'un bouton-poussoir
Un bouton-poussoir est un type d'interrupteur tactile (c'est-à-dire
activé par le toucher), un interrupteur marche/arrêt qui s'active lorsqu'on
appuie dessus (généralement avec le doigt).
La figure 11-1 illustre le
type de bouton-poussoir utilisé dans ce projet.

Chacun des huit boutons-poussoirs est un bouton-poussoir unipolaire unidirectionnel (SPST) momentanément ouvert.
En résumé, ce type d'interrupteur : établit ou interrompt la connexion entre deux points ; est normalement ouvert (ou éteint, c'est-à-dire que la connexion est interrompue) ; est temporairement fermé (ou allumé, établissant ainsi la connexion) lorsqu'on appuie sur son bouton ; est de nouveau éteint lorsqu'on relâche son bouton.
Notez que le bouton-poussoir illustré à la figure 11-1 possède quatre broches.
À l'intérieur du bouton, la broche en haut à gauche est reliée à la broche en haut à droite, et la broche en bas à gauche est reliée à la broche en bas à droite (voir figure 11-1, au centre).
Ces appariements de broches offrent simplement deux façons d'accéder à chaque côté de la connexion du bouton ; il s'agit toujours d'établir ou d'interrompre une seule et même connexion.
Le seul contact
(ouverture/fermeture) contrôlé par le bouton-poussoir se situe entre les broches
supérieures et inférieures (voir figure 11-1, à droite). Vous pouvez utiliser
indifféremment l'une des broches supérieures pour un côté du circuit et
indifféremment l'une des broches inférieures pour l'autre côté.
Si ces
informations de connexion vous semblent complexes, ne vous inquiétez pas.
Je vous explique précisément comment connecter chaque interrupteur de votre circuit.
Rassemblez les composants
nécessaires
Rassemblez tous les composants de cette liste (voir
figure 11-2) :

Plaque d'essai sans soudure, préparée avec :
• Pile 9 V avec clip de
connexion
• Interrupteur et fil de connexion
• Connexions du rail
d'alimentation
Un haut-parleur de 8 Ω, ainsi que les éléments suivants :
• Deux fils rigides de 5 cm environ, de section 22 AWG, dénudés
•
Deux mini-pinces crocodiles isolées
Un circuit intégré de minuterie LM555
Huit boutons-poussoirs à 4 broches (momentanément activés, normalement
ouverts)
Un potentiomètre de 10 kΩ (de préférence à variation linéaire)
avec ses fils ou
Un potentiomètre DIP.
Condensateurs :
• Un
condensateur à film de 0,01 µF (non polarisé)
• Un condensateur à film de
0,1 µF (non polarisé)
• Un condensateur électrolytique de 4,7 µF
(polarisé)
Résistances :
• Une résistance de 820 Ω
• Une
résistance de 1,2 kΩ
• Deux résistances de 1,8 kΩ
• Deux
résistances de 2,2 kΩ
• Une résistance de 2,7 kΩ
• Une résistance de 3 kΩ
• Une résistance de 10 kΩ
Fils de connexion :
• Deux fils de
connexion de 8 mm (minimum)
• Huit fils de connexion de 10 mm (minimum)
• Deux fils de connexion de 25 mm (minimum)
Dans le
projet 8, j’explique comment connecter les fils à
votre potentiomètre.
Utilisez les mini-pinces crocodiles pour connecter
les fils rigides de 5 cm (environ) aux fils de votre haut-parleur (reportez-vous
au projet 9 pour plus de détails).
La figure 11-3 montre à quoi ressemble votre haut-parleur avec les fils rigides connectés.

Gardez votre pince coupante à portée de main pour couper les fils et votre
pince à bec fin pour insérer les composants dans votre breadbord (et redresser
les broches des interrupteurs tordues, si nécessaire).
Construisez
votre clavier
Suivez ces étapes pour
construire votre circuit de clavier d'une octave :
1. Vérifiez votre
breadboard (voir figure 11-4)

a. Assurez-vous que les deux rails d'alimentation positifs et les deux
rails d'alimentation négatifs sont connectés.
2. Insérez la puce 555 dans
le
breadboard.
a. Orientez la puce 555 de façon à ce que le
repère d'horloge soit dans le coin supérieur gauche, comme illustré sur la
figure 11-5. (Les broches d'angle sont indiquées sur la figure.)

b. Placez la puce sur les trous 16-19e (côté gauche) et 16-19f (côté droit), en alignant les broches d'angle comme suit :
broche 1 dans le trou 16e, broche 4 dans le trou 19e, broche 5 dans le trou 19f et broche 8 dans le trou 16f.
c. Appuyez lentement sur le
corps de la puce jusqu'à ce que les broches soient bien insérées dans les trous
de contact.
(Voir figure 11-6.)

Assurez-vous que la face inférieure de la puce repose à plat sur la surface de la plaque d'essai.
3. Insérez un fil de
connexion de 8 mm (5/16 pouce) minimum dans le
breadboard.
Branchez une extrémité du fil dans le trou 16a
(broche 1) et l'autre extrémité sur le rail d'alimentation négatif situé à
gauche de la rangée 16. (Voir le fil de connexion orange sur la figure 11-7.)

4. Insérez le condensateur à film de 0,1 µF dans le
breadboard.
a. Assurez-vous d'utiliser le bon condensateur.
Le condensateur de 0,1 µF
inséré à cette étape est plus gros que celui de 0,01 µF inséré ultérieurement.
b. Pour un circuit plus propre, pliez et coupez les pattes du condensateur
de façon à ce que chaque patte mesure environ 10 mm (3/8 pouce) sous le pli.
c. Branchez un fil (n'importe lequel) dans le trou 17a
(broche 2) et l'autre fil dans le rail d'alimentation négatif à
gauche de la rangée 17. (Voir Figure 11-8.)
Notez que ce condensateur n'est pas polarisé, il n'y a donc pas d'importance dans quel sens vous l'orientez dans un circuit.

5. Insérez un fil de
connexion d'au moins 2,5 cm (1 pouce) dans le breadboard.
Ce fil relie les broches 2 et 6 du circuit intégré 555.
Branchez une extrémité du fil dans le trou 17d et l'autre extrémité dans le trou 18g. (Voir figure 11-9.)

6. Insérez le condensateur électrolytique de 4,7 μF dans le
breadboard comme indiqué sur la figure 11-10.

Branchez la borne négative (repérée par un signe moins ou une bande noire) dans le trou 12c et la borne positive (non repérée) dans le trou 18c (broche 3, Out).
7. Insérez un fil de
connexion de 9,5 mm (3/8 pouce) minimum dans le breadboard.
Branchez une extrémité du fil dans le trou 19a
(broche 4) et l'autre extrémité sur le rail d'alimentation positif
situé à gauche de la rangée 19. (Voir le fil de connexion jaune à gauche de la
puce sur la figure 11-11.)

9. Insérez un fil de
connexion d'au moins 2,5 cm (1 pouce) dans le breadboard.
Branchez une extrémité du fil dans le trou 18i
(broche 6) et l'autre extrémité dans le trou 28i.
(Voir le fil gris sur la figure 11-13.)

10. Insérez une résistance de 10 kΩ dans le
breadboard
a. Pliez et coupez les pattes de la résistance de
façon à ce que chaque patte mesure environ 6 mm (1/4 de pouce) sous le pli.
b. Branchez une patte dans le trou 17h
(broche 7) et l'autre dans le trou 21h, comme indiqué sur
la figure 11-14.

11. Insérez une résistance
de 2,2 kΩ dans le breadboard.
a. Pliez et
coupez les pattes de la résistance de façon à ce que chaque patte mesure environ
6 mm (1/4 de pouce) sous le pli.
b. Branchez une patte dans le trou
17j
(broche 7) et l'autre sur le rail d'alimentation positif situé à
droite de la rangée 17, comme illustré sur la figure 11-15.

12. Insérez un fil de
connexion d'au moins 8 mm (5/16 pouce) dans le breadboard.
Branchez une extrémité du fil dans le trou 16j
(broche 8) et l'autre extrémité sur le rail d'alimentation positif
situé à droite de la rangée 16. (Voir le fil de connexion orange à droite de la
puce sur la figure 11-16.)

13. Insérez le premier bouton-poussoir (appelons-le SW1 pour
« interrupteur 1 ») dans le breadboard.
a. Orientez le bouton-poussoir de manière à ce qu'il chevauche la rainure
centrale de la plaque d'essai, entre les rangées 26 et 28, et que ses broches
reposent sur les trous 26e, 26f, 28e et 28f, comme illustré sur la figure
11-17.

L'orientation du bouton-poussoir n'a pas d'importance.
Notez que les broches doivent être courbées vers l'extérieur, à gauche ou à droite.
Si les broches sont incurvées vers le haut et le bas de la plaque d'essai, vous ne pourrez pas insérer l'interrupteur à travers la rainure centrale de la plaque d'essai.
b. Insérez fermement les quatre broches de l’interrupteur dans les trous 26e, 26f, 28e et 28f.
J’ai constaté que la meilleure façon d’insérer l’interrupteur est de placer mes ongles de chaque côté de celui-ci et d’appuyer uniformément sur son corps. (Voir figure 11-18.)

c. Si l'interrupteur ne
s'insère pas facilement, retirez-le et examinez ses broches. Si certaines
broches sont tordues, redressez-les à l'aide d'une pince à bec fin. Réinsérez
ensuite l'interrupteur dans la plaque d'essai.
14. Insérez les sept
autres boutons-poussoirs (SW2 à SW8) dans le breadboard
comme suit (voir figure 11-19) :

a. Insérez le deuxième interrupteur
(SW2) dans les trous 30e, 30f, 32e et 32f.
b. Insérez le troisième
interrupteur (SW3) dans les trous 34e, 34f, 36e et 36f.
c. Insérez
le quatrième interrupteur (SW4) dans les trous 38e, 38f, 40e et 40f.
d. Insérez le cinquième
interrupteur (SW5) dans les trous 42e, 42f, 44e et 44f.
e. Insérez
le sixième interrupteur (SW6) dans les trous 46e, 46f, 48e et 48f.
f. Insérez le septième interrupteur (SW7) dans les trous 50e, 50f, 52e et
52f.
g. Insérez le huitième interrupteur (SW8) dans les trous 54e,
54f, 56e et 56f.
15. Insérez la résistance de 820 Ω sur le
breadboard.
Pliez et coupez les pattes de la résistance.
Branchez ensuite une patte dans le trou 26d et l'autre dans le trou 30d, comme illustré sur la figure 11-20.

16. Insérez l'une des
résistances de 1,8 kΩ dans le breadboard.
Pliez et coupez les pattes de la résistance. Ensuite, branchez une patte
dans le trou 30c et l'autre dans le trou 34c, comme illustré sur
la figure 11-21.

17. Insérez l'autre résistance de 1,8 kΩ dans le breadboard.
Pliez et coupez les pattes de la résistance. Insérez ensuite une patte dans le trou 34d et l'autre dans le trou 38d, comme illustré sur la figure 11-22.

18. Insérez une résistance de 2,2 kΩ sur le
breadboard.
Pliez et coupez les pattes de la résistance.
Insérez ensuite une patte dans le trou 38c et l'autre dans le trou 42c,
comme illustré sur la figure 11-23.

19. Insérez une résistance de
1,2 kΩ sur la plaque d'essai.
Pliez et coupez les pattes de la
résistance. Ensuite, branchez une patte dans le trou 42d et l'autre dans
le trou 46d, comme illustré sur la figure 11-24.

20. Insérez une résistance de
2,7 kΩ sur le breadboard.
Pliez et coupez
les pattes de la résistance. Ensuite, branchez une patte dans le trou 46c
et l'autre dans le trou 50c, comme illustré sur la figure 11-25.

21. Insérez une résistance de 3 kΩ sur le breadboard.
Pliez et coupez les pattes de la résistance. Ensuite, branchez une patte
dans le trou 50d et l'autre dans le trou 54d, comme illustré sur
la figure 11-26.

22. Insérez sept fils de connexion de 9,5 mm (3/8 pouce) minimum dans le breadboard, comme suit (voir figure 11-27) :

a. Insérez le premier fil de
connexion dans les trous 28g et 32g.
b. Insérez le deuxième fil de
connexion dans les trous 32h et 36h.
c. Insérez le troisième fil
de connexion dans les trous 36g et 40g.
d. Insérez le quatrième
fil de connexion dans les trous 40h et 44h.
e. Insérez le
cinquième fil de connexion dans les trous 44g et 48g.
f. Insérez
le sixième fil de connexion dans les trous 48h et 52h.
g. Insérez
le septième fil de connexion dans les trous 52g et 56g.
23.
Insérez le potentiomètre de 10 kΩ dans le breadboard,
comme indiqué sur la figure 11-28.

Branchez un fil du potentiomètre (n'importe lequel) dans le trou 21f et l'autre fil du potentiomètre dans le trou 26b.
24. Insérez le haut-parleur dans le breadboard, comme indiqué sur la figure 11-29.
Branchez l'un des fils (au choix) dans l'orifice 12a et l'autre fil dans n'importe quel orifice de la borne négative d'alimentation, à gauche. (J'ai utilisé l'orifice situé à gauche de la rangée 12.)

La figure 11-30 montre le circuit terminé (à l'exception de la batterie et
des connexions à la borne d'alimentation en bas de la plaque d'essai).

Vérifiez attentivement toutes vos connexions ainsi que l'orientation du
circuit intégré 555 et du condensateur électrolytique de 4,7 μF.
Assurez-vous que tous les interrupteurs sont bien insérés dans la plaque d'essai.
Une fois votre circuit vérifié, il est temps d'accorder votre clavier et de composer de la musique !
Testez et réglez votre clavier
Mettez l'appareil sous tension. Appuyez sur l'un des boutons-poussoirs.
Entendez-vous un son ? Essayez tous les autres boutons.
Si vous
n'entendez aucun son lorsque vous appuyez sur chaque bouton, vérifiez
soigneusement toutes vos connexions.
Portez une attention
particulière aux condensateurs : assurez-vous que le condensateur de 0,01 µF est
connecté entre la broche 5 du 555 et la masse, et que le condensateur de 0,1 µF
est connecté entre la broche 2 du 555 et la masse.
Une fois votre
circuit fonctionnel, vous pouvez régler votre clavier.
Les valeurs
des résistances de ce circuit sont conçues pour produire certaines fréquences
sonores du haut-parleur lorsque vous appuyez sur chaque bouton.
Cependant, les valeurs des résistances ne sont pas toujours exactes ; vous devrez peut-être ajuster la résistance qui produit les sons.
J'explique plus en détail le fonctionnement des résistances pour produire les sonorités souhaitées dans la section optionnelle « Examen du schéma », à la fin de ce projet.
En tournant le bouton du
potentiomètre de 10 kΩ, vous modifiez la résistance de chaque bouton-poussoir
(les touches de votre clavier).
Cette modification de la résistance ajuste la fréquence de la tension de montée et de descente générée par la minuterie 555 sur la broche 3 à chaque pression de touche.
C'est cette tension de sortie
qui détermine la tonalité du haut-parleur.
La figure 11-31 présente une
vue latérale des touches de votre circuit de clavier, chaque bouton étant
identifié par la note qu'il est censé jouer.

Vous devez ajuster la résistance du potentiomètre pour que votre circuit joue les huit notes de la gamme de do majeur, du do central (première note de l'octave de do majeur) au do aigu, en appuyant successivement sur les boutons SW8 à SW1.
Mais pour accorder votre clavier, vous devez comparer l'une des notes de votre clavier à une note accordée de référence.
Utilisez un piano accordé ou un autre instrument comme source pour votre note de référence.
Si vous n'avez pas de piano accordé ou d'autre source de note de référence, vous pouvez rechercher sur Internet une vidéo jouant l'une des notes de votre clavier.
Je vous recommande de
rechercher (hear middle C note) « entendre le do central » pour trouver une
vidéo YouTube.
Votre objectif est que le haut-parleur émette le do
central lorsque vous appuyez sur SW8.
Suivez ces étapes pour accorder
votre clavier :
1. Jouez le do central (avec votre piano, une vidéo ou
autre) tout en maintenant SW8 enfoncé.
2. Tout en écoutant le son de la
note de référence et celui de votre circuit, tournez lentement le potentiomètre.
Vous devriez entendre la fréquence du son de votre haut-parleur changer à
mesure que vous tournez le potentiomètre.
3. Continuez à jouer la note de
référence tout en maintenant SW8 enfoncé et en tournant lentement le
potentiomètre jusqu'à ce que le son de votre clavier soit similaire à la note de
référence.
Essayez d'obtenir un son aussi proche que possible du do
central de référence.
Une fois votre touche Do central accordée, toutes les autres notes le seront également.
Enfin, elles devraient être proches de la justesse, mais l'accordage peut ne pas être parfait en raison des variations de résistance.
Vous n'êtes pas obligé d'utiliser le Do central comme note de référence pour accorder votre clavier.
Vous pouvez utiliser n'importe quelle note de la gamme de Do majeur.
Veillez simplement à appuyer sur la touche de votre clavier correspondant à la note que vous jouez lorsque vous tournez le potentiomètre.
Par exemple, supposons que vous ayez un diapason accordé en La (à 440 Hz).
Lorsque le diapason joue le La,
appuyez sur SW3 (l'interrupteur correspondant au La) de votre clavier et tournez
le potentiomètre jusqu'à ce que la note de votre circuit corresponde à celle du
diapason.
Après avoir accordé votre clavier, essayez de jouer la gamme de
Do majeur en appuyant successivement sur les boutons-poussoirs, de SW8 à SW1.
Le résultat ressemble-t-il à la gamme de Do majeur que vous connaissez et appréciez ?
Si le son vous semble un peu
faux, essayez de tourner légèrement le bouton du potentiomètre et voyez si cela
vous permet de modifier votre mélodie.
Jouez quelques morceaux !
Avec les huit touches de votre clavier, vous pouvez jouer une variété de
chansons, comme celles illustrées dans la figure 11-32. Notez que C sur la
figure désigne le do central (SW8) et Chi le do aigu (SW1).

La disposition des notes devrait vous donner une idée du rythme de chaque
morceau, mais vous devez encore déterminer combien de temps maintenir chaque
note (en gardant le doigt appuyé sur un interrupteur) et quand jouer une note
staccato (très courte) (en appuyant brièvement sur un interrupteur puis en le
relâchant rapidement).
Installez maintenant des chaises dans la pièce et
invitez votre famille et vos amis à votre concert de clavier électronique !
Consultez le schéma
Si vous souhaitez comprendre le fonctionnement de votre clavier, commencez
par consulter le schéma.
Si cela ne vous intéresse pas particulièrement, vous pouvez passer directement à un autre projet.
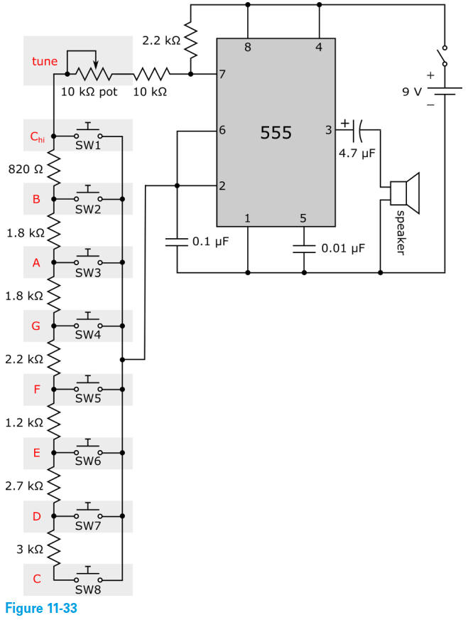
La figure 11-33 présente le schéma de votre circuit de clavier.


Ne vous laissez pas impressionner par ce schéma.
Ce circuit est similaire au circuit d’effets sonores commandés par la lumière que vous avez réalisé dans le projet 10.
Notez que la pile est représentée à droite du schéma en gris et non à gauche.
Je l'ai placée à droite pour
laisser de la place à gauche pour les résistances et les interrupteurs, mais les
connexions de la pile sont identiques à celles des autres projets utilisant la
minuterie 555 (projets 8, 9, 10, 12 et 13).
Sur le schéma, les interrupteurs sont numérotés de SW1 à SW8 et la note
correspondante est indiquée en rouge.
Le potentiomètre porte la mention « tune », ce qui signifie que l'on accorde les notes en tournant son bouton.
Si vous faites abstraction du montage en échelle de résistances et d'interrupteurs, de la résistance de 10 kΩ et du potentiomètre, vous constaterez que la structure de ce circuit est identique à celle du circuit d'effets sonores commandés par la lumière du Projet 10.
Dans ce circuit (et dans celui
de ce clavier, comme vous le découvrirez bientôt), la fréquence d'oscillation de
la tension de sortie sur la broche 3 de la minuterie 555 est déterminée par
trois composants :
Résistance entre les broches 7 et 8 (appelons-la R1)
Résistance entre les broches 7 et 2 (appelons-la R2)
Capacité entre
la broche 2 et la borne négative de la pile (appelons-la C)
La fréquence
d'oscillation, également appelée taux d'oscillation, s'exprime en hertz (Hz).
Plus la fréquence d'un son est élevée, plus sa hauteur est importante.
La fréquence du son produit par un circuit de minuterie 555 configuré en oscillateur peut être calculée en insérant les valeurs de R1, R2 et C dans la formule suivante :

Cette équation de fréquence
s'applique également à votre circuit de clavier.
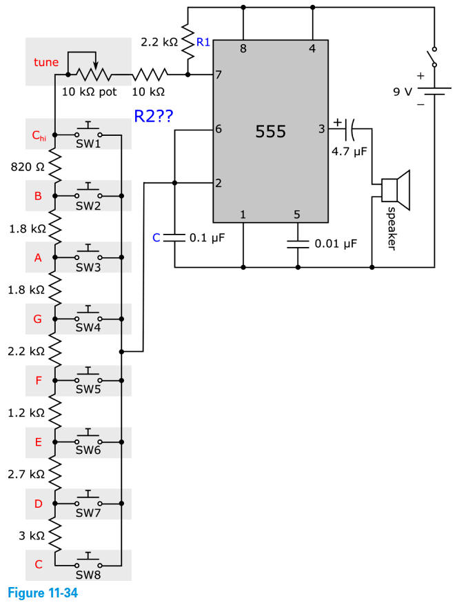
La figure 11-34 présente
le schéma de votre circuit de clavier, avec les étiquettes bleues indiquant les
trois composants qui déterminent la fréquence du son de sortie. Sur cette
figure, vous savez que R1 vaut 2,2 kΩ et C vaut 0,1 μF.

Mais quelle est la valeur de R2 ?
Dans la liste à puces précédente, je vous ai indiqué que R2 représente la résistance entre les broches 7 et 2 de la minuterie 555.
Mais dans ce circuit de clavier, que trouve-t-on entre ces broches ?
De nombreuses résistances, un potentiomètre et des interrupteurs !
Comment déterminer la
résistance entre les broches 7 et 2 ?
Il suffit de suivre le chemin
emprunté par le courant entre ces broches et de calculer la résistance le long
de ce chemin.
Pour cela, il est nécessaire de
connaître une règle concernant les résistances que je ne vous ai pas encore
mentionnée.
Les résistances en série (connectées sur un même chemin)
s'additionnent.
Ainsi, si vous placez, par exemple, une résistance de 10 kΩ en série avec une résistance de 2,2 kΩ, la résistance totale sur ce chemin est de 10 kΩ + 2,2 kΩ = 12,2 kΩ.
Dans le circuit de votre clavier, le chemin emprunté par le courant entre les broches 7 et 2 dépend de l'interrupteur actionné.
Chaque interrupteur connecte un ensemble différent de résistances entre les broches 7 et 2.
La résistance totale entre les
broches 7 et 2 correspond donc à la somme des résistances connectées sur ce
chemin lorsqu'un interrupteur particulier est actionné. Un exemple permettra de
mieux comprendre cette résistance totale.
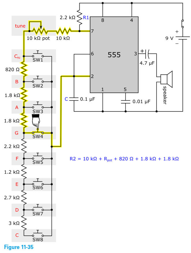
Observez la figure 11-35, qui
illustre ce qui se passe lorsque l'interrupteur SW4 est actionné.

Le chemin emprunté par le
courant entre les broches 7 et 2 est mis en évidence en jaune.
Imaginez
le réseau de résistances et d'interrupteurs comme un labyrinthe.
Il n'existe qu'un seul chemin pour que le courant circule de la broche 7 à la broche 2.
Si le courant tente d'emprunter
un autre chemin, il se heurte à un obstacle : un interrupteur ouvert qui
l'empêche de circuler.
La résistance totale entre les broches 7 et 2, ou
R2, lorsque SW4 est actionné, est la somme des résistances du chemin mis en
évidence:

Dans cette équation, Rpot représente la résistance du potentiomètre.
En substituant cette résistance totale (qui dépend de la résistance exacte du potentiomètre), ainsi que les valeurs de R1 et C, dans l'équation de la fréquence, on obtient la fréquence du son produit lorsqu'on appuie sur SW4.
Ne vous préoccupez pas de la valeur de R2.
La résistance exacte n'est pas
essentielle pour comprendre le fonctionnement de ce circuit de clavier.
L'important est de comprendre qu'appuyer sur un autre interrupteur modifie le
chemin emprunté par le circuit.
Un chemin différent implique
une résistance différente (R2) connectée entre les broches 7 et 2 de la
minuterie 555, ce qui modifie la fréquence d'oscillation et produit ainsi une
tonalité de fréquence différente.
Les valeurs des résistances
individuelles entre les broches 7 et 2 de votre circuit de clavier ont été
choisies pour produire les fréquences qui composent les notes de la gamme de do
majeur.
La fréquence exacte de chaque note est bien connue (par exemple, un la a une fréquence de 440 Hz).
En consultant les fréquences,
en effectuant quelques calculs et en sachant que les résistances en série
s'additionnent, on peut calculer les valeurs des résistances nécessaires pour
produire chaque note.
Mais assez parlé de mathématiques et de
résistances !
Appuyez sur des interrupteurs, composez de la musique et amusez-vous !