Projet 10 : Effets sonores contrôlés par la lumière
Mes seconds pas en Électronique
Voir Projet 1 pour les composantes nécessaires pour Mes seconds pas en Électronique.

Dans ce projet, vous n'utilisez que sept composants, une pile et une lampe torche (oui, une lampe torche !) pour générer des effets sonores intéressants.
Ce circuit vous permet de
recréer le vrombissement d'un moteur de voiture de course, le grincement d'une
porte, un roulement de tambour, la sirène d'une voiture de police ou de
pompiers, et bien plus encore.
Ce projet vous tente ?
Alors, à vos marques, prêts, faites du bruit !
Rassemblez les composants
nécessaires
Rassemblez tous les composants de cette liste (voir
figure 10-1) :

Plaque d'essai sans soudure, préparée avec :
• Pile 9 V avec clip de
connexion
• Interrupteur et fil de connexion
• Connexions du rail
d'alimentation
Un haut-parleur de 8 Ω, ainsi que les éléments suivants :
• Deux fils rigides de calibre 22 (environ 5 cm) avec extrémités dénudées
• Deux mini-pinces crocodiles isolées
Un circuit intégré LM555
Une photorésistance
Deux condensateurs à film de 0,01 μF (non polarisés)
Un condensateur électrolytique de 4,7 μF (polarisé)
Une résistance de 47 kΩ
Trois fils de connexion de 8 mm (minimum)
Deux fils de connexion de 10 mm (minimum)
Un fil de connexion de 25 mm
(minimum) Fils de connexion
Facultatif (non représenté sur la
figure 10-1) :
une résistance de 2,2 kΩ
et un condensateur à film de 0,1 µF (non polarisé)
Utilisez les mini-pinces
crocodiles pour connecter les fils rigides d'environ 5 cm aux broches de votre
haut-parleur.
(Reportez-vous au projet 9 pour
plus de détails.)
La figure 10-2 montre à quoi ressemble votre haut-parleur avec les fils rigides connectés.
ou avec

Préparez
vos pinces coupantes pour couper les fils et vos pinces à bec fin pour insérer
les composants sur votre breadboard.
Munissez-vous également d'une lampe de poche (n'importe laquelle) ou d'une lanterne de camping à LED pour manipuler votre circuit.
Construisez le circuit
d'effets sonores contrôlés par la lumière.
Dans le
projet 9, vous utilisez une puce 555 pour envoyer
une tension alternative à un haut-parleur via sa sortie (broche 3), mais
uniquement si une source lumineuse éclaire une photorésistance.
Si la lumière est insuffisante,
un transistor se bloque, désactivant ainsi la puce 555 et empêchant tout courant
de circuler dans le haut-parleur.
Dans ce projet, vous utilisez une puce
555 de manière similaire au projet 9.
Cependant, cette fois-ci, aucun transistor ne désactive la puce 555.
Celle-ci envoie donc en permanence une tension alternative au haut-parleur, qui émet alors un son continu.
Au lieu d'utiliser deux résistances et un condensateur pour réguler la tension de sortie de la puce 555, comme dans le projet 9, vous utilisez une seule résistance, une photorésistance et un condensateur.
La hauteur du son (c'est-à-dire
sa fréquence) émis par le haut-parleur dépend de la quantité de lumière qui
éclaire la photorésistance.
Prêt à commencer ?
Suivez ces
étapes pour construire votre circuit d'effets sonores commandé par la lumière :
1. Vérifiez votre plaque d'essai sans soudure (voir figure 10-3).

a. Assurez-vous que les deux rails d'alimentation positifs sont connectés et
que les deux rails d'alimentation négatifs sont connectés et que des
condensateurs de découplage de 0.1µF sont installés.
b. Vérifiez que
l'interrupteur d'alimentation et les connexions des fils de connexion sont
correctement installés et que l'interrupteur est en position arrêt.
c.
Vérifiez que les fils du clip de la pile sont bien insérés dans les trous de
contact correspondants de votre plaque d'essai.
2. Insérez la puce 555 dans
le breadboard.
a. Orientez la puce 555 de façon à ce que le repère
d'horloge soit situé dans le coin supérieur gauche, comme illustré sur la
figure 10-4. (Les broches d'angle sont repérées sur la figure.)

b. Placez la puce sur les trous 21-24e (côté gauche) et 21-24f (côté droit), en alignant les broches d'angle comme suit :
broche 1 dans le trou
21e, broche 4 dans le trou 24e, broche 5 dans le trou 24f et
broche 8 dans le trou 21f.
c. Appuyez doucement sur le corps de la
puce jusqu'à ce que les broches soient bien insérées dans les trous de contact.
(Voir figure 10-5.)

d. Assurez-vous que la face inférieure de la puce repose à plat sur la plaque d'essai.
3. Insérez un fil de
connexion d'au moins 8 mm (5/16 pouce) dans
le breadboard.
Branchez une extrémité du fil dans le trou
21a (Broche 1) et l'autre extrémité sur le rail d'alimentation
négatif situé à gauche de la rangée 21. (Voir le fil de connexion orange sur la
figure 10-6.)

4. Insérez la résistance de 47 kΩ dans le breadboard.
Pour un circuit plus propre, pliez et coupez les pattes de la résistance
de façon à ce qu'elles mesurent environ 6 mm (1/4 de pouce) sous le pli.
Branchez une patte dans le trou 18b et l'autre dans le trou 22b (Broche 2), comme indiqué sur la figure 10-7.

5. Insérez un fil de
connexion d'au moins 8 mm (5/16 pouce) dans le
breadboard.
Branchez une extrémité du fil dans le trou 18e
et l'autre extrémité dans le trou 18f.
Voir le fil de connexion orange au-dessus de la puce sur la figure 10-8.

6. Insérez un fil de connexion d'au moins 9,5 mm (3/8 pouce) dans le
breadboard.
Branchez une extrémité du fil dans le trou 18g
et l'autre extrémité dans le trou 22g (Broche 7).
Voir le fil de connexion jaune sur la figure 10-9.

7. Insérez un condensateur à
film de 0,01 μF sur le breadboard.
Pour
un circuit plus propre, pliez et coupez les pattes du condensateur de façon à ce
qu'elles mesurent environ 9,5 mm (3/8 pouce) sous le pli.
Ce condensateur n'est pas polarisé ; son orientation dans le circuit est donc indifférente.
Branchez une patte dans le trou 22a (Broche 2) et l'autre sur le rail d'alimentation négatif situé à gauche de la rangée 22.
Voir figure 10-10.

8. Insérez un fil de
connexion d'au moins 2,5 cm (1 pouce) dans le breadboard.
Ce fil relie les broches 2 et 6 du circuit intégré 555.
Insérez
une extrémité du fil dans le trou 22d (broches 2)
et l'autre extrémité dans le trou 23g
(broches 6).
Vous pouvez laisser le fil de connexion à cheval sur le circuit intégré ou le plier vers le bas. (Voir figure 10-11.)

9. Insérez le condensateur électrolytique de 4,7 μF dans le breadboard, comme illustré sur la figure 10-12.
Connectez la borne négative (repérée par un signe moins ou une bande noire) dans le trou 27b.
Connectez la borne positive (non repérée) dans le trou 23b (broches 3, Out).

10. Insérez un fil de connexion
d'au moins 9,5 mm (3/8 pouce) dans le breadboard.
Connectez une extrémité du fil de connexion dans le trou 24a
(broches 4) et l'autre extrémité à la borne d'alimentation positive
située à gauche de la rangée 24.
Voir le fil de connexion jaune à gauche de la puce sur la figure 10-13.

11. Insérez le deuxième
condensateur à film de 0,01 μF dans le breadboard.
Pour un circuit plus propre, pliez et coupez les pattes du condensateur
de façon à ce qu'elles mesurent environ 9,5 mm (3/8 pouce) sous le pli.
Branchez une patte de ce condensateur non polarisé dans le trou 24j (broches 5) et l'autre sur le rail d'alimentation négatif situé à droite de la rangée 24. (Voir figure 10-14.)

12. Insérez la photorésistance dans le breadboard,
comme indiqué sur la figure 10-15.
Branchez une patte dans le trou
22j
(broches 7) et l'autre sur le rail d'alimentation positif
situé à droite de la rangée 22, comme indiqué sur la figure 10-15.

13. Insérez un fil de
connexion d'au moins 8 mm (5/16 pouce) dans le breadboard.
Branchez une extrémité du fil dans le trou 21j
(broches 8) et l'autre extrémité sur le rail d'alimentation
positif situé à droite de la rangée 21. (Voir le fil de connexion orange à
droite de la puce sur la figure 10-16.)

14. Insérez le haut-parleur dans la plaque d'essai, comme illustré sur la figure 10-17.

Branchez l'un des fils (au choix) dans le trou 27a et l'autre fil
dans n'importe quel trou de la borne négative d'alimentation située à gauche.
(J'ai utilisé le trou à gauche de la rangée 27.)
La figure 10-18 montre le circuit terminé (à l'exception de la batterie et des connexions à la borne d'alimentation situées en bas de la plaque d'essai).

Vérifiez attentivement toutes
vos connexions ainsi que l'orientation du circuit intégré 555 et du condensateur
électrolytique de 4,7 μF.
Une fois votre circuit vérifié, préparez-vous à
créer des effets sonores commandés par la lumière !
Créez des effets sonores
Une fois l'interrupteur allumé, votre circuit devrait émettre un son,
quelle que soit la luminosité.
Je vous recommande de commencer
par tester votre circuit dans l'obscurité partielle ou totale, puis d'ajouter
progressivement de la lumière.
Éteignez les lumières de la pièce, fermez
les stores et essayez de plonger la pièce dans l'obscurité.
Allumez ensuite l'interrupteur.
Entendez-vous un son grave ou un cliquetis provenant de votre haut-parleur (qui pourrait vous faire penser à un roulement de tambour) ?
Si ce n'est pas le cas, éteignez l'interrupteur, reprenez les étapes de construction du circuit et apportez les corrections nécessaires.
Remplacez la pile si besoin.
Une fois votre circuit fonctionnel, prenez votre lampe torche !
Tenez-la derrière votre dos et allumez-la.
Puis, très lentement, déplacez la lampe torche de derrière votre dos vers l'avant de votre corps, plus près de votre circuit.
Entendez-vous la tonalité du son augmenter lorsque vous déplacez la lampe torche ?
Votre circuit émet-il un son
semblable à celui d'une porte qui grince ?
Maintenant, tenez à nouveau la
lampe torche derrière votre dos.
Déplacez la lampe torche de
derrière votre dos vers l'avant de votre corps, plus près de votre circuit, mais
cette fois-ci un peu plus rapidement.
Le son vous fait-il penser au
vrombissement d'un moteur de voiture de course ?
Ensuite, éclairez
directement la photorésistance avec la lampe torche.
Le son est-il sensiblement plus
aigu que lorsque la lampe torche n'était pas dirigée directement sur la
photorésistance ?
Tenez la lampe torche face vers le bas à environ quinze
centimètres au-dessus de votre circuit, puis faites un mouvement circulaire avec
votre poignet au-dessus de celui-ci.
Votre circuit émet-il un son
semblable à une sirène de police ?
Allumez maintenant la lumière et
écoutez le son provenant de votre haut-parleur.
Couvrez la photorésistance avec vos doigts, puis tapotez-la avec un ou plusieurs doigts (c'est-à-dire, déplacez votre doigt sur et hors de la photorésistance) de manière répétée pour produire un son vibrant.
Pour obtenir un son plus aigu, éclairez votre circuit avec la lampe torche tout en laissant la lumière allumée.
Expérimentez avec différents niveaux d'éclairage intérieur.
Ensuite, testez votre circuit à l'extérieur, en plein soleil, dans des zones ombragées et ailleurs.
Voyez combien d'effets sonores
différents (une scie circulaire, par exemple !) vous pouvez produire en
combinant différents éclairages, le positionnement de la lampe torche et des
mouvements de la main.
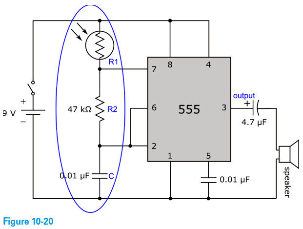
Consultez le schéma
Le schéma de votre circuit d'effets sonores contrôlés par la lumière est présenté dans la figure 10-19.

Notez que ce schéma est similaire à celui du circuit de LED clignotante du projet 8.
Lisez cette section si vous souhaitez comprendre comment votre circuit produit une telle variété d'effets sonores.
Comment les effets sonores
sont créés
Alors que le projet 8
utilise une LED et une résistance de protection sur la broche de sortie du 555
(broche 3), ce circuit utilise un haut-parleur et un condensateur.
De même, là où le projet 8 utilise deux résistances et un condensateur pour contrôler la durée de l’alternance de tension sur la broche 3, ce circuit utilise une résistance, une photorésistance et un condensateur pour contrôler cette durée.
Sur la figure 10-20, les composants qui déterminent la durée, ou fréquence d’oscillation, sont désignés par R1, R2 et C.

La fréquence d'oscillation, également appelée taux d'oscillation, se mesure en hertz (Hz).
Plus la fréquence d'un son est
élevée, plus sa hauteur est importante.
Vous pouvez calculer la fréquence
du son produit par votre circuit d'effets sonores commandé par la lumière en
remplaçant R1, R2 et C par les valeurs de la formule suivante :
fréquence = 1,44 / ((R1 + 2R2) x C)
Ne vous inquiétez pas.
Ce n'est pas un cours de maths, vous n'aurez donc pas à résoudre cette équation.
De plus, vous ne savez pas ce
que représente R1, car il s'agit de la résistance de la photorésistance — et
cette résistance varie en fonction de l'intensité lumineuse.
La
résistance R1 est essentielle pour les effets sonores.
Comme cette résistance varie selon les conditions d'éclairage, la fréquence (ou hauteur) du son émis par le haut-parleur varie également.
En modifiant la quantité de lumière qui éclaire la photorésistance, vous modifiez la fréquence du son émis par le haut-parleur.
En changeant rapidement les conditions d'éclairage (par exemple, en déplaçant rapidement une lampe de poche en cercle près de la photorésistance), vous pouvez créer des sons intéressants dont la hauteur varie.
Gamme de fréquences
En expérimentant avec les effets sonores, je me suis intéressé à la gamme de
fréquences que mon circuit pouvait produire.
J'ai donc effectué le calcul de fréquence à deux reprises : une fois pour le circuit dans l'obscurité et une fois pour le circuit en pleine lumière.
Dans les deux cas, R2 vaut 47 kΩ (ou 47 000 Ω) et C vaut 0,01 μF (ou 0,00000001 F).
Quant à R1, la résistance de la photorésistance, j'ai estimé qu'elle était de 6 MΩ (6 000 000 Ω) dans l'obscurité et de 300 Ω en pleine lumière.
Ces valeurs pour R1 sont
cohérentes avec celles de ma photorésistance.
Quel a été mon résultat ?
La gamme de fréquences
approximative que ce circuit peut produire s'étend d'environ 24 Hz à environ
1 530 Hz.
Pour vérifier mes hypothèses et mes calculs, j'ai recherché sur
Internet des vidéos diffusant des sons à ces fréquences (ou proches de
celles-ci).
J'ai cherché « jouer un son de 24 Hz » et « jouer un son de 1500 Hz », et j'ai trouvé des vidéos YouTube pour les deux.
On trouve vraiment de tout sur Internet !
Le son de 24 Hz ressemblait à une série de clics, et celui de 1500 Hz à une note de musique claire.
J'ai ensuite lu chaque vidéo sur mon ordinateur portable tout en faisant fonctionner mon circuit et j'ai comparé les sons à l'oreille.
Les sons des vidéos semblaient
très proches en hauteur de ceux produits par mon circuit !
Si vous
souhaitez modifier la gamme de fréquences que votre circuit peut produire,
essayez de remplacer deux composants.
Remplacez R2 (la résistance de 47 kΩ dans les trous 18b et 22b) par une résistance de 2,2 kΩ et C (le condensateur de 0,01 μF dans le trou 22a et relié à l'alimentation négative) par un condensateur à film (non polarisé) de 0,1 μF.
La plage de fréquences devrait être d'environ 2 Hz (un cliquetis lent) à environ 3000 Hz (un son assourdissant et agaçant).