Projet 9 : Le chapiteau de LED
(Chenillard ou LED chaser)
Mes premiers pas avec le Breadboard
Voir Introduction pour la description des composants
Ce circuit crée un éclairage fluide, comme celui d'une
ancienne de théâtre.
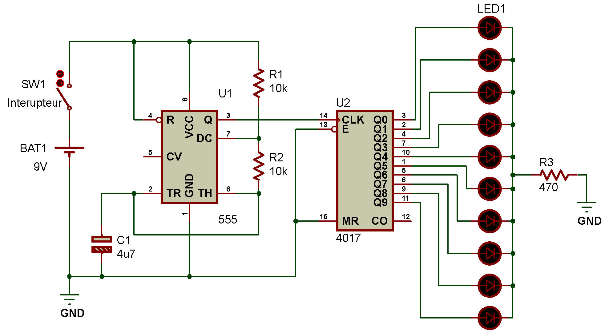
LE SCHÉMA DU CIRCUIT


LISTE DES PIÈCES
|
Pièce |
Valeur |
Description |
| Breadboard préparé | Voir: Construisez votre premier circuit sur Breadboard | |
| R1, R2 | 10K | Résistance Standard |
| R3 | 470Ω | |
| C1 | 4.7µF | Condensateur Polarisé |
| Led1-Led10 | Diodes électroluminescentes standard | |
| U1 | 555 | Circuit intégré Timer 555 |
| U2 | 4017 | Circuit intégré de compteur décimal 4017 (decade counter) |
À PROPOS DU CIRCUIT
Ce circuit utilise
un timer 555 et un compteur décimal 4017, tous deux des circuits intégrés.
La tension de la broche 3 du 555 bascule continuellement entre l'état haut et l'état bas, comme vu dans le projet 8.
Ce signal est connecté à la broche 14 du circuit intégré 4017, qui compte alors le nombre de fois où la tension sur la broche 14 passe de l'état bas à l'état haut.
Le 4017 possède 10 sorties, numérotées de Q0 à Q9, qui représentent ce comptage.
Par exemple, après trois comptages, la sortie Q3 est à l'état haut, tandis que les autres sont à l'état bas.
Au 10e comptage, le compteur redémarre à partir de Q0.
La figure 9-1 illustre le brochage du circuit intégré 4017.
FIGURE 9-1
Brochage du circuit intégré 4017 (Pinout)

La vitesse de clignotement est déterminée par R1, R2 et C1.
Modifier l'une de ces valeurs change la vitesse de clignotement des LED.
Plus la valeur est élevée, plus la vitesse est lente ; plus elle est faible,
plus elle est rapide.
Ce circuit est assez complexe, il est donc facile
de se tromper de branchement.
Je vous suggère de commencer par connecter uniquement la minuterie 555.
Ensuite, ajoutez une résistance de 470 Ω en série avec une LED entre la broche 3 du 555 et la borne négative de la batterie.
La LED devrait clignoter très rapidement.
Vous pouvez alors déconnecter la LED et la résistance et poursuivre le
branchement du reste du circuit.
Ce circuit comporte de nombreuses
connexions dans un espace réduit ; vous devrez donc optimiser l'espace
disponible.
Je vous recommande d'utiliser l'une des colonnes de la zone d'alimentation gauche pour connecter la borne négative des LED.
Cela vous permettra de gagner de la place.
ERREURS COURANTES
Si votre circuit ne fonctionne pas
correctement, vérifiez que vous n'avez pas commis l'une de ces erreurs
courantes :
• Branchement incorrect d'un ou des deux circuits intégrés
• Interversion des broches des circuits intégrés et connexion de composants
aux mauvaises broches
• Branchement incorrect d'une ou plusieurs LED
• Branchement incorrect du condensateur
• Connexion d'un fil ou d'un
composant une rangée au-dessus ou en dessous de son emplacement correct
FONCTIONNEMENT DU CIRCUIT
Ce circuit utilise une minuterie 555
pour générer une série continue d'impulsions (appelées impulsions d'horloge) et
un compteur décimal 4017 pour compter le nombre d'impulsions reçues.
Les LED des sorties Q0 à Q9 indiquent le nombre d'impulsions.
Lorsque le compteur atteint 10, il redémarre automatiquement à 0.
Ainsi, les LED semblent défiler d'une extrémité à l'autre sans interruption.
Le circuit intégré 4017 est facile à utiliser.
Pour le mettre en marche, il suffit de connecter les broches VDD et GND à une source de tension.
Une tension comprise entre 5 V et 15 V convient généralement.
Une fois la tension connectée, le circuit intégré fonctionne et compte les
transitions de tension de l'état bas à l'état haut sur sa broche d'entrée CLK
(horloge).
Notez que chaque sortie ne peut fournir qu'environ 10 mA.
Si vous tentez d'augmenter le courant de chaque sortie (par exemple, en
utilisant une résistance R3 de valeur inférieure), vous risquez un comportement
anormal, voire d'endommager la puce.
Le tableau suivant présente la
fonction de chaque broche.
| Broche # | Nom | DESCRIPTION |
| 1 | Q5 | Devient haut lorsque le compte est 5 |
| 2 | Q1 | Devient haut lorsque le compte est 1 |
| 3 | Q0 | Devient haut lorsque le compte est 0 |
| 4 | Q2 | Devient haut lorsque le compte est 2 |
| 5 | Q6 | Devient haut lorsque le compte est 6 |
| 6 | Q7 | Devient haut lorsque le compte est 7 |
| 7 | Q3 | Devient haut lorsque le compte est 3 |
| 8 | GND | Connexion à la masse (0 V) |
| 9 | Q8 | Devient haut lorsque le compte est 8 |
| 10 | Q4 | Devient haut lorsque le compte est 4 |
| 11 | Q9 | Devient haut lorsque le compte est 9 |
| 12 | Carry Out |
Sortie élevé lorsque le compte est supérieur à 9 (Permet de chainer plusieurs 4017) Ex. de 0 à 20 = 2 x 4017 |
| 13 | Clock Inhibit |
Le compteur ne compte aucune impulsion d'horloge lorsque cette entrée est à l'état haut. |
| 14 | CLK | Entrée pour le comptage des impulsions |
| 15 | Reset |
Remise à zéro du compteur lorsqu'i; est
à l'état
haut; le comptage doit être effectué à l'état bas. |
| 16 | VCC (VDD) | Connexion à la l'alimentation positive |
ET APRÈS ?
Félicitations, vous êtes arrivé(e) au bout !
Si vous avez construit les neuf circuits, vous possédez désormais de solides
bases pratiques pour réaliser de superbes projets électroniques.
Si vous débutez en électronique, vous n'avez peut-être pas saisi tous les détails de chaque circuit présenté dans Mes premiers pas avec le Breadboard, mais ce n'est pas grave.
Mes premiers pas avec le Breadboard
était entièrement consacré à la construction de circuits et au
perfectionnement de vos compétences pratiques en électronique.
Si vous
souhaitez approfondir vos connaissances sur le fonctionnement de ces circuits et
apprendre à en construire vous-même, consultez les sections:
Mes premiers pas en Électronique
Mes seconds pas en Électronique
Mon premier cours en électronique
Le Multimètre et Comment utiliser un multimètre
Électronique
Si vous souhaitez
aller plus loin et apprendre à réaliser des projets plus complexes, capables
d'utiliser des affichages graphiques, de créer des mélodies et de se connecter à
Internet, je vous recommande d'explorer la plateforme Arduino
(https://www.arduino.cc/) et la section Arduino
Que vous souhaitiez construire une chatière automatique pour votre maison ou le prochain gadget incontournable, vous devrez acquérir les compétences et les connaissances nécessaires à la réalisation de ces projets.
C'est pourquoi je crée constamment de nouveaux supports pédagogiques pour aider chacun à concrétiser ses idées grâce à l'électronique.
Afin de permettre à tous, quel que soit leur parcours, de développer ces compétences, j'ai créé Électronique, un portail d'apprentissage dédié à l'électronique.
Vous pouvez vous y inscrire à des cours pour apprendre diverses compétences,
notamment :
• Programmation Arduino
• Électronique de base
• Soudure Voir la section Soudons! de
Mes
premiers pas en Électronique
• Conception
de circuits imprimés (PCB)
• Et bien plus encore !