Chapitre 9 - Théorèmes sur les réseaux
Mon premier cours en électronique
Un réseau n'est que l'association de composants, comme des résistances, connectés les uns aux autres d'une manière quelconque.
Mais les lois des circuits en série et en parallèle ne suffisent généralement pas pour analyser ces réseaux. Les lois de Kirchhoff s'appliquent toujours, mais les théorèmes sur les réseaux conduisent, dans de nombreux cas, à des méthodes d'analyse plus rapides.
Cela s'explique parce que les théorèmes des réseaux nous permettent de convertir les réseaux en un circuit plus simple, équivalent à l'original. On peut alors résoudre ce circuit équivalent à l'aide des formules des circuits série et des circuits parallèle.
On n'indiquera ici que les applications, bien que tous les théorèmes sur les réseaux puissent se déduire des lois de Kirchhoff.
On remarquera aussi que les exemples donnés concernent des réseaux de résistances alimentés par piles, mais les théorèmes s'appliquent aux réseaux alternatifs et aux réseaux continus.
Les détails concernant les théorèmes sur les réseaux sont donnés dans les sections suivantes:
9.1 Théorème de superposition
9.2 Théorème de Thévenin
9.3 Application du théorème de Thévenin à un circuit comprenant deux sources de tension
9.4 Application du théorème de Thévenin à un circuit en pont
9.5 Théorème de Norton
9.6 Conversion entre les circuits de Thévenin et de Norton
9.7 Conversion entre sources de tension et sources de courant
9.8 Théorème de Millman
9.9 Réseaux en T et en π
9.1 THÉORÈME DE SUPERPOSITION
Ce théorème est particulièrement utile car il étend la loi d'Ohm aux circuits qui ont plus d'une source.
En résumé, on peut calculer l'influence d'une source, à un moment donné, puis superposer les résultats de toutes les sources.
Le théorème de superposition s'énonce ainsi:
Dans un réseau comprenant deux sources ou plus, le courant ou la tension relatifs à un composant quelconque est la somme algébrique des effets produits par chaque source agissant séparément.
Pour utiliser une source à la fois, on «arrête» momentanément toutes les autres sources. Ceci signifie la neutralisation de la source pour qu'elle ne puisse plus produire ni tension ni courant sans modifier la résistance du circuit.
On neutralise une source de tension comme une pile en supposant qu'il y a un court-circuit entre ses deux bornes.
Diviseur de tension à deux sources
Le problème de la figure 9-1 consiste à trouver la tension en P par rapport à la masse commune pour le circuit représenté en (a).
Figure 9-1 Théorème de superposition appliqué à un diviseur de tension à deux sources:
(a) circuit réel avec +130 V entre P et la masse commune;

(b) V1 appliquant +160 V en P;

(c) V2 appliquant -30 V en P.

La méthode consiste à calculer la tension produite au point P par chaque source, séparément, comme on l'indique aux figures 9-1 b et c, puis à superposer ces tensions.
Pour trouver l'influence de V1, il faut d'abord court-circuiter V2 comme on l'indique à la figure 9-lb. Remarquez que le bas de R1 se trouve alors relié à la masse commune par le court-circuit aux bornes de V2.
Par conséquent, R2 et R1 constituent un diviseur de tension en série aux bornes de la source V1.
En outre, la tension aux bornes de R1 devient égale à la tension entre P et la masse.
Pour trouver la tension VR1 produite aux bornes de R1 par la contribution de la source V1, on applique la formule du diviseur de tension:

VR1= 160 V
Cette tension en P est positive puisque la tension V1 est positive.
On cherche ensuite l'effet de la tension V2 seule, quand la source V1 est court-circuitée, comme sur la figure 9-1e.
Le point a, en haut de la résistance R2, est alors mis à la masse.
Les résistance R1 et R2 forment de nouveau un diviseur de, tension mais, dans ce cas, la tension de la résistance R2 est la tension entre P et la masse.
Avec un côté de R2 à la masse et l'autre côté au point P, VR2 est la tension à calculer. Il s'agit encore d'un diviseur de tension mais, dans ce cas, pour la source de tension négative V2.
On applique la formule du diviseur de tension pour obtenir la tension VR2, contribution de la tension V2, à la tension au point P:

Cette tension est négative en P puisque la tension V2 est négative.
Finalement, la tension totale au point P est:
VP = VR1 + VR2 = 160 - 30
VP =130V
Cette somme algébrique est positive, pour la tension VP résultante, puisque la tension positive VR1 est plus grande que la tension négative V.
Grâce à des superpositions, ce problème s'est donc réduit à celui de deux diviseurs de tension.
On peut appliquer la même méthode à plus de deux sources. Chaque diviseur de tension peut aussi comprendre un nombre quelconque de résistances en série.
Conditions permettant la superposition
Tous les composants doivent être linéaires et bilatéraux pour que l'on puisse superposer les tensions et les courants. Linéaire, signifie que le courant est proportionnel à la tension appliquée.
On peut ensuite superposer les courants calculés pour différentes sources de tension.
Bilatéral signifie que le courant a la même valeur pour des polarités opposées de la source de tension. On peut donc combiner algébriquement les valeurs de courants ayant des directions opposées.
Les réseaux comprenant des résistances, des condensateurs et des inductances à air sont généralement linéaires et bilatéraux. Ce sont aussi des composants passifs, c'est-à-dire qu'ils n'amplifient pas et qu'ils ne redressent pas.
Des composants actifs, comme des transistors, des diodes semi-conductrices et des tubes électroniques ne sont jamais symétriques et ne sont généralement pas linéaires.
Problèmes pratiques 9.1 (réponses à la fin du chapitre)
(a) Soit la figure 9-lb. Quelle résistance a une extrémité mise à la masse?
(b) Soit la figure 9-lc. Quelle résistance a une extrémité mise à la masse?
9.2 THÉORÈME DE THÉVENIN
Ce théorème qui doit son nom à l'ingénieur français M.L. Thévenin est très utile pour simplifier les tensions dans un réseau.
Grâce au théorème de Thévenin, on peut représenter de nombreuses sources et de nombreux composants, quelle que soit la manière dont ils sont connectés, par un circuit série équivalent entre deux bornes quelconques du réseau (voir figure 9-2).
Figure 9-2 Tout réseau du carré de gauche peut être ramené au circuit de Thévenin équivalent de droite.

On peut imaginer que le carré de gauche contient un réseau connecté aux bornes a et b. Le théorème de Thévenin indique que tout le réseau connecté entre a et b peut être remplacé par une seule source de tension VTh en série avec une seule résistance RTh connectées aux deux mêmes bornes.
VTh est la tension en circuit ouvert aux bornes a et b.
Ceci signifie que l'on trouve la tension produite par le réseau entre les deux bornes quand le circuit est ouvert entre a et b.
La polarité de VTh est telle qu'elle produit entre a et b un courant qui a la même direction que celui du réseau original.
RTh est la résistance en circuit ouvert entre les deux bornes a et b, mais quand toutes les sources sont inactives. C'est-à-dire que l'on cherche la résistance en regardant vers le réseau depuis les bornes a et b.
Bien que les bornes soient en circuit ouvert, un ohmmètre placé entre a et b indiquerait la valeur de RTh comme étant la résistance des autres passages du courant dans le réseau, sans qu'aucune des sources ne soit active.
Application du théorème de Thévenin à un circuit À titre d'exemple, on considère la figure 9-3a, dans laquelle on désire trouver la tension VL aux bornes de la résistance RL de 2Ω et le courant IL qui traverse cette résistance.
Figure 9-3 Application du théorème de Thévenin:
(a) circuit originel avec les bornes a et b de part et d'autre de RL;
(b) déconnecter RL pour trouver Vab = 24V;
(c) court-circuiter V pour trouver Rab = 2Ω;
(d) circuit de Thévenin équivalent;
(e) RL est rebranché entre les bornes a et pour trouver VL = 12 V.

Pour appliquer le théorème de Thévenin, on débranche mentalement RL.
Les deux extrémités ouvertes deviennent alors les deux bornes a et b. On cherche maintenant l'équivalent de Thévenin du reste du circuit qui est encore branché à a et b.
D'une manière générale, il faut ouvrir d'abord la portion de circuit à analyser, puis appliquer le théorème de Thévenin au reste du circuit connecté aux bornes ouvertes.
Le seul problème consiste maintenant à trouver la valeur de la tension VTh en circuit ouvert, aux bornes de a et b et la résistance équivalente RTh.
L'équivalent de Thévenin est toujours constitué par une seule source de tension en série avec une seule résistance, comme on l'indique à la figure 9-3d.
L'effet produit par l'ouverture de RL est représenté sur la figure 9-3b.
Il se traduit par l'existence d'un diviseur de tension constitué par les résistances R1 de 3Ω, et R2 de 6Ω, puisque RL est supprimé.
En outre, la tension aux bornes de R2 est maintenant la même que la tension en circuit ouvert aux bornes a et b.
Par conséquent, quand RL est déconnecté, la tension VR2 est égale à la tension Vab.
C'est la tension VTh nécessaire au circuit équivalent de Thévenin.
En appliquant la formule du diviseur de tension, on obtient:
VR2 = 6/9 x 36V = 24V
ou
VR2 = 24V = Vab = VTh
La polarité de cette tension est positive sur la borne a.
Pour trouver RTh on laisse la résistance RL de 2Ω déconnectée.
Mais, maintenant, la source V est court-circuitée. Le circuit prend alors l'aspect (c) de la figure 9-3.
La résistance R1 de 3Ω est maintenant en parallèle avec la résistance R2 de 6 Ω puisqu'elles sont toutes deux branchées entre les deux mêmes points. La combinaison de ces deux résistances donne une valeur de 18/9, soit 2Ω pour RTh.
Comme on l'indique à la figure 9-3d, le circuit de Thévenin à gauche des bornes a et b comprend alors la tension équivalente VTh de 24V en série avec la résistance équivalente VTh de 2Ω.
Ce circuit équivalent de Thévenin s'applique à n'importe quelle valeur de RL puisque RL est débranché.
En réalité, on prend le circuit de Thévenin équivalent au circuit qui excite les bornes ouvertes a et b.
Pour trouver VL et IL, on peut finalement rebrancher RL aux bornes a et b du circuit équivalent de Thévenin, comme on l'indique à la figure 9-3e. La résistance RL se trouve alors en série avec la résistance RTh et la tension VTh.
En appliquant alors la formule du diviseur de tension aux résistances RTh de 2Ω et RL de 2H, on obtient
VL = 1/2 x 24V, soit 12V.
On obtient IL par le quotient de VL et RL, c'est-à-dire 12V/2Ω, ce qui fait 6A.
Les réponses obtenues, 6A pour le courant IL et 12V pour la tension VL, s'appliquent à RL dans le circuit original de la figure 9-3a et dans le circuit équivalent de la figure 9-3e. Remarquez que le courant IL de 6A circule aussi dans RTh.
On pourrait obtenir les mêmes réponses en résolvant le circuit mixte de la figure 9-3a, par l'application de la loi d'Ohm.
Mais l'application du théorème de Thévenin au circuit a l'avantage de permettre de calculer facilement l'influence de RL pour différentes valeurs de cette résistance.
Si on suppose que la résistance RL passe maintenant à 4Ω dans le circuit équivalent de Thévenin, la nouvelle valeur de VL est de 4/6 x 24 V= 16 V.
La nouvelle valeur de IL est de 16V/4Ω, c'est-à-dire 4A.
Dans le circuit original, il faudrait reprendre tout le problème chaque fois que l'on fait varier RL.
Examen d'un circuit depuis les bornes a et b
La direction dans laquelle on doit regarder la résistance d'un circuit mixte dépend de l'endroit où la source est branchée. On calcule en général la résistance totale depuis les bornes extérieures du circuit, en allant vers la source prise comme référence.
Quand la source est court-circuitée pour appliquer le théorème de Thévenin à un circuit, les bornes a et b servent de nouvelle référence.
En regardant vers le circuit, depuis les bornes a et b pour calculer la résistance RTh, le point de vue s'inverse par rapport à la manière de déterminer VTh.
En ce qui concerne la résistance RTh, on imagine qu'une source pourrait être branchée aux bornes a et b, et pour calculer la résistance totale, on opère depuis l'extérieur vers les bornes a et b.
En réalité, un ohmmètre branché entre a et b indiquerait cette résistance.
L'idée d'inverser la référence est illustrée à la figure 9-4.
Figure 9-4 Application du théorème de Thévenin au circuit de la figure 9-3b, mais avec une résistance R3 de 4Ω en série avec la borne a;
(a) Vab est toujours de 24V; (b) Rab est de 2 + 4 = 6Ω; (c) circuit équivalent de Thévenin.

En (a), le circuit a ses bornes a et b ouvertes, prêtes pour l'application du théorème de Thévenin.
Ce circuit est semblable à celui de la figure 9-3, mais avec la résistance R3 de 4Ω intercalée entre R2 et la borne a. L'important est que R3 ne change pas la valeur de Vab créée par la source V, mais que R3 augmente vraiment la valeur de RTh.
Quand on examine le circuit depuis les bornes a et b, la résistance R3 de 4Ω est en série avec la résistance de 2Ω pour former une résistance RTh de 6Ω, comme l'indique la figure 9-4b.
On peut examiner pourquoi Vab est toujours de 24 V avec ou sans R3.
Comme R3 est branchée à la borne ouverte a, la source V ne peut produire aucun courant dans R3. Il n'y a donc pas de chute de tension IR dans R3.
Un voltmètre indiquerait les mêmes 24V aux bornes de R2 et entre a et b. Puisque Vab est de 24 V, il en est de même pour VTh.
On peut maintenant considérer pourquoi R3 modifie la valeur de RTh.
On se souvient qu'il faut travailler de l'extérieur vers ab pour calculer la résistance totale. Les résistances R1 de 3Ω et R2 de 6Ω sont alors en parallèle et forment une résistance combinée de 2Ω.
En outre, ces 2Ω sont en série avec la résistance R3 de 4Ω, puisque R3 est sur la ligne principale entre les bornes a et b. Donc, la résistance RTh est égale à 2 + 4 = 6Ω.
Comme on l'indique à la figure 9-4c, le circuit équivalent de Thévenin est constitué de la tension VTh de 24V et de la résistance RTh de 6Ω.
Problèmes pratiques 9.2
(réponses à la fin du chapitre)
Répondre par vrai ou faux.
Pour un circuit équivalent de Thévenin:
(a) On ouvre les bornes a et b pour trouver VTh et RTh;
(b) La tension de source n'est rendue inactive que pour déterminer RTh.
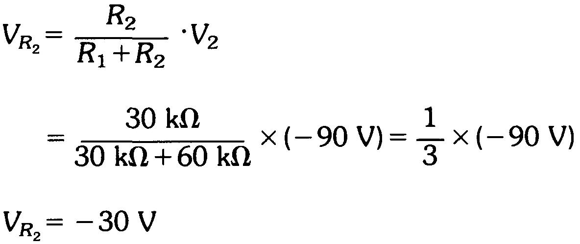
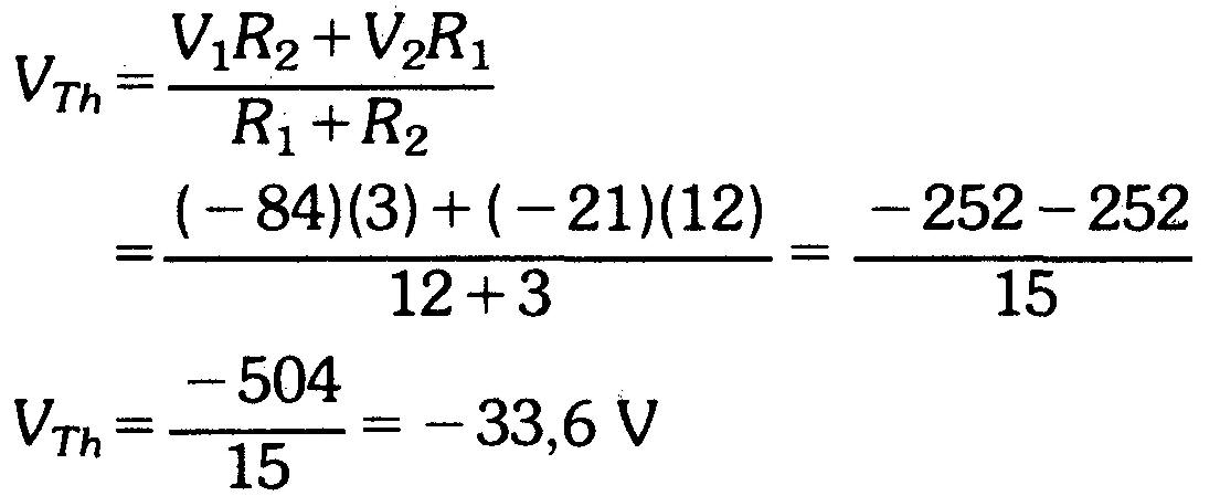
9.3 APPLICATION DU THÉORÈME DE THÉVENIN À UN CIRCUIT COMPRENANT DEUX SOURCES DE TENSION
Figure 9-5 Application du théorème de Thévenin à un circuit comprenant deux sources de tension V1 et V2:
(a) circuit originel avec les bornes a et b, de part et d'autre de la résistance centrale R3;

(b) déconnecter R3 pour trouver Vab = -33,6 V;

(c) court-circuiter V1 et V2 pour trouver Rab = 2,4Ω;

(d) circuit équivalent de Thévenin avec la résistance RL rebranchée entre les bornes a et b.

Le circuit de la figure 9-5a déjà été étudié par les lois de Kirchhoff, mais on peut appliquer le théorème de Thévenin pour trouver le courant I3 qui circule dans la résistance centrale R3.
Comme indiqué à la figure 9-5a, on marque d'abord les bornes a et b, de chaque côté de R3.
Sur la figure 9-5b, la résistance R3 est débranchée. Pour calculer VTh, on cherche la tension Vab aux bornes ouvertes.
Méthode de la superposition Comme il existe deux sources, on peut appliquer le théorème de superposition pour calculer Vab.
On court-circuite d'abord V2.
La tension V1 de 84 V est donc partagée entre R1 et R2. La tension aux bornes de R2 est la tension entre a et b.
Pour obtenir la tension aux bornes de R2, on calcule:
VR2 = 3/15 x V1 = 1/5 x (-84)
VR2 = -16,8 V
C'est la seule contribution de V1 à Vab. La polarité sur la borne a est négative.
Pour trouver la tension produite par V2 entre a et b, on court-circuite V1.
La tension aux bornes de R1 se trouve donc entre a et b. Pour calculer la tension apparaissant aux bornes de R1, on applique la formule du diviseur de tension:
VR1 = 12/15 x V2 = 4/5 x (-21)
VR1= -16,8 V
Chacune des tensions V1 et V2 produit une tension de -16,8 V entre les bornes a et b avec la même polarité. Par conséquent, ces deux tensions s'additionnent.
La valeur totale résultante de Vab, -33,6 V, indiquée sur la figure 9-5b, est la valeur de VTh.
La polarité négative montre que le point a est négatif par rapport au point b.
Pour calculer RTh, on court-circuite les sources V1 et V2, comme indiqué à la figure 9-5c.
Les résistances R1 de 12Ω et R2 de 3Ω sont donc en parallèle entre les bornes a et b.
Leur résistance équivalente est égale à 36/15, soit 2,4Ω, qui est la valeur de RTh.
Le résultat final est le circuit équivalent de Thévenin de la figure 9-5d avec une résistance RTh de 2,4Ω et une tension VTh de 33,6V négative par rapport à la borne a.
Pour trouver le courant qui traverse R3, il faut rebrancher R3 comme une résistance de charge aux bornes a et b.
La tension VTh produit alors un courant qui circule dans la résistance totale formée de la résistance RTh de 2,4Ω et de la résistance R3 de 6Ω:

Cette valeur de 4A pour I3 a déjà été calculée précédemment avec les lois de Kirchhoff, sur la figure 8-4.
En résumé, pour appliquer le théorème de Thévenin à ce circuit qui comprend deux sources de tension, on a effectué successivement les opérations suivantes:
on a d'abord débranché R3 pour ouvrir le circuit entre les bornes a et b et trouver la tension Vab qui est égale à la tension VTh.
Pour calculer VTh on applique le théorème de superposition dans ce circuit qui comprend plus d'une source.
Pour appliquer le théorème de superposition, on n'utilise qu'une seule source à la fois, et on court-circuite toutes les autres sources pour trouver la tension Vab résultante.
Mais pour la dernière opération, qui correspond au calcul de RTh, on court-circuite toutes les sources de tension pour trouver la résistance qui apparaît entre les bornes a et b sans qu'aucune tension ne soit appliquée.
On remarque que ce circuit peut être étudié par le théorème de superposition seul, sans utiliser le théorème de Thévenin, à condition de ne pas débrancher la résistance R3.
Mais en ouvrant le circuit entre a et b pour trouver le circuit équivalent de Thévenin, on simplifie la superposition car le circuit ne comprend plus alors que des diviseurs de tension en série, sans aucune dérivation.
En général, on peut simplifier un circuit en débranchant un composant pour ouvrir le circuit entre a et b et appliquer le théorème de Thévenin.
Méthode rapide
On peut appliquer plus rapidement le théorème de Thévenin au circuit de la figure 9-5b à deux sources de tension alimentant les bornes a et b en utilisant les formules suivantes de VTh et RTh:

Les tensions V1 et V2 sont négatives, puisque les bornes du haut sont négatives par rapport à la référence en bas du schéma.
Pour calculer RTh, les deux résistances en série avec les sources sont combinées en parallèle, d'où:
RTh = (12 x 3) / (12 + 3) = 36 / 15 = 2,4Ω
Problèmes pratiques 9.3 (réponses à la fin du chapitre)
Soit le circuit équivalent de Thévenin de la figure 9-5d:
(a) Calculer RT;
(b) Calculer VRL.
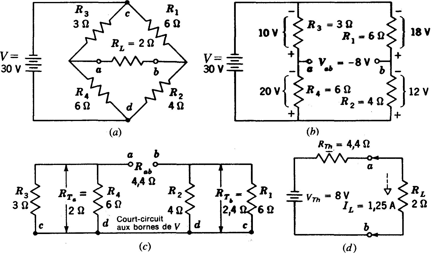
9.4 APPLICATION DU THÉORÈME DE THÉVENIN À UN CIRCUIT EN PONT
Comme second exemple du théorème de Thévenin, on peut trouver le courant qui traverse la résistance RL de 2Ω au centre du circuit en pont de la figure 9-6a.
Figure 9-6 Application du théorème de Thévenin à un circuit en pont:
(a) circuit originel avec les bornes a et b de part et d'autre de la résistance centrale RL
(b) déconnecter RL pour trouver Vab=-8V;
(c) V étant court-circuité, Rab est de 2 + 2,4 = 4,4Ω;
(d) circuit équivalent de Thévenin dans lequel RL est rebranchée entre a et b.

Quand on débranche RL pour ouvrir le circuit entre a et b, on obtient le résultat représenté en (b). On remarque combien cette ouverture a simplifié le circuit.
En remplacement du pont déséquilibré de (a) qu'il faudrait étudier par les lois de Kirchhoff, le circuit équivalent de Thévenin comprend seulement, en (b), deux diviseurs de tension. Les deux diviseurs de tension R3R4 et R1R2 sont montés aux bornes de la même source de 30V.
Puisque la borne ouverte a est à la jonction des résistances R3 et R4, ce diviseur de tension peut être utilisé pour trouver le potentiel au point a.
On peut, de même, trouver le potentiel au point b à partir du diviseur de tension R1R2. La tension Vab est alors la différence entre les potentiels des points a et b.
Observez les tensions des tensions des deux diviseurs. Dans le diviseur constitué par les résistances R3 de 3Ω et R4 de 6Ω, la tension inférieure VR4 est les 6/9 de 30V, soit 20V.
Alors, la tension supérieure VR3 est égale à 10V, puisque la somme de ces deux tensions doit être de 30V, c'est-à-dire égale à la tension de la source. Leurs polarités sont marquées négatives en haut comme pour V.
De même, dans le cas du diviseur de tension formé des deux résistances R1 de 6Ω et R2 de 4Ω, la tension inférieure VR2 est les 4/10 de 30V, soit 12V.
Alors, la tension supérieure VR1 est égale à 18V puisque la somme de ces deux tensions doit être égale aux 30V de la source. Leurs polarités sont aussi négatives en haut comme pour V.
Pour trouver Vab on peut maintenant déterminer les potentiels aux bornes a et b par rapport à la référence commune. On suppose que le côté positif de la source V est relié à la masse du châssis. On peut alors prendre la ligne inférieure du schéma comme référence des tensions.
On remarque que la tension VR4, en bas du diviseur de tension R3R4, est la même que le potentiel de la borne a par rapport à la masse. Elle est de -20V, la borne a étant négative.
De même, dans le diviseur R1R2, VR2 est le potentiel du point b par rapport à la masse. Il est égal à -12V, la borne b étant négative par rapport à la masse.
Par conséquent, la tension Vab est la différence entre les -20V de a et les -12V de b, ces deux potentiels étant considérés par rapport à la masse commune.
La différence de potentiel Vab est donc égale à -20 -(-12), c'est-à-dire -20 + 12, ce qui fait -8V.
La borne a est plus négative que la borne b de 8V. Donc, la tension VTh est de 8V, son côté négatif étant vers a, comme l'indique le schéma équivalent de Thévenin sur la figure 9-6d.
On peut aussi trouver la tension Vab en faisant la différence entre les tensions VR3 et VR1 sur la figure 9-6b.
Dans le cas considéré, VR3 est de 10V et VR1 de 18V, ces deux valeurs étant positives par rapport à la ligne supérieure connectée au côté négatif de la source V.
La différence de potentiel entre les bornes a et b est donc de 10 - 18, ce qui fait aussi -8V. Remarquez que la tension Vab doit avoir la même valeur, quel que soit le chemin utilisé pour la calculer.
Pour trouver RTh, on court-circuite la source de 30V quand les bornes a et b sont encore en circuit ouvert. Le circuit se présente donc comme sur la figure 9-6c.
En considérant le circuit depuis les bornes a et b, les résistances R3 de 3Ω et R4 de 6Ω sont en parallèle et équivalent à une résistance combinée RTh de 18/9, soit 2Ω.
Ceci s'explique par le fait que R3 et R4 sont connectés à la borne a, tandis que leurs extrémités opposées sont reliées par le court-circuit de la source V.
De même, les résistances R1 de 6Ω et R2 de 4Ω sont en parallèle et leur combinaison est équivalente à une résistance RTb de 24/10, soit 2,4Ω.
En outre, le court-circuit de la source constitue une liaison qui connecte RTa et RTb en série.
La résistance totale est de 2 + 2,4 = 4,4Ω pour Rab ou RTh.
Le circuit équivalent de Thévenin de la figure 9-6d représente le circuit en pont alimentant les bornes a et b, en circuit ouvert, avec une tension VTh de 8 V et une résistance RTh de 4,4Ω.
On branche maintenant la résistance RL de 2Ω entre a et b pour calculer IL.
Ce courant est:

Ce courant de 1,25A est le courant qui traverse la résistance RL de 2Ω au centre du pont déséquilibré de la figure 9-6a.
On peut aussi calculer, à partir du circuit équivalent représenté en (d), la valeur du courant IL pour une valeur quelconque de RL en (a).
Problèmes pratiques 9.4 (réponses à la fin du chapitre)
Considérer le circuit équivalent de Thévenin illustré à la figure 9-6d et calculer:
(a) RT
(b) VRL
9.5 THÉORÈME DE NORTON
Ce théorème, qui doit son nom au physicien E.L. Norton des Bell Téléphone Laboratories, s'emploie pour simplifier un réseau, en ce qui concerne les courants et non plus les tensions.
Il est souvent plus facile d'étudier le partage des courants plutôt que de considérer les tensions.
On peut utiliser le théorème de Norton quand on étudie les courants pour réduire un réseau à un simple circuit parallèle avec une source de courant.
Le principe d'une source de courant consiste à délivrer à la ligne principale un courant qui doit se partager entre les branches en parallèle, ce qui correspond à une source de tension appliquant une tension totale qui se partage entre différents composants connectés en série.
La comparaison est illustrée à la figure 9-7.
Figure 9-7 Formes générales d'une source de tension ou de courant connectée à une charge RL branchée entre les bornes a et b;
(a) source de tension V
en série avec R;
(b) source de courant I avec une résistance R en parallèle;
(c) source de courant I avec conductance G en parallèle.

Exemple de source de courant
On représente souvent une source d'énergie électrique délivrant une tension avec une résistance en série qui figure la résistance interne de la source, comme sur la figure 9-7a.
Cette méthode correspond à la représentation d'une source de tension réelle, comme une batterie pour les circuits à courant continu.
Mais on peut aussi représenter la source comme une source de courant avec une résistance en parallèle, comme sur la figure 9-7b.
De même que la source de tension a une tension nominale de 10V, par exemple, une source de courant peut avoir une valeur nominale de 2A. Lorsqu'on étudie des branches en parallèle, le principe d'une source de courant peut être plus commode que celui d'une source de tension.
Si, sur la figure 9-7b, le courant I est celui d'une source de 2A, 2A seront appliqués quel que soit le circuit connecté entre les bornes a et b.
Si rien n'est branché entre a et b, la totalité des 2A circulera dans la résistance shunt R.
Quand on branche une résistance de charge RL entre a et b, le courant de 2A se partage suivant la loi de partage du courant entre des branches en parallèle.
On se souvient que des courants en parallèle se répartissent en proportion inverse des résistances mais proportionnellement aux conductances.
C'est pourquoi il peut être préférable de considérer la source de courant comme shuntée par une conductance G, comme indiqué à la figure 9-7c.
On peut toujours convertir les résistances en conductances, puisque 1IR en ohms est égal à G en Siemens.
Le symbole d'une source de courant est un cercle à l'intérieur duquel se trouve une flèche, comme on l'indique aux figures 9-7b et c, pour marquer le sens du courant.
Ce sens doit être le même que celui du courant produit par la polarité de la source de tension correspondante.
On se rappelle qu'une source produit une circulation d'électrons sortant de sa borne négative.
Il existe une différence importante entre les sources de tension et de courant puisque l'on supprime une source de courant en l'ouvrant et une source de tension en la court-circuitant.
En ouvrant une source de courant, on supprime son aptitude à délivrer un courant sans affecter aucune des branches en parallèle.
On court-circuite une source de tension pour supprimer son aptitude à fournir une tension sans affecter aucun des composants en série.
Le circuit équivalent de Norton Comme on l'indique à la figure 9-8, le théorème de Norton montre que l'on peut remplacer tout le réseau branché aux bornes a et b par une seule source de courant IN, en parallèle avec une résistance RN.
Figure 9-8 Tout réseau du carré de gauche peut être ramené au circuit de Norton équivalent de droite

La valeur du courant IN est égale au courant de court-circuit entre les bornes a et b. Ceci signifie que l'on cherche le courant produit par le réseau entre a et b s'il y a un court-circuit entre ces deux bornes.
La valeur de RN est la résistance vue depuis les bornes ouvertes a et b. Ces bornes ne sont pas court-circuitées pour calculer RN mais en circuit ouvert, comme pour calculer la résistance RTh du théorème de Thévenin.
En réalité, la résistance unique est la même pour les circuits équivalents de Thévenin et de Norton.
Dans le cas du circuit de Norton, cette valeur de Rab est celle de la résistance RN en parallèle avec la source de courant; dans le cas du circuit de Thévenin, c'est la résistance RTh en série avec la source de tension.
Application du théorème de Norton à un circuit
Comme exemple, on calculera à nouveau le courant IL de la figure 9-9a, qui a déjà été obtenu par le théorème de Thévenin.
Figure 9-9 Circuit identique à celui de la figure 9-3 auquel on applique le théorème de Norton:
(a) circuit originel; (b) court-circuit entre les bornes a et b; (c) le courant de court-circuit est IN = 36/3 = 12 A;
(d) circuit ouvert entre a et b, mais V est en court-circuit pour trouver Rab = 2Ω, la même valeur que celle de RTh,
(e) circuit équivalent de Norton; (f) résistance RL rebranchée entre les bornes a et b pour trouver IL = 6A.

La première étape de l'application du théorème de Norton consiste à imaginer un court-circuit entre les bornes a et b, comme on le voit en (b).
Quel est le courant qui circule dans le court-circuit?
On observe qu'un court-circuit entre a et b court-circuite RL et la résistance R2 qui est en parallèle.
La seule résistance du circuit est la résistance R1 de 3Ω en série avec la source de 36 V comme on le voit en (c). Le courant de court-circuit est donc:
In = 36V / 3Ω = 12A
Ce courant de 12A est le courant total disponible à la sortie de la source de courant dans le circuit équivalent de Norton représenté sur la figure 9-9e.
Pour trouver RN, on supprime le court-circuit entre a et b et on considère ces bornes en circuit ouvert sans la résistance RL. On considère maintenant que la tension V est court-circuitée.
Comme indiqué à la figure 9-9d, la résistance vue depuis les bornes a et b est une résistance de 6Ω en parallèle avec une résistance de 3Ω, ce qui équivaut à une résistance RN de 2Ω.
Le circuit équivalent de Norton, ainsi obtenu, est représenté sur la figure 9-9e. Il est constitué d'une source de courant IN de 12A shuntée par une résistance RN de 2Ω.
La flèche de la source de courant indique la direction de la circulation des électrons depuis la borne b jusqu'à la borne a, comme dans le circuit original.
Enfin, pour calculer le courant IL on connecte de nouveau la résistance RN de 2Ω entre a et b comme indiqué à la figure 9-9f.
La source de courant délivre toujours 12A mais, maintenant, ce courant se partage entre les deux branches RN et RL.
Comme ces deux résistances sont égales, le courant IN de 12A se partage en 6 A dans chaque branche et IL est égal à 6A. Cette valeur est égale au résultat obtenu avec le théorème de Thévenin, d'après la figure 9-3.
On peut aussi calculer VL en faisant le produit ILRL soit 6A x 2Ω, ou 12 V.
Considérations sur le courant de court-circuit
Dans certains cas, on peut se demander quel est le courant IN quand les bornes a et b sont court-circuitées.
Si on imagine un cavalier placé entre a et b pour court-circuiter ces bornes, le courant IN doit être le courant qui circule dans ce fil entre les bornes a et b.
On se rappellera que tout composant directement branché entre ces deux bornes est également court-circuité par le cavalier.
Ces branches en parallèle n'ont donc pas d'effet. Mais tout composant en série avec les bornes a ou b est en série avec le cavalier. Le courant IN de court-circuit circule donc aussi dans les composants en série.
À la figure 9-10, on donne un exemple de résistance en série avec le court-circuit entre les bornes a et b.
Figure 9-10 Application du théorème de Norton à un circuit dont le courant de court-circuit IN est un courant de branche en dérivation:
(a) IN est de 2A dans le court-circuit entre a et b et dans R3;
(b) RN - Rab = 14,4Ω;
(c) circuit équivalent de Norton.

Dans ce cas, le courant de court-circuit IN est un courant partiel et non le courant principal.
En (a), le court-circuit relie R3 aux bornes de R2. Le courant de court-circuit IN est alors le même que le courant I3 qui traverse R3.
Remarquez que I3 n'est qu'un courant de branche.
Pour calculer R3, on applique la loi d'Ohm au circuit.
La combinaison de R2 et de R3 en parallèle équivaut à une résistance de 72 / 18, soit 4Ω.
La résistance RT est de 4 + 4 = 8Ω.
Donc, le courant IT est de 48V / 8Ω = 6 A.
Ce courant IT, dans la ligne principale, se partage en 4A dans R2 et 2A dans R3.
Le courant I3 de 2A qui circule dans R3 traverse le court-circuit entre les bornes a et b. Le courant IN est donc de 2A.
Pour trouver RN d'après la figure 9-10b, on enlève le court-circuit des bornes a et b. La source V est maintenant court-circuitée.
La résistance vue depuis les bornes en circuit ouvert a et b correspond à la résistance R1 de 4Ω en parallèle avec la résistance R2 de 6Ω.
Cet ensemble équivaut à 24/10, soit 2,4Ω. La résistance de 2,4Ω est en série avec la résistance R3 de 12Ω, ce qui fait 2,4 + 12 = 14,4Ω pour Rab.
Le circuit équivalent définitif de Norton est représenté sur la figure 9-10c. Le courant IN est de 2A puisque ce courant partiel est le courant qui, dans le circuit original, traverse R3 et le court-circuit des bornes a et b.
La résistance RN est de 14,4Ω; c'est la résistance vue depuis les bornes a et b en circuit ouvert, quand la source V est court-circuitée, comme dans le cas de RTh.
Problèmes pratiques 9.5 (réponses à la fin du chapitre)
Répondre par vrai ou faux.
Soit un circuit de Norton:
(a) Pour calculer IN, court-circuiter les bornes a et b;
(b) Pour calculer RN, ouvrir les bornes a et b.
9.6 CONVERSION ENTRE LES CIRCUITS DE THÉVENIN ET DE NORTON
Le théorème de Thévenin indique qu'un réseau quelconque peut être remplacé par une source de tension et une résistance en série, tandis que le théorème de Norton indique que le même réseau peut être remplacé par une source de courant et une résistance en shunt.
Il doit donc être possible de passer directement d'un circuit de Thévenin à un circuit de Norton et inversement. Ces conversions peuvent être utiles pour l'étude des réseaux.
Passage d'un circuit de Thévenin à un circuit de Norton
Si on considère le circuit équivalent de Thévenin de la figure 9-11a, quel est le circuit équivalent de Norton?
Figure 9-11 Le circuit équivalent de Thévenin en (a) correspond au circuit équivalent de Norton en (b).

Il suffit d'appliquer le théorème de Norton de la même manière que pour tout autre circuit.
Le courant de court-circuit entre a et b est:
IN = VTh / RTh = 15V / 3Ω = 5A
La résistance, vue depuis les bornes en circuit ouvert a et b quand la source VTh est court-circuitée, est égale aux 3Ω de RTh.
Le circuit équivalent de Norton comprend donc une source de courant qui fournit un courant de court-circuit de 5A, shuntée par la même résistance de 3Ω, déjà en série dans le circuit de Thévenin. Les résultats sont présentés sur la figure 9-11b.
Passage d'un circuit de Norton à un circuit de Thévenin Pour effectuer la conversion inverse, on part du circuit de Norton de la figure 9-11b et on revient au circuit de Thévenin original.
Pour ce faire, on applique le théorème de Thévenin de la même manière que pour un autre circuit quelconque.
On trouve d'abord la résistance de Thévenin en regardant depuis les bornes ouvertes a et b.
Mais ici, il faut observer un principe important:
si une source de tension est court-circuitée pour trouver la résistance RTh, une source de courant doit être en circuit ouvert.
Par conséquent, il n'y a que la résistance RN de 3Ω, en parallèle avec la résistance infinie de la source de courant déconnectée. La résistance combinée est donc de 3Ω.
En général, la résistance RN a toujours la même valeur que la résistance RTh. La seule différence, c'est que la résistance RN est en parallèle avec la source IN et que la résistance RTh est en série avec VTh.
Il suffit maintenant de calculer la tension en circuit ouvert de la figure 9-11b pour trouver VTh.
Remarquez que les bornes a et h étant en circuit ouvert, tout le courant de la source de courant passe par la résistance RN de 3Ω. La tension en circuit ouvert aux bornes a et b est donc de:
INRN = 5A x 3Ω = 15V = VTh
Nous avons par conséquent retrouvé le circuit de Thévenin original qui comprend la source VTh en série avec la résistance RTh de 3Ω.
Formules de conversion
En résumé, on peut appliquer les formules suivantes pour effectuer ces conversions:
de Thévenin à Norton
RTh = RN
VTh = IN * RN
de Norton à Thévenin
RN = RTh
IN = VTh / RTh
Aux figures 9-12b et c, on donne un autre exemple de ces conversions.
Figure 9-12 Exemple de conversion entre circuits de Thévenin et de Norton:
(a) circuit originel, identique à celui des figures 9-3a et 9-9a; (b) équivalent de Thévenin; (c) équivalent de Norton.

Problèmes pratiques 9.6 (réponses à la fin du chapitre)
Répondre par vrai ou faux.
Dans les conversions Thévenin-Norton:
(a) RN et RTh ont la même valeur;
(b) IN = VTh / RTh;
(c) VTh = IN - RN.
9.7 CONVERSION ENTRE SOURCES DE TENSION ET SOURCES DE COURANT
La conversion de Norton est un exemple particulier du principe général suivant lequel une source de tension quelconque, avec sa résistance en série, peut être convertie en une source de courant équivalente avec la même résistance en parallèle.
Sur la figure 9-13, la source de tension en (a) est équivalente à la source de tension en (b).
Figure 9-13 La source de tension en (a) correspond à la source de courant en (b).

Il suffit de diviser la tension V de la source par sa résistance en série R pour calculer le courant de la source de courant I équivalente, shuntée par la même résistance R. L'une ou l'autre source délivre le même courant et la même tension à un composant quelconque branché entre a et b.
Les conversions entre sources de tension et de courant simplifieront souvent les circuits, surtout s'il y a deux sources ou plus.
Les sources de courant sont plus commodes pour les montages parallèle dans lesquels on peut ajouter ou partager les courants.
Les sources de tension sont plus faciles à utiliser pour les montages série, dans lesquels on peut ajouter ou partager les tensions.
Deux sources dans des branches en parallèle
On suppose que pour le circuit de la figure 9-14a, le problème consiste à trouver le courant I3 qui circule dans la résistance centrale R3.
Figure 9-14 Transformation des sources de tension situées dans des branches en parallèle en sources de courant qui peuvent être combinées:
(a) circuit originel;

(b) V1 et V2
transformées en sources de courant parallèle I1
et I2;
(c) circuit comprenant une seule source de courant combinée
IT

On remarque que la tension V1 et la résistance R1 d'une part, la tension V2 et la résistance R2 d'autre part, sont des branches en parallèle avec la résistance R3. Ces trois branches sont connectées entre les bornes a et b.
Quand on convertit les sources de tension V1 et V2 en sources de courant en (b), le circuit ne comprend que des branches en parallèle.
Le courant I1 est égal à 84/12, soit 7A, tandis que le courant I2 est égal à 21/3, ce qui fait aussi 7A.
La source I1 a sa résistance en parallèle égale à 12Ω tandis que la source I2 a sa résistance en parallèle R égale à 3Ω.
En outre, les sources I1 et I2 peuvent être combinées en une seule source de courant équivalente IT, représentée en (c).
Puisque ces deux sources délivrent des courants de même sens dans RL, elles s'ajoutent pour former une seule source de courant
IT = 7 + 7 = 14A.
La résistance shunt R de la source de courant combinée de 14A est la résistance résultant de la combinaison des résistances R1 de 12Ω et R2 de 3Ω en parallèle. Cette résistance R est égale à 36/15 soit 2,4Ω, comme on l'a indiqué en (c).
Pour trouver IL, on peut appliquer la formule du diviseur de courant aux branches de 6 et 2,4Ω qui se partagent le courant I de 14A venant de la source.
On a donc:
IL = (2,4 x 14) / (2,4 + 6) = 33,6 / 8,4 = 4A
La tension VR3 aux bornes a et b est égale à ILRL, c'est-à-dire à 4 x 6 = 24V.
Ce sont les mêmes valeurs que celles de VR3 et I3 obtenues par les lois de Kirchhoff et le théorème de Thévenin, d'après les figures 8-4 et 9-5.
Deux sources en série
En se reportant à la figure 9-15, on suppose que le problème consiste à trouver le courant IL qui traverse la résistance de charge RL branchée entre les bornes a et b. Ce circuit comprend deux sources de courant I1 et I2 branchées en série.
Figure 9-15
Transformation des sources de courant en série en sources de tension que l'on peut combiner pour simplifier le courant:
(a) circuit originel; (b) sources I1 et I2 transformées en sources en série V1 et V2;
(c) circuit avec une seule source VT de tension combinée.

On peut, dans ce cas, simplifier le problème en transformant les sources de courant I1 et I2 en des sources de tension V1 et V2, comme on le montre à la figure 9-15b.
La source I1 de 2A et sa résistance shunt de 4Ω sont équivalentes à une source de tension V1 de 4 x 2 = 8V avec une résistance de 4Ω en série.
De même, la source de courant I2 de 5A et sa résistance shunt R2 de 2Ω sont équivalentes à une source de tension V2 de 5 x 2 = 10V, avec une résistance en série de 2Ω.
Les polarités de V1 et de V2 produisent une circulation d'électrons de même sens que les sources I1 et I2
On peut maintenant combiner les tensions série comme indiqué à la figure 9-15c.
Les tensions V1 de 8V et V2 de 10V s'additionnent puisqu'elles sont de même sens pour former une tension VT de 18V.
Les résistances R1 de 4Ω et R2 de 2Ω s'ajoutent pour former une résistance combinée R de 6Ω. C'est la résistance en série avec la source VT de 18V connectée aux bornes a et b.
La résistance totale du circuit représentée en (c) est R + RL, soit 6 + 3 = 9 Ω.
La tension appliquée étant de 18 V, le courant IL est égal à 18/9 = 2A dans RL, entre les deux bornes a et b.
Problèmes pratiques 9.7 (réponses à la fin du chapitre)
Une résistance de 3Ω est en série avec une source de tension de 21V.
Considérer la source de courant équivalente et calculer:
(a) le courant I;
(b) la résistance shunt R.
THÉORÈME DE MILLMAN